kaiyun官方注册
您所在的位置:首页 > 电源技术 > 设计应用 > MC34262系列PFC控制芯片的应用研究
MC34262系列PFC控制芯片的应用研究
摘要: 介绍了MC34262系列PFC控制芯片的性能和特点,着重研究在APFC应用中如何进行电路元件参数的设计,同时分析了在实验中易出现故障的解决方案。
Abstract:
Key words :

1引言

  传统的从220V交流电网通过非控整流获取直流电压,在电力电子技术及电子仪器仪表中获得了广泛的应用。但这种非控整流使得输入电流波形发生严重畸变,并呈脉冲状。这样,一方面对电网造成严重污染,干扰其他电子设备的正常工作;另一方面大大降低了输入电路的功率因数,如在中、大型非控整流设备中,输入电路的功率因数大致在0.5~0.7左右,有的甚至更低。因此,必须采取有效的技术措施来减少输入电流波形的畸变,提高输入电路的功率因数。

  提高功率因数的方法概括为两大类型:一类是无源功率因数校正法,它主要是通过电路设计来扩大输入电流的导通" title="导通">导通角;也可以采用高频补偿的方法来提高输入电流的导通角;另一类是有源功率因数校正" title="有源功率因数校正">有源功率因数校正法,它是通过在电网和电源装置之间串联插入功率因数校正装置,其中单相BOOST电路因具有效率高、电路简单、成本低等优点而得到广泛应用,并称之为有源功率因数校正(APFC" title="PFC">PFC)电路。在有源功率因数校正控制芯片中,其种类繁多,有峰值电流控制法、平均值电流控制法等。本文着重讨论MOTOROLA公司生产的一种新型高性能、零电流控制模式的功率因数校正控制芯片MC34262" title="MC34262">MC34262(MC33262),同时分析它在功率因素校正电路应用中的设计要点及实验结果。

图1MC34262系列PFC控制芯片内部结构框图

图2有源功率因数校正电路框图

图3电流控制波形图

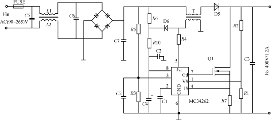
图4MC34262系列控制芯片在APFC中的实际应用

  MC34262系列PFC控制芯片为8脚双列直插塑封(亦有表面贴装封装)器件,内部含有自起动定时器、正交倍增器、零电流检测器、图腾柱驱动输出(0.5A)以及过压、欠压和过流等保护电路,具体内部结构框图见图1。

  MC34262系列PFC控制芯片的最大特点是采用零电流导通模式控制,图2所示即为采用MC34262系列PFC控制芯片构成的有源功率因数校正电路框图。

  图中,开关Q1的通、断受控于MC34262中零电流检测器,当零电流检测器中的电流降为零时(即续流二极管D1中的电流降为零时),Q1导通,此时电感L开始储能,电流控制波形见图3所示。这种零电流控制模式的突出优点是:

  (1)由于储能电感中的电流为零时,Q1才能导通,这样就大大减小了开关的应力和损耗,同时对二极管的恢复时间没有严格的要求,因此选用普通的快恢复二极管即可满足设计要求;另一方面免除了由于二极管恢复时间过长引起的开关管损耗,也就大大增加了开关管的可靠性。

  (2)由于开关管的驱动脉冲间无死区,所以输入电流是连续的并呈正弦波,这样大大提高了系统的功率因数。

  另外,由MC34262系列有源功率因数校正控制器构成的功率因数校正电路结构简单,外围电路元器件少,这就大大缩小了电路的体积,降低了系统的成本,提高了系统的可靠性。

3MC34262系列PFC控制芯片应用在APFC电路中的设计要点  MC34262系列PFC控制芯片在APFC电路中的实际应用电路如图4所示,该系统的主要技术要求为:

  (1)输入电网电压范围AC90V~265V

  (2)输出直流电压DC400V

  (3)输出功率500W

  根据上述要求,先计算出APFC电路的主要元件参数。

31电感L中的峰值电流ILPILP=(1)  式中PO——要求的输出功率500W

  η——变换器的效率取0.92

  VAC(L)——最低的电网输入电压90V

  则:ILP=≈17A(2)

  考虑到开关管的耐压应降额75%使用,若升压变换器的输出电压为400V,则应选用耐压至少为500V的开关管,电流的选取应大于峰值电感电流。

32电感LL=T(3)

  式中:T——开关脉冲周期。当输入电网电压的范围为:AC90V~265V时,T的取值为40μs。此时:L=≈200μH(4)

33R1及R2的计算  VO≈Vref(5)

  式中:Vref——芯片内部提供的基准电压,取值为2.5V,根据式(5):(6)

  令R2=1.8MΩ,则R1=11kΩ

34过流电阻R7的计算

  当输入电网电压的范围为AC90V~265V时,令电流取样电压VCS=1V且必须小于1.4V,此时:

  VCS=R7ILP(7)  则(8)

  取R7=0.062Ω/3W

35R3及R5的计算

  令倍增器的输入电压VM=3V  则:(9)

  式中VAC(H)——电网的最高输入电压265V

  由式(9):(10)

  令R5=1.2MΩ,则R3=10kΩ

4MC34262系列PFC控制芯片在APFC电路中易出现的故障与处理

  MC34262系列PFC控制芯片在APFC电路中最常见的故障是不易起动和过流保护电路易受干扰。

  不易起动的原因是:由于误差放大器具有高输出阻抗特性,易受外界干扰。在控制系统正常工作时,2脚上的电压接近于倍增器的阈值电压(约为2V)。若超过2V,则自动切断输出驱动信号。所以为确保系统可靠工作,在2脚和6脚之间接入一个容量较小的补偿电容。

  过流保护电路易受干扰的原因是:由于过流保护取样电阻R7上有较强的干扰电流流过时,过流比较器易触发翻转,造成误触发。为克服过流比较器的误动作,可在R7与4脚之间增加RC滤波电路,通常RC滤波电路的时间常数取为200ms。

5结语

  本实验样机采用MC34262PFC控制芯片设计了一个500W的功率因数校正电路,由于系统采用零电流控制模式,故大大减小了开关的应力和损耗,同时对续流二极管的选取也没有严格的要求。此外,该系统电路结构简单,体积小,工作稳定可靠,在中功率APFC电路中有着广泛的应用前景。

此内容为AET网站原创,未经授权禁止转载。
Baidu
map