1 前言
随着信息技术的发展,各个应用领域中对交流电源的要求也越来越高。不间断电源(Uninterruptible Power Systems简称UPS)能够提供品质良好的正弦波电源,且对整个电网的污染小。随着对交流电源容量和整个供电系统稳定性、可靠性的要求越来越高,UPS的并联技术也被广泛地研究与应用。采用UPS并联技术组成的供电系统具有很多的优点:
1)它使电源的容量大大提高;
2)提高了整个供电系统的可靠性和稳定性;
3)方便了整个系统的维护和维修,真正能够做到不间断地供电。
2 逆变器并联条件
在UPS的并联技术中,最重要的一点就是要保证各个并联模块的功率分配要均匀,也就是各个模块要达到均流的要求。下面以2台逆变电源并联运行为例,简单分析一下逆变器并联所需的条件。
如图1所示,U1、U2表示2个逆变器的SPWM输出波形电压;L1、L2、C1、C2分别是2个逆变器的滤波电感和电容;R是2个逆变器的公共负载。

图1 2台UPS并联的等效电路
当并联模块的参数相同时,即C1=C2=C,L1=L2=L时,由上图可以得到
iL1=
(1)
iL2=
(2)
从式(1)、(2)可以看出每个逆变器的电感电流包括两个部分:第一部分是负载电流,这一部分两个逆变器是一样的;第二部分是环流,这一部分两个逆变器所承担的大小是不一样的。正是由于环流的存在,使得逆变器的并联遇到困难。
从式(1)、(2)可以看出,环流的大小,不仅跟逆变器输出电压的幅值有关,而且跟输出电压的相位也有关。因此,UPS的并联比一般的直流电源并联要复杂得多,它必须满足以下3个条件:
1)各个逆变器的输出电压的幅值必须相等;
2)各个逆变器的输出电压的频率必须相等;
3)各个逆变器的输出电压的相位必须一致。
3 电流均流控制
为了满足逆变器并联所必须的条件,各种并联控制方案相应被提出。主要有集中控制、主从式控制、分散式并联、无互联线控制等方案。本文采用CAN总线数字技术,将1台逆变器(主模块)的电流和电压相位利用CAN通讯线发送给各个并联模块。各并联模块跟踪主模块的电流,以达到均流的效果。
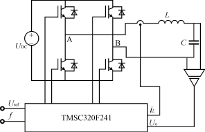
3.1 逆变器主电路分析
单个模块的硬件结构如图2所示。在单个逆变器中,主电路由全桥和LC滤波器组成;而控制电路主要由1块TMSC320F241的DSP芯片(内带CAN控制器)及一些采样电路组成。DSP通过采样电感电流和输出电压来控制逆变器,同时通过CAN通讯线来获得主模块的电流和相位。

图2 2台逆变器并联的电路结构
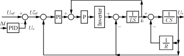
从图2可以得到单台逆变器的数学模型如图3所示。图中
是A,B两点之间的电压,Δi是环流。

图3 逆变器的数学模型
由图3可以得到以下2个传递函数:
=
(3)
=
(4)
由式(3)、(4)可以看出,环流对输出电压的传递函数与输入电压对输出电压的传递函数的极点配置是一样的。因此可以通过对输入参考电压的调节来减小环流对输出电压的影响,从而达到均流的效果。
3.2 均流控制方案设计
为了使得每个并联逆变器的电流达到均等的目的,在每个并联逆变器的控制环上除了电压、电流双环控制[3]之外还加了一个均流环。控制框图如图4所示。在均流控制中,主模块通过DSP的CAN总线将采集到的主模块电感电流和其参考电压发送给各个从模块。各从模块接收到主模块的电感电流数据后与自身的电感电流相比较,其误差由均流环处理后来控制SPWM波形,以达到均流的目的。而主模块的参考电压使得各从模块输出电压的相位与主模块保持一致。逆变器控制中的电压环使输出电压保持良好的正弦波,电流环的加入使得系统的动态响应得到提高,而均流环使得各个模块能够达到均流的目的。

图4 均流控制框图
在控制方案中,均流环采用不完全微分PID控制,以减小通讯线传输中由于单个数据误码而对整个系统的冲击。
4 电路仿真及波形
利用MATLAB对以上所设计的并联控制方案进行仿真。仿真时的参数为:输入直流母线电压U1=U2=200V,输出为50Hz有效值为100V的正弦波,开关频率20kHz,L=2.7mH,C=4.5μF。其中电压环采用PI控制,电流环采用P调节,均流环采用PID控制。仿真结果见图5、图6。

图5 2台并联逆变器的电感电流波形

图6 并联逆变器输出电流和电压波形
5 实验及波形
为验证仿真结果,实验采用2台UPS并联,具体的参数与仿真时相同,即U1=U2=200V,f=50Hz,输出电压设计为100V,L=2.7mH,C=4.5μF。
图7为2台逆变器输出8A电流时各自输出的电流,从实验情况来看,2台逆变器有很好的均流效果。

图7 2台逆变器的输出电流
图8为并联逆变器的输出电流和电压。

图8 并联输出电流和电压(CH1:电流;CH2:电压)
图9是3台逆变器并联时当其中一台发生故障退出并联,其他2台的电流波形。

图9 3台逆变器并联时,当其中1台发生故障退出并联,其它2台的电流波形
图10是2台逆变器并联由空载到突加负载时的输出电流波形。

图10 突加负载时的电流
6 结语
本文采用主从控制方式,通过采样逆变器电感上的电流,在控制上加入一个均流环来达到各台并联逆变器的均流。从仿真和实验的结果来看,这种控制方式能够使各个逆变器达到很好的均流效果。
