您的位置:电子技术应用
电路图频道
电源电路
稳压电路
点击进入忆阻器测试专题
新型储能技术专题
点击进入传感器测试专题
2025年数据要素治理学术研讨会
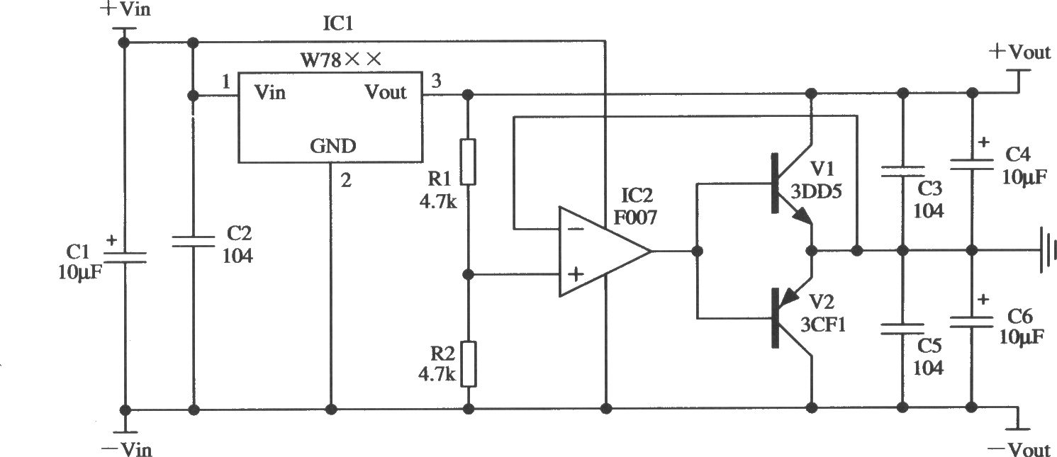
由W78××构成的正、负双电源输出的应用电路
2017-01-16 15:32
关键词:
稳压电源
电路
W78
如图所示是用W78××正集成稳压器和F007运算放大器组成的正、负双电源输出的应用电路,其输出电流为±0.75 A。
AET陪你走进工业以太网
《电子技术应用》全年合订本-电子版
2025中国西部微波射频技术研讨会
点击了解订《电子技术应用》杂志送开发板活动
相关内容
27V直流稳压电源应用于飞机起动
ABS ECU控制单元是什么意思
可控硅-晶闸管的几种典型应用
700mA串连型稳压电源电路
一款大功率稳压电源古老电路
带保护功能的5V稳压电源
用LM317和UA741制作的0-±15V稳压电源
基于PSpice的升压型开关稳压电源设计与仿真
稳压电源相关电路图
更多 >>
TDA8130典型应用电路(开关稳
晶体管开关稳压电源应用电路
CWl840驱动双晶体管的单端正激
自动延时降压启动稳压电源电
自动稳压电源电路
TXD1742连续调节的全自动交流
上传电路图
电路图分类
基础电路
模拟电路
数字电路
接口电路
线性放大
555电路
信号产生
电源电路
稳压电路
开关电源
电池电源
综合电源
传感器电路
温度湿度压力
速度角度位移
气体传感器
液体传感器
物理|光学
消费电子电路
手机电路
电脑电路
消费产品
通信电路
电话电路
遥控电路
无线通信
卫星通信
家用电器电路
厨房电器
房间电器
空调冰箱
电子钟表
音视频电路
音频电路
视频电路
游戏娱乐
控制电路
开关控制
定时控制
保护电路
综合控制
微机单片机电路
光电应用电路
新潮电子电路
电机控制电路
检测测量电路
医疗电子电路
安防电子电路
交通工具电路
工业自动化电路
PLC电路
电力电工电路
特殊应用电路
电子维修
其他行业电路
Copyright © 2005-
2024
华北计算机系统工程研究所版权所有
京ICP备10017138号-2
map