您的位置:电子技术应用
电路图频道
电源电路
综合电源
2025年数据要素治理学术研讨会
何为现代数字城市?
北斗导航系统的应用前景和案例展示
《电子技术应用》特约专栏征稿
W78×××构成的扩大输出电流的应用电路2
2017-01-16 15:09
关键词:
电源电路
电路
W78
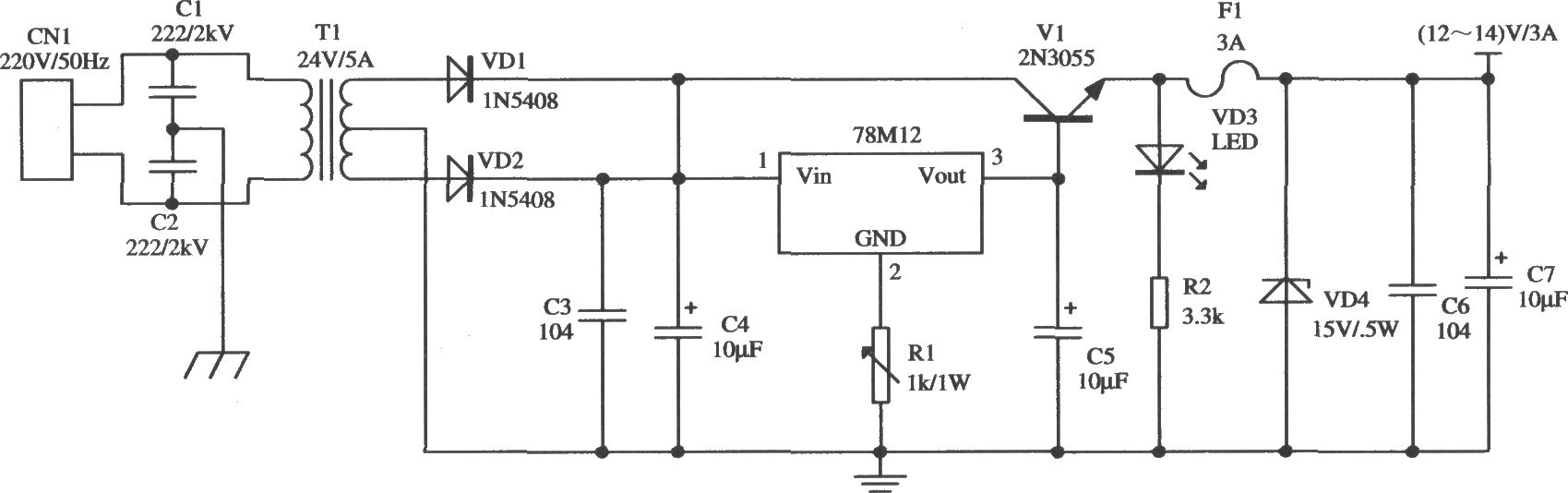
由W78M12构成的输出(12~14 V)/3 A的稳压电路,其中给W78M12外加了一只2N3055功率三极管,就可以把输出电流扩大至3 A,如图所示。
进入了解AET工业互联网专题
SDV软件定义汽车技术专题
2025中国西部微波射频技术研讨会
点击了解订《电子技术应用》杂志送开发板活动
相关内容
改善电源噪声的最实用的方法,值得你收藏
什么是LED数码管显示稳压电源
几种稳压电路的总结解析
车载导航系统的设计架构、电路图都在这儿了
ROHM开创可从48V直接降压到3.3V的DC/DC转换器IC技术
Marvell助力三星推出零售LED改型灯泡系列产品
罗姆开发出业界顶级的超低VF 小型肖特基势垒二极管
测压系统信号的设计与仿真
电源电路相关电路图
更多 >>
IBM PC-XT型显示器的电源电路图
9W/9V输出开关电源电路图
高频开关电源电路图
LG PT-48A82背投彩电电源电路图
绝对可用A4开关电源:日立A3P-
压频变换电路
上传电路图
电路图分类
基础电路
模拟电路
数字电路
接口电路
线性放大
555电路
信号产生
电源电路
稳压电路
开关电源
电池电源
综合电源
传感器电路
温度湿度压力
速度角度位移
气体传感器
液体传感器
物理|光学
消费电子电路
手机电路
电脑电路
消费产品
通信电路
电话电路
遥控电路
无线通信
卫星通信
家用电器电路
厨房电器
房间电器
空调冰箱
电子钟表
音视频电路
音频电路
视频电路
游戏娱乐
控制电路
开关控制
定时控制
保护电路
综合控制
微机单片机电路
光电应用电路
新潮电子电路
电机控制电路
检测测量电路
医疗电子电路
安防电子电路
交通工具电路
工业自动化电路
PLC电路
电力电工电路
特殊应用电路
电子维修
其他行业电路
Copyright © 2005-
2024
华北计算机系统工程研究所版权所有
京ICP备10017138号-2
map