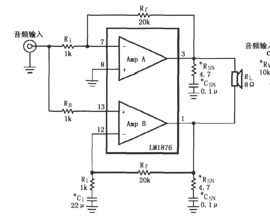
LM1876电桥输出音频功率放大电路
2016-07-05 15:37
如图所示为LM1876的电桥输出音频功率放大电路(图中*元件为根据应用需要选用)。音频输入信号由插座输入,经过隔离电阻Ri和RB加到LM1876的8脚和13脚,内部功率放大器A和功率放大器B构成电桥输出(即为推挽放大),功率放大后从3脚和1脚输出加到扬声器,输出端反馈电阻Rf回放大器输入端7脚和12脚。LM1876电桥输出结构功率放大器的特点是:输出信号摆幅大,是单端输出(一端接地)结构的2倍,从理论上讲输出功率是单端输出的4倍;由于输出功率加大,因此加装散热片应十分仔细,应根据具体应用考虑散热片的参数。
