您的位置:电子技术应用
电路图频道
基础电路
信号产生
电子技术应用杂志过刊一览
进入订阅《网络安全与数据治理》杂志
欢迎查看AET商业航天专题
进入了解AET工业互联网专题
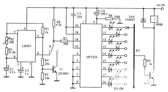
由频率解调电路LM567及多级分频器MPl826构成的精密脉冲振荡器
2017-05-19 10:30
关键词:
振荡器
电路
LM567
由频率解调电路LM567及多级分频器MPl826构成的精密脉冲振荡器
电子技术应用新基建专题
点击进入忆阻器二极管/三极管/场效应管测试专题
《电子技术应用》全年合订本-电子版
点击了解订《电子技术应用》杂志送开发板活动
相关内容
强力推荐!最新JSSC2023论文:30GHz毫米波正交振荡器——低flicker LC类振荡器最后一块拼图
SeeFiberLaser专业版软件及案例:考虑横向模式的双向泵浦振荡器
瑞萨电子面向高性能通信和数据中心应用扩展ProXO振荡器产品阵容
益昂半导体宣布推出Arcadium™系列高性能全硅可编程振荡器
微波频率合成器提供多倍频程覆盖范围和出色的相位噪声性能
晶振、晶体傻傻分不清,带你区分晶振、晶体
什么是延时电路, 6种延时电路工作原理精讲
OLED显示模块基于单片机的电路设计及编程方法
振荡器相关电路图
更多 >>
4GHZ振荡器电路
稳压管高频信号发生器
考毕兹振荡器
70MHz并联晶体振荡器
70MHz晶体振荡器
56~484高频振荡器
上传电路图
电路图分类
基础电路
模拟电路
数字电路
接口电路
线性放大
555电路
信号产生
电源电路
稳压电路
开关电源
电池电源
综合电源
传感器电路
温度湿度压力
速度角度位移
气体传感器
液体传感器
物理|光学
消费电子电路
手机电路
电脑电路
消费产品
通信电路
电话电路
遥控电路
无线通信
卫星通信
家用电器电路
厨房电器
房间电器
空调冰箱
电子钟表
音视频电路
音频电路
视频电路
游戏娱乐
控制电路
开关控制
定时控制
保护电路
综合控制
微机单片机电路
光电应用电路
新潮电子电路
电机控制电路
检测测量电路
医疗电子电路
安防电子电路
交通工具电路
工业自动化电路
PLC电路
电力电工电路
特殊应用电路
电子维修
其他行业电路
Copyright © 2005-
2024
华北计算机系统工程研究所版权所有
京ICP备10017138号-2
map