电气设备过热“刹车声”发声告戒电路
2016-07-05 15:37
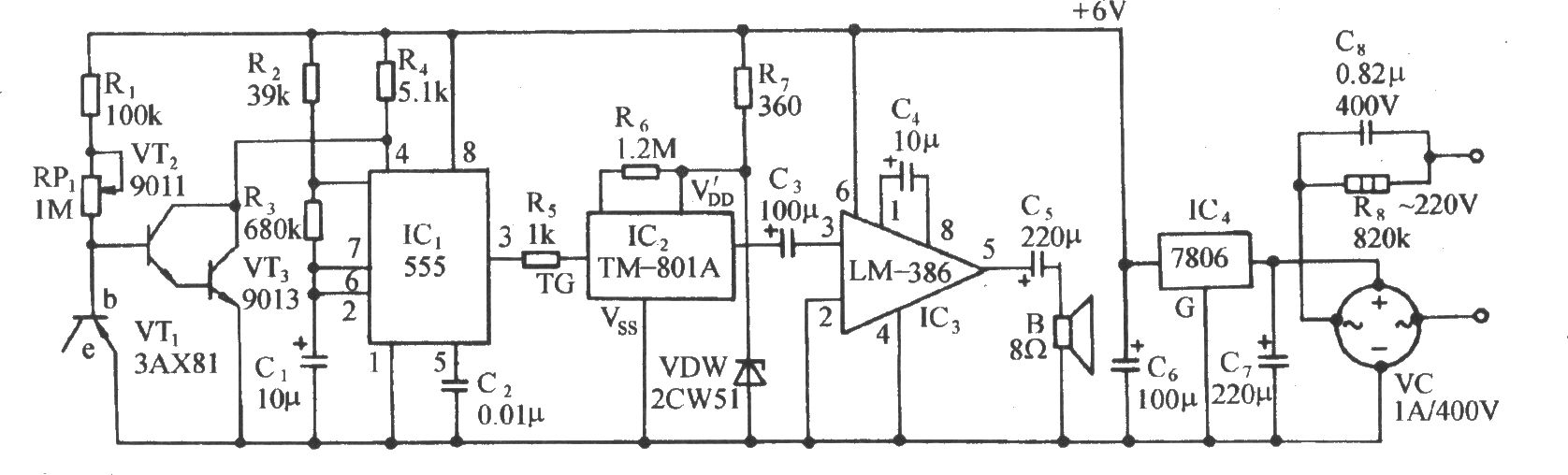
如图是电气设备的模拟声告戒电路。它由温度过热电子开关、可控式多谐振荡器、模拟发声电路、音频功放电路和交流降压整流电路等组成。555和R2,R3,Cl等组成一个可控式多谐振荡器,它的多谐振荡频率为:
图示参数的振荡周期To(=1/fo)为10s。
