声光双控电器开关插座电路
2016-07-05 15:37
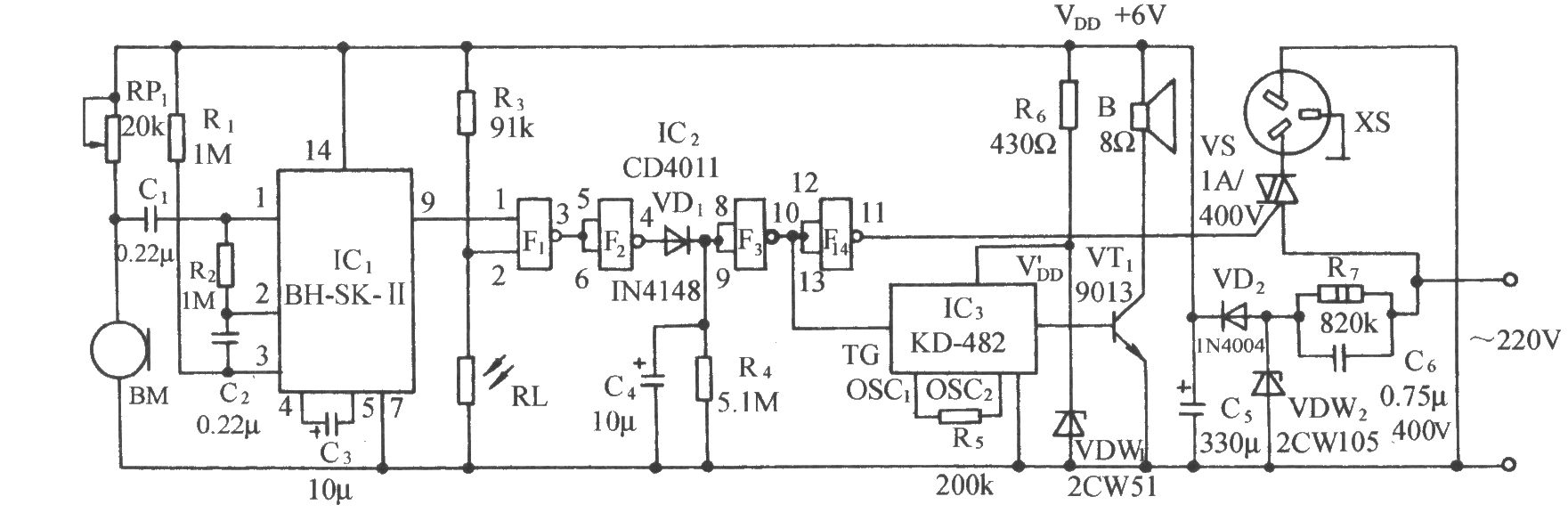
电路如图所示,它由声/电换能传感开关、光控开关、可控硅控制电路、乐曲发声电路和交流降压整流电路等组成。
电路如图所示,它由声/电换能传感开关、光控开关、可控硅控制电路、乐曲发声电路和交流降压整流电路等组成。
Copyright © 2005-2024 华北计算机系统工程研究所版权所有 京ICP备10017138号-2