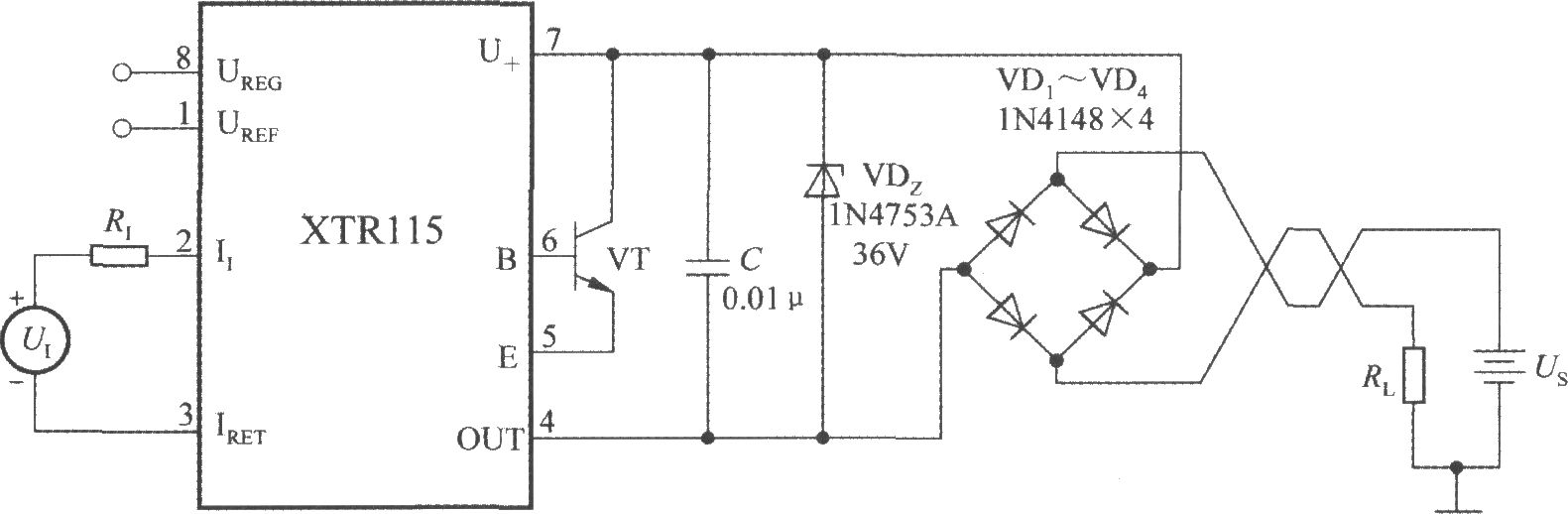
保护电路应兼有反向电压保护与正向过压保护两种功能。XTR115的保护电路如图所示。反向电压保护电路由二极管整流桥VD1~VD4组成,可防止因将环路电源的极性接反而损坏芯片。整流二极管可选用1N4148型高速硅开关二极管,其主要参数为URM=75V,Id=150mA,trr=4ns。采用桥式保护电路之后就不用再考虑环路电源的极性,因为无论Us的极性是否接反,它总能保证U 端接得是正电压。鉴于在任何时刻整流桥上总有两只二极管导通,因此在计算环路电压ULOOP时需扣除两只硅二极管的正向压降之和(约为1.4V),有公式
过压保护电路采用一只1N4753A型稳压管,其稳定电压为36V,稳定电流为7.0mA。当环路电压过高时就被钳位到36V。实验证明,即使环路电压达到65V,XTR115也不会损坏。为了改善瞬态过压保护特性,还可采用Motorola公司生产的P6KE39A型瞬态电压抑制器(其英文缩写为TVS,亦称瞬变电压抑制二极管)来代替稳压管。P6KE39A的钳位电压UB=39V,钳位时间仅为1ns,其性能远优于齐纳稳压管。
