AET网站
资源下载
技术应用
资 讯
电路图
博 客
小 组
云课堂
视频
大学堂
PCB技术中心
登录
|
注册
电路图
您的位置:电子技术应用
电路图频道
传感器电路
物理|光学
欢迎查看AET新能源汽车电子专题
何为现代数字城市?
点击了解国有企业数字化转型专题
欢迎查看AET商业航天专题
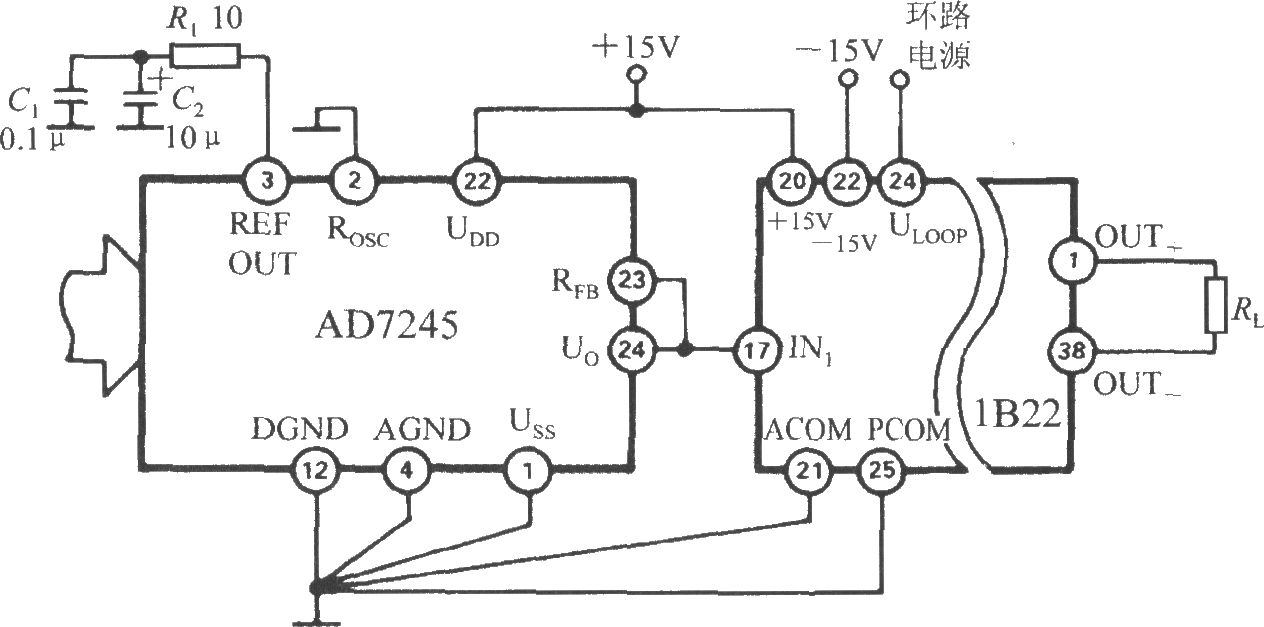
D/A转换器的电流环接口(隔离式可编程电压/电流传感器1B22)
2016-07-05 15:37
关键词:
传感器
电路
1B22
D/A转换器的电流环接口电路如图所示。该电路能将D/A转换器产生的模拟电压转换成隔离输出的4~20mA电流。D/A转换器可选用AD7245(12位DAC)等型号,将其输出电压范围设定为0~10V。利用1B22还可实现电路隔离及输出过电压保护。
欢迎查看AET-ChatGPT专题
北斗导航系统的应用前景和案例展示
进入订阅kaiyun官方注册杂志
点击进入电阻/电容/电感测试专题
传感器相关文章
更多 >>
蓝牙技术联盟发布Bluetooth Core 6.2规范
意法开云棋牌官网在线客服Q3业绩爆雷净利下滑23.9%
国巨成功完成对芝浦电子股票公开收购
三星将赴美新建产线重返苹果相机供应链
MPS发布人形机器人解决方案
豪威集团进入英伟达供应链!
2027年国产芯片自给率最高可达91%
马斯克再次强调激光雷达会让辅助驾驶更危险
传感器相关电路图
更多 >>
HST霍尔传感器常见应用接口电路
ND838几种典型应用电路
HK-1型霍尔接近开关用于数控机床PLC电路
HK-1型霍尔接近开关组成的计数器电路
SH型霍尔开关与射极输出接口电路
SH型霍尔开关与双硅输出接口电路
SH型霍尔开关与单硅输出接口电路
SH型霍尔开关与DTL、TTL连接输出接口电路
上传电路图
电路图分类
基础电路
模拟电路
数字电路
接口电路
线性放大
555电路
信号产生
电源电路
稳压电路
开关电源
电池电源
综合电源
传感器电路
温度湿度压力
速度角度位移
气体传感器
液体传感器
物理|光学
消费电子电路
手机电路
电脑电路
消费产品
通信电路
电话电路
遥控电路
无线通信
卫星通信
家用电器电路
厨房电器
房间电器
空调冰箱
电子钟表
音视频电路
音频电路
视频电路
游戏娱乐
控制电路
开关控制
定时控制
保护电路
综合控制
微机单片机电路
光电应用电路
新潮电子电路
电机控制电路
检测测量电路
医疗电子电路
安防电子电路
交通工具电路
工业自动化电路
PLC电路
电力电工电路
特殊应用电路
电子维修
其他行业电路
Copyright © 2005-
2024
华北计算机系统工程研究所版权所有
京ICP备10017138号-2
map