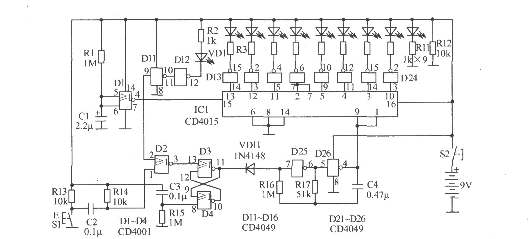
人体反应速度测试器电路如图所示。与非门D25、D26等组成多谐振荡器,输出周期约为50ms的时钟脉冲。IC1组成8位右移寄存器,D1组成的开机延迟电路的输出信号作为其串行输人数据。刚开机时,由于D1输出为“1”,在时钟脉冲作用下,IC1的8位寄存单元迅速全为“1”;3s~4s后,D1输出变为“0”,测试信号灯VD1亮,同时,IC1的8位寄存单元将在时钟脉冲作用下从左至右依次变为“0”,直至被测试人按下停止按钮S1,将D3、D4组成的RS触发器置“0”,使D25、D26停振,IC1处于保持状态,其结果通过驱动电路D13~D16、D21~ D24驱动发光二极管显示。D2的作用是使停止按钮S1只有在测试信号灯VD1亮后才起作用,提前按下无效。
