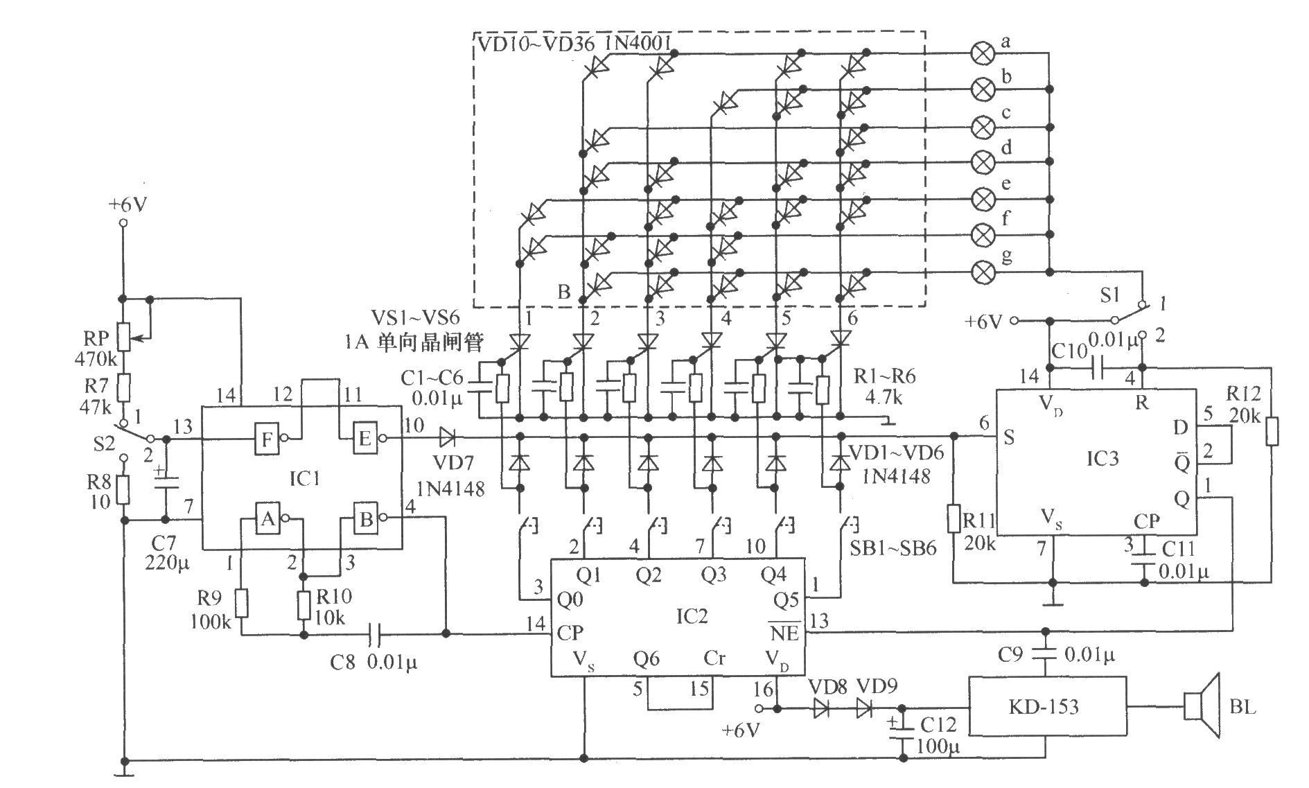
如图所示为多路抢答器电路。它具有如下特点:
(1)路数多,可扩为10个小组使用(图中只画六组);
(2)采用自制的数字大屏幕显示组号,形象直观,可供大会场千余观众观看;
(3)采用脉冲扫描方式,任何情况下都不会出现两组以上同时抢答;
(4)性价比高。该电路只用了3块CMOS集成电路及部分常用元件,造价低廉。
元器件选择:IC1是一块6非门CD4069,只用了其中的A、B、E、F 4个。IC2为一块BCD计数器/时序译码器CD4017。IC3为一块双D触发器CD4013,只用了其中的1/2。KD-153为一“叮咚”声音乐片,触发一次,连响3声“叮咚”声,也可用其他音乐片代替。电源采用6V蓄电池或直流电源。所有电阻均为(1/8)W碳膜电阻;电容除C7、C12为电解电容外,其余均为普通瓷片电容。其他元器件参数如图所示。
