AET网站
资源下载
技术应用
资 讯
电路图
博 客
小 组
云课堂
视频
大学堂
PCB技术中心
登录
|
注册
电路图
您的位置:电子技术应用
电路图频道
新潮电子电路
欢迎查看AET双碳专题
点击查看基础电子测试测量培训视频
进入了解AET工业互联网专题
AET陪你走进工业以太网
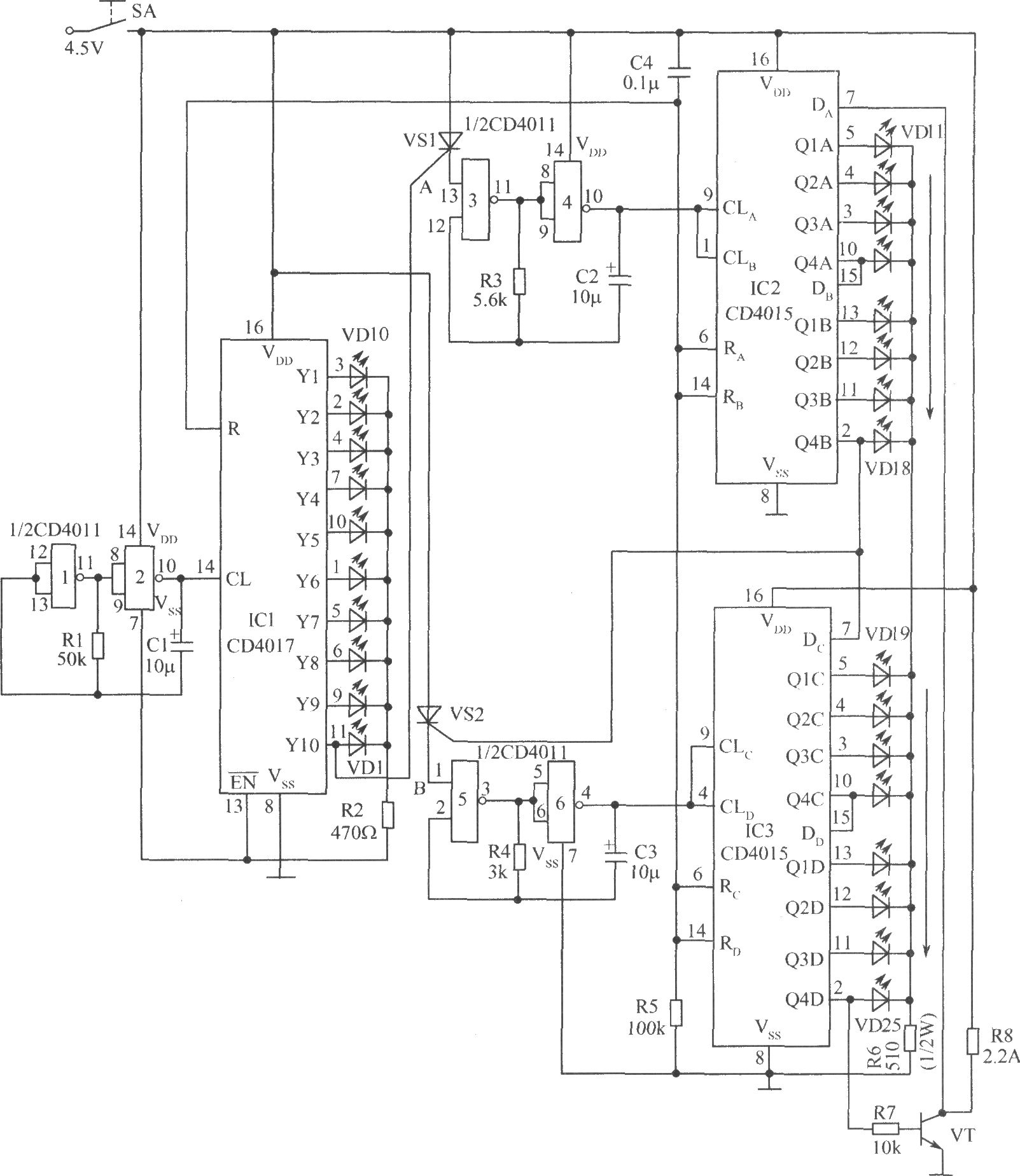
模拟火箭发射的电子游戏电路
2016-11-18 10:03
关键词:
电子产品
电路
电子游戏
模拟火箭发射的电子游戏电路
点击了解订kaiyun官方注册杂志送开发板活动
进入了解AET零信任专题
何为现代数字城市?
欢迎查看AET-ChatGPT专题
电子产品相关文章
更多 >>
贸泽电子第六次斩获Molex年度全球优质服务代理商奖
讲座预告 | 清洗工艺提高组装可靠性
探究表面和界面的神奇世界之开篇
CES 2023 新产品繁多,隐私安全却引发担忧
同比下降超40%!受美国禁令影响,中国开云棋牌官网在线客服设备进口创新低!
晶体管75岁,生日快乐!
深度丨国务院印发《扩大内需战略规划纲要》
触摸显示屏工作原理
电子产品相关电路图
更多 >>
会唱圣诞歌的绿树银花圣诞树电路
随机性电子小玩具电路
郑骰子游戏电路
会唱歌的不倒翁电路
玩具娃娃电路
BA6104五位LED电平表驱动集成电路基本应用电路
人体反应速度测试器
数显干支、生肖推算器电路
上传电路图
电路图分类
基础电路
模拟电路
数字电路
接口电路
线性放大
555电路
信号产生
电源电路
稳压电路
开关电源
电池电源
综合电源
传感器电路
温度湿度压力
速度角度位移
气体传感器
液体传感器
物理|光学
消费电子电路
手机电路
电脑电路
消费产品
通信电路
电话电路
遥控电路
无线通信
卫星通信
家用电器电路
厨房电器
房间电器
空调冰箱
电子钟表
音视频电路
音频电路
视频电路
游戏娱乐
控制电路
开关控制
定时控制
保护电路
综合控制
微机单片机电路
光电应用电路
新潮电子电路
电机控制电路
检测测量电路
医疗电子电路
安防电子电路
交通工具电路
工业自动化电路
PLC电路
电力电工电路
特殊应用电路
电子维修
其他行业电路
Copyright © 2005-
2024
华北计算机系统工程研究所版权所有
京ICP备10017138号-2
map