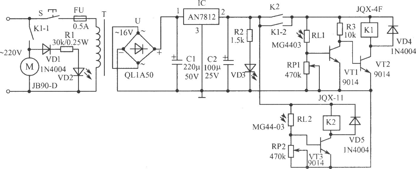
工矿企业中常用的电力搅拌机,因搅拌的物料常有气味或粉尘,操作人员不宜过近接触。如图所示的光控电力搅拌机(或其他电器)电路,可用普通手电筒光线作遥控指令,在10m距离内即可控制搅拌机工作。整个电路可装入塑料盒内,放置在现场使用十分方便。
元器件选择:IC选用AN7812三端稳压集成电路。VT1~VT3选用9014三极管。RL1和RL2选用MG44-03型塑料树脂封装光敏电阻,也可用其他亮阻5kΩ,暗阻≥1MΩ的普通光敏电阻代替。VD2、VD3为一般发光二极管。T为功率8W~10W的电源变压器。其他元器件选用如图所示。
