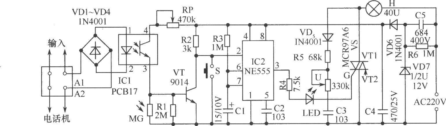
如图所示的电话台灯,当夜间响铃或摘机时灯会自动点亮,挂机后延时45s灯自行熄灭。平时可作一般调光台灯使用,不用灯开关。作延时灯使用时,只要按一下延时轻触按钮,该灯会延时45s后自行熄灭。该电路集多种用途于一体,主要由光电耦合电路、光控电路,负脉冲产生电路、单稳态触发电路、晶闸管开关电路及电源电路组成。图中,IC1选用4脚PC817型号;IC2选用NE555等同类型时基集成电路。VT最好选用9014、3DK4等开关管;VS选用1A、600V~800V双向晶闸管,如97A6、97A8等型号;稳压管为1/2W 12V如2CW60等。MG选用亮阻小于1kΩ的MG45等型号。C5最好选用CBB聚炳烯电容,耐压400V以上。H用25W或45W灯泡。
