红外遥控调光灯
2016-07-05 15:37
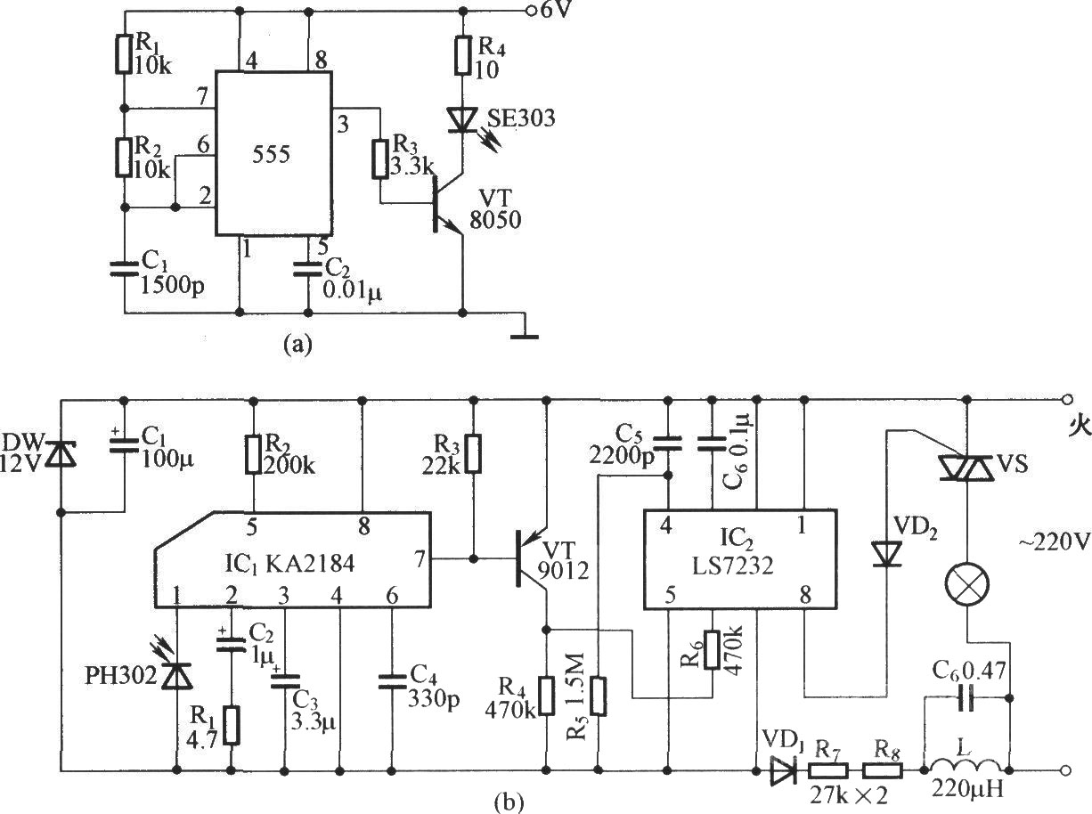
(a)图是红外发射电路.NE555电路产生40kHz的脉冲经过VT放大后由红外发射管SE303向外发射.
(b)图是由KA2184组成的红外遥控接收与调光电路.
LS7232是集成调光电路
(a)图是红外发射电路.NE555电路产生40kHz的脉冲经过VT放大后由红外发射管SE303向外发射.
(b)图是由KA2184组成的红外遥控接收与调光电路.
LS7232是集成调光电路
Copyright © 2005-2024 华北计算机系统工程研究所版权所有 京ICP备10017138号-2