AET网站
资源下载
技术应用
资 讯
电路图
博 客
小 组
云课堂
视频
大学堂
PCB技术中心
登录
|
注册
电路图
您的位置:电子技术应用
电路图频道
通信电路
遥控电路
新型储能技术专题
点击查看ChinaAET RISC-V专题
欢迎查看AET双碳专题
欢迎查看AET商业航天专题
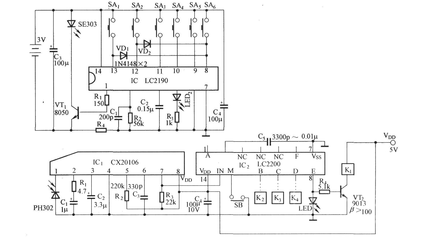
六路红外遥控电源开关
2016-07-05 15:37
kaiyun官方注册特约专栏征稿
点击进入忆阻器测试专题
2025中国西部微波射频技术研讨会
技术沙龙-数据要素资产化为网络安全行业带来的新发展机遇
上传电路图
电路图分类
基础电路
模拟电路
数字电路
接口电路
线性放大
555电路
信号产生
电源电路
稳压电路
开关电源
电池电源
综合电源
传感器电路
温度湿度压力
速度角度位移
气体传感器
液体传感器
物理|光学
消费电子电路
手机电路
电脑电路
消费产品
通信电路
电话电路
遥控电路
无线通信
卫星通信
家用电器电路
厨房电器
房间电器
空调冰箱
电子钟表
音视频电路
音频电路
视频电路
游戏娱乐
控制电路
开关控制
定时控制
保护电路
综合控制
微机单片机电路
光电应用电路
新潮电子电路
电机控制电路
检测测量电路
医疗电子电路
安防电子电路
交通工具电路
工业自动化电路
PLC电路
电力电工电路
特殊应用电路
电子维修
其他行业电路
Copyright © 2005-
2024
华北计算机系统工程研究所版权所有
京ICP备10017138号-2
map