六路红外遥控开关电路
2016-07-05 15:37
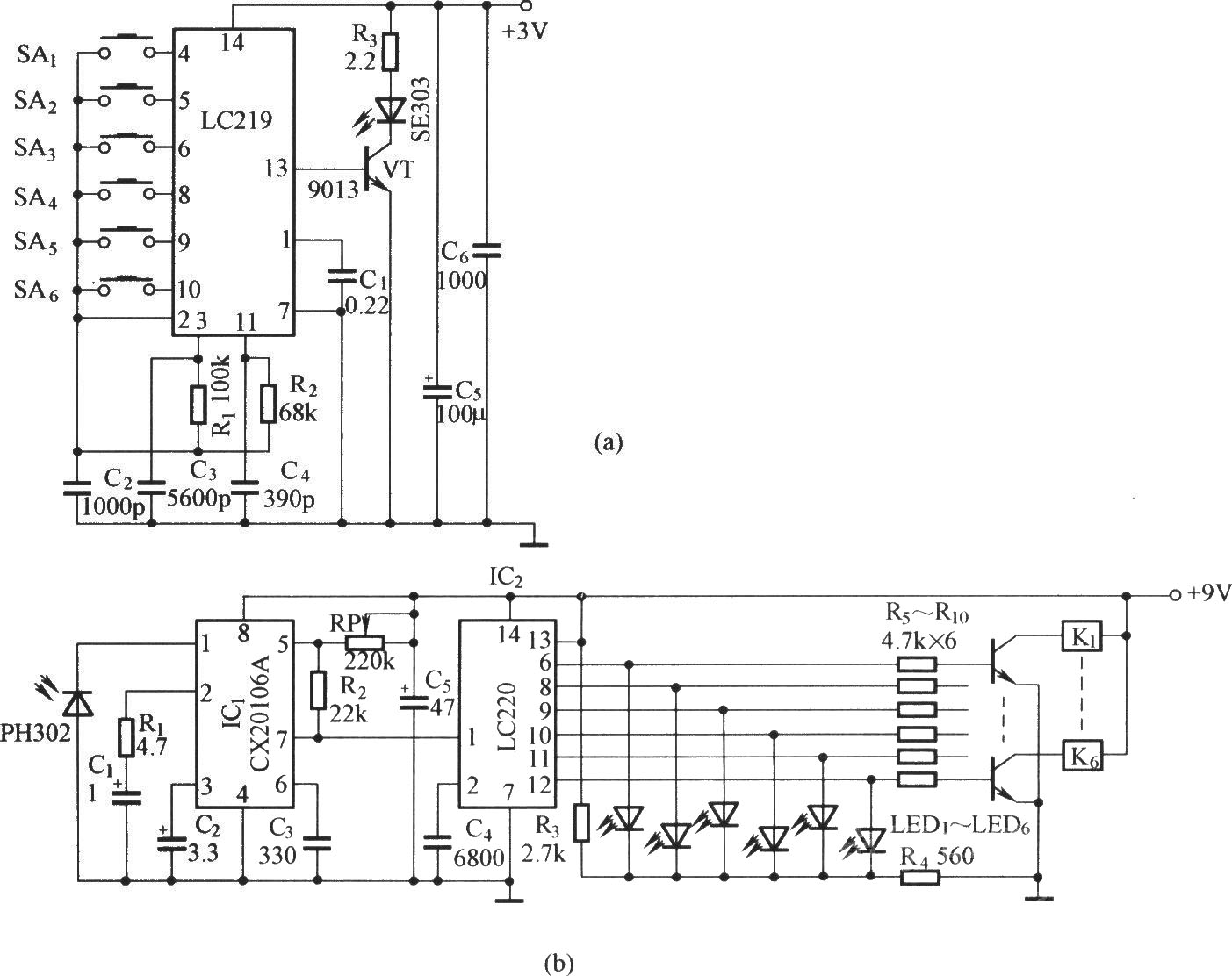
如图所示电路是用LC219/220组成的六路红外遥控开关电路,其中图(a)为遥控发射器电路图,图(b)为接收解码与控制电路图。
如图所示电路是用LC219/220组成的六路红外遥控开关电路,其中图(a)为遥控发射器电路图,图(b)为接收解码与控制电路图。
Copyright © 2005-2024 华北计算机系统工程研究所版权所有 京ICP备10017138号-2