数字显示式光电计数电路之二
2016-07-05 15:37
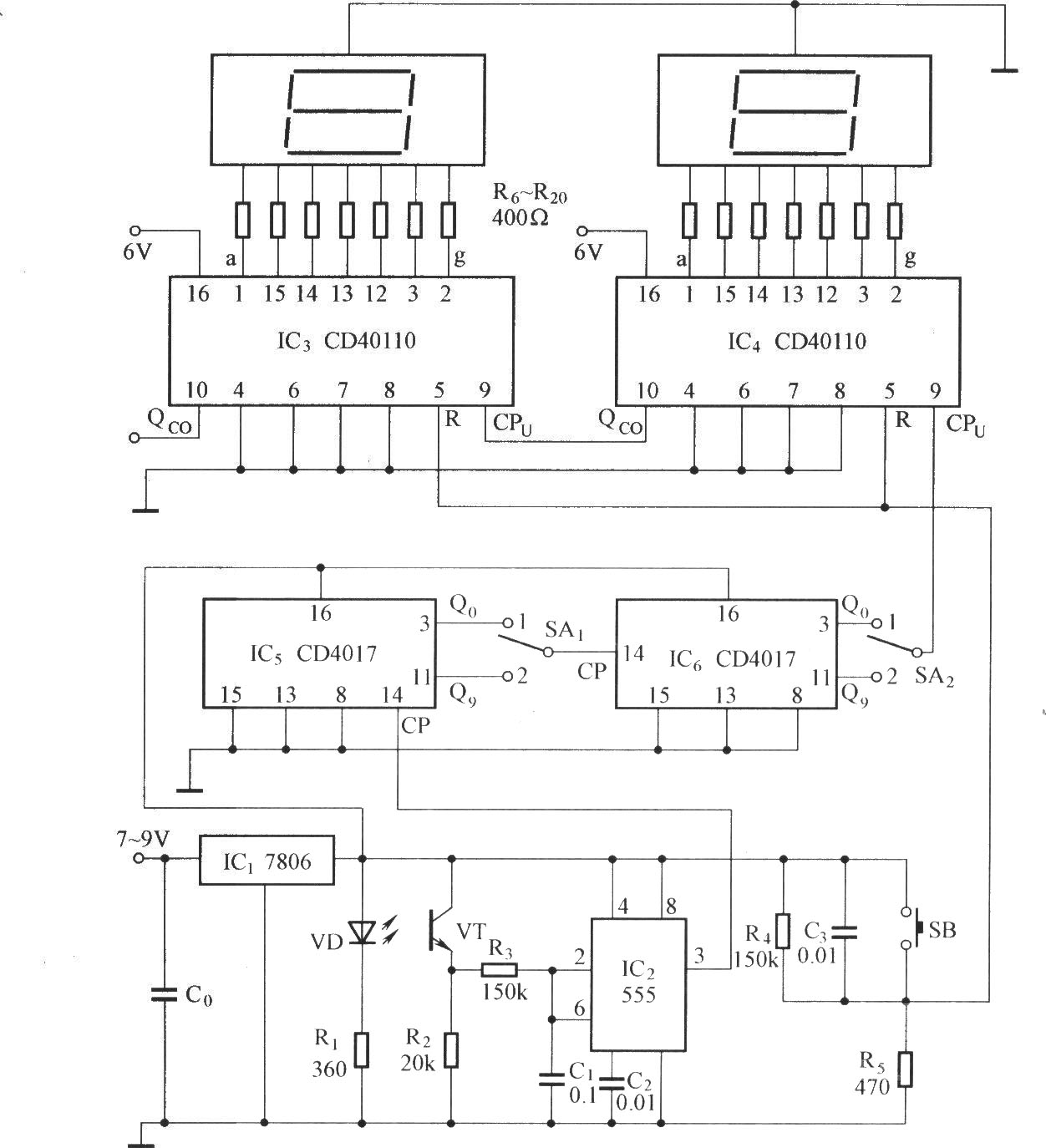
该电路由光电输入电路(VD,VT),计数脉冲形成电路(555),倍率调节电路(IC5,IC6)和计数与显示电路组成(CD40110).
该电路由光电输入电路(VD,VT),计数脉冲形成电路(555),倍率调节电路(IC5,IC6)和计数与显示电路组成(CD40110).
Copyright © 2005-2024 华北计算机系统工程研究所版权所有 京ICP备10017138号-2