单按键双通道红外遥控电路
2016-07-05 15:37
该电路由单按键红外发射器,红外接收和通道解码电路以及控制电路组成。
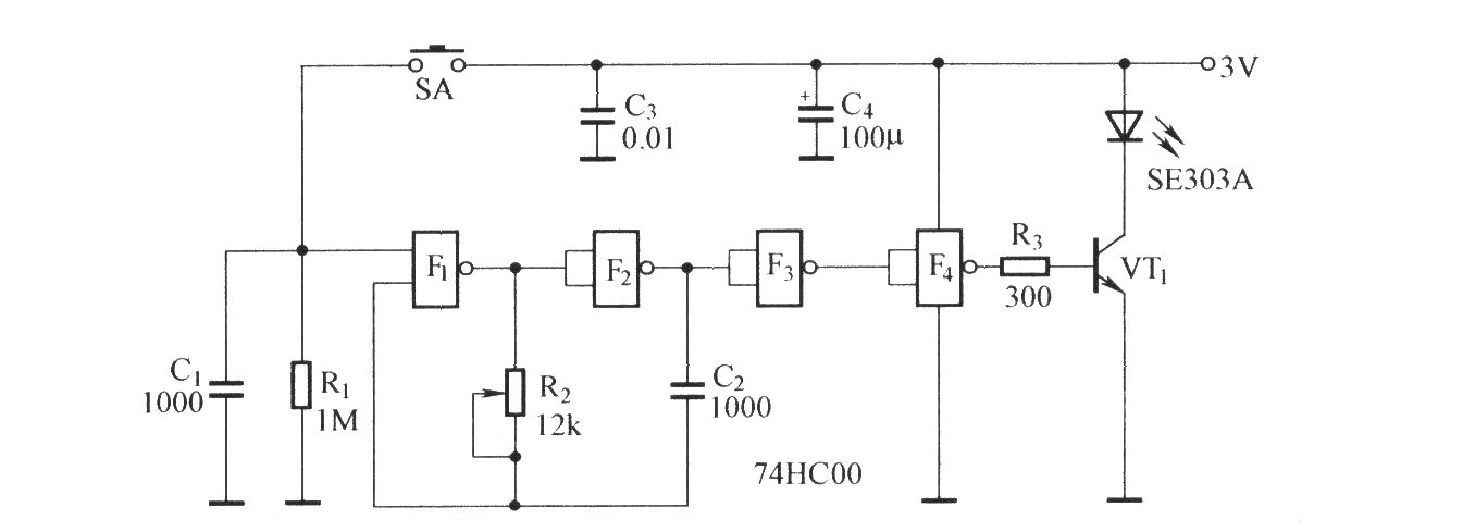
其中,单按键红外发射器由一只四-二输入与非门74HC00组成.如下图:
红外接收和通道解码电路由PH302和CX20106构成.PH302是红外接收管;CX20106是信号处理电路.
两个双稳态电子开关组成了两个通道的开关控制电路,模拟开关S2,门F3及其周围的阻容元件组成受短脉冲控制的开关电路.由S4,F6及其周围元件组成受长脉冲控制的开关电路.
