AET网站
资源下载
技术应用
资 讯
电路图
博 客
小 组
云课堂
视频
大学堂
PCB技术中心
登录
|
注册
电路图
您的位置:电子技术应用
电路图频道
微机单片机电路
点击了解订kaiyun官方注册杂志送开发板活动
什么是数字化转型?
进入了解AET工业互联网专题
网络安全+DeepSeek技术沙龙
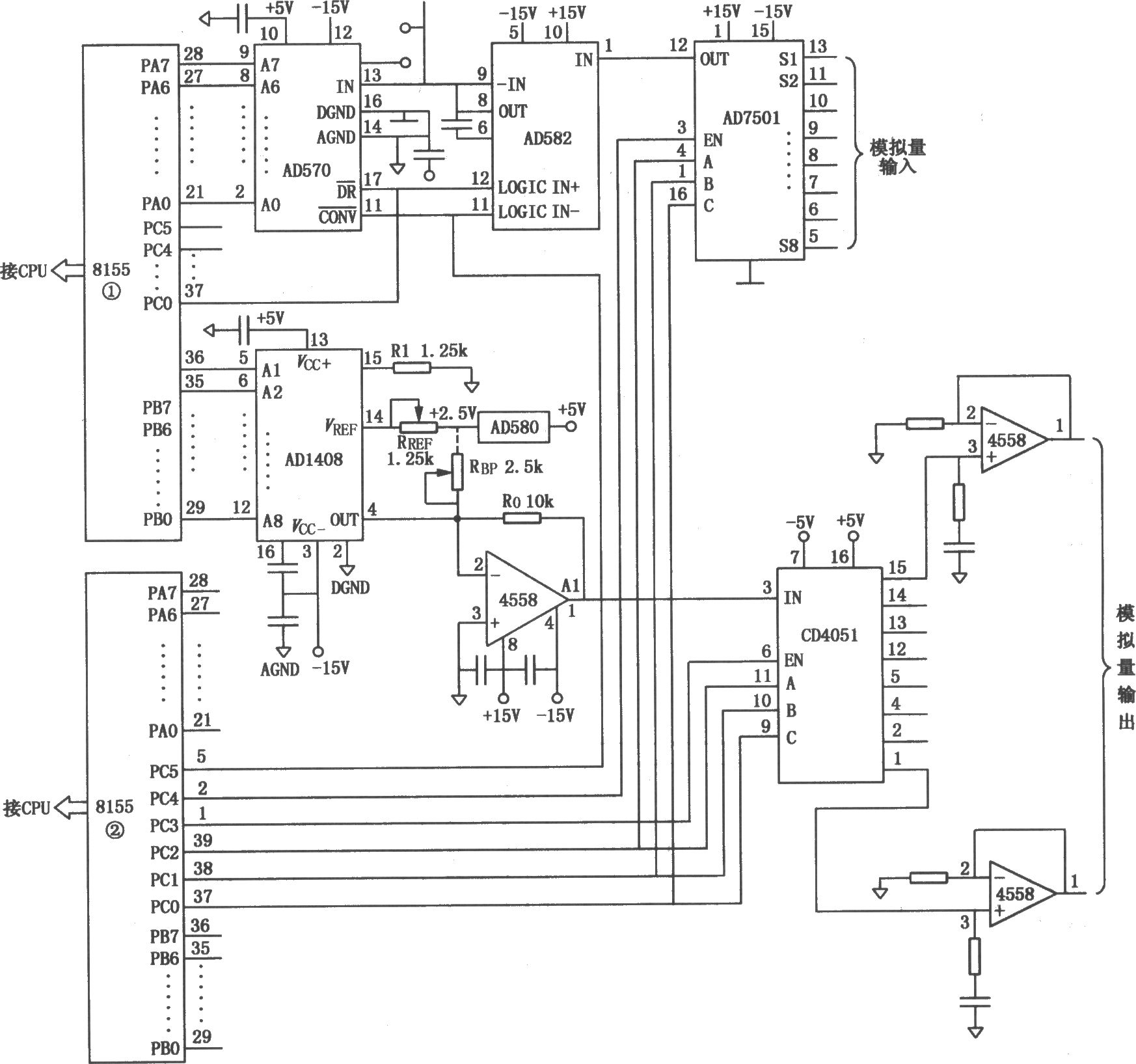
微型机数据采集系统电路(AD7501、AD582、AD1408)
2016-07-05 15:37
关键词:
单片机
AD1408
数据采集
由AD570和AD1408与微处理器CPU8155等构成的微型机数据采集系统电路如图所示。该电路被测量回路有8个通道,顺序测量每一个通道,对每一通道的扫描不超过50μs,系统逻辑电平是TTL、二进制码,数据传输是并行方式。
进入订阅kaiyun官方注册杂志
kaiyun官方注册全年合订本-电子版
点击进入变压器测试专题
欢迎查看AET双碳专题
单片机相关文章
更多 >>
Microchip推出多功能MPLAB® PICkit™ Basic调试器
纳祥科技NX6806 一款国产替代PCF8591的单片机拓展
基于可见光定位技术的智能车导航系统设计
Microchip推出PIC18-Q24 系列单片机
一种低功耗电流/频率转换电路零偏补偿方法
板卡上电时序控制系统的设计和仿真
扫盲:单片机的I/O口驱动的作用分析
教程:如何用51单片机实现交通信号灯
单片机相关电路图
更多 >>
用单片机构成的波形发生器电路
色温自调的LED智能照明系统的设计
计算机风扇电路
HI7159A和8031单片机构成的智能化数字电压表
自动冲水器电路
单片机系统中的掉电保护电路
微型机数据采集系统电路(AD7501、AD582、AD1408)
多编码单片摇控器
上传电路图
电路图分类
基础电路
模拟电路
数字电路
接口电路
线性放大
555电路
信号产生
电源电路
稳压电路
开关电源
电池电源
综合电源
传感器电路
温度湿度压力
速度角度位移
气体传感器
液体传感器
物理|光学
消费电子电路
手机电路
电脑电路
消费产品
通信电路
电话电路
遥控电路
无线通信
卫星通信
家用电器电路
厨房电器
房间电器
空调冰箱
电子钟表
音视频电路
音频电路
视频电路
游戏娱乐
控制电路
开关控制
定时控制
保护电路
综合控制
微机单片机电路
光电应用电路
新潮电子电路
电机控制电路
检测测量电路
医疗电子电路
安防电子电路
交通工具电路
工业自动化电路
PLC电路
电力电工电路
特殊应用电路
电子维修
其他行业电路
Copyright © 2005-
2024
华北计算机系统工程研究所版权所有
京ICP备10017138号-2
map