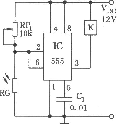
如图所示,电路以555为核心,与光敏电阻RG和RP1等组成。RG随光照的强弱呈现不同的阻值,利用555内部的两个比较器的复位和置位特性,便可组成施密特触发器。当光强时,RG呈低阻,2脚呈低电平(<1/3 VDD触发电平),555置位,K不动作;当光弱时,RG呈高阻,6脚电平高于2/3 VDD阈值电平,555复位,K吸合。
Copyright © 2005-2024 华北计算机系统工程研究所版权所有 京ICP备10017138号-2