您的位置:电子技术应用
电路图频道
基础电路
555电路
Wi-Fi-7第七代无线网络技术专题
AET陪你走进工业以太网
什么是数字化转型?
何为现代数字城市?
低功耗定时开关
2016-12-06 10:44
关键词:
555
电路
定时开关
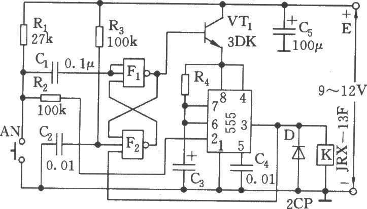
如图所示,本定时电路由于加装了由F1、F2和VT1组成的电子开关,可使555的静态电流降低至l~2μA。当电源刚接通时,由于C2上电压不能跃变,使F2门电路呈高电平,F1输出锁定在低电位,VT1截止,使整个电路的静态电流很小。当按下定时开关AN时,F1的输入端有一负极性脉冲出现,F1输出呈高电平,VT导通,555才有供电电压。同时,因有负极脉冲加至555的2脚,使555置位,K吸合,定时开始。定时时间td=1.1R4C3。定时长短可通过调节R4C3的时间常数来改变。
点击查看ChinaAET Qorvo QSPICE知识专区
进入了解AET工业互联网专题
2025中国西部微波射频技术研讨会
点击查看基础电子测试测量培训视频
相关内容
听一听大学生使用福禄克产品的真实感受
基于EDA技术的555单稳态触发器设计与仿真
555相关电路图
更多 >>
555基本电路集
使用Timer IC555的负电压发生电
555低频振荡器电路及应用
555构成的单稳电路用作分频器
具有50%占空比的倍频器(555)
88~108MHz调频信号振荡器
上传电路图
电路图分类
基础电路
模拟电路
数字电路
接口电路
线性放大
555电路
信号产生
电源电路
稳压电路
开关电源
电池电源
综合电源
传感器电路
温度湿度压力
速度角度位移
气体传感器
液体传感器
物理|光学
消费电子电路
手机电路
电脑电路
消费产品
通信电路
电话电路
遥控电路
无线通信
卫星通信
家用电器电路
厨房电器
房间电器
空调冰箱
电子钟表
音视频电路
音频电路
视频电路
游戏娱乐
控制电路
开关控制
定时控制
保护电路
综合控制
微机单片机电路
光电应用电路
新潮电子电路
电机控制电路
检测测量电路
医疗电子电路
安防电子电路
交通工具电路
工业自动化电路
PLC电路
电力电工电路
特殊应用电路
电子维修
其他行业电路
Copyright © 2005-
2024
华北计算机系统工程研究所版权所有
京ICP备10017138号-2
map