单键双稳开关电路

2016-12-06 10:12

单键双稳开关电路


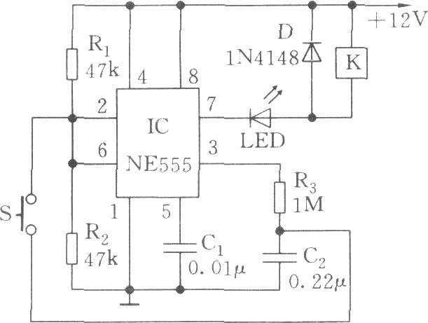
如图所示,电路是以555为核心构成的。注意到R1=R2=47kΩ,接至555的触发端2脚(置位端)和阈值电平端6脚(复位);充、放电的电阻R3、电容C2接至输出端3脚,并通过开关S与2、6脚相连。当S断开时,由于2、6脚均为1/2 VDD=6V,因而,3脚电平或高,或低,具有随机性。若3脚为高电平(约为VDD-l.5V=10.5V左右),则当按一下S时,C2上的充电电压加至6脚,因高于触发电平2/3 VDD,使555复位,3脚转为低电平。同时,因集成片内的放电管饱和导通,7脚为低电平,LED亮,K吸合。由于S按后弹回,成断路,故不管C2通过R3向3脚放电是否放完,不影响电路的状态,即处于低电平稳态。若再按一下S,则已放完电的C2并接至2脚,使555置位,3脚呈高电平,K释放,电路又处于另一种稳态。若用电子开关替代按钮S,则可实现稳态的自动切换和控制。


Baidu
map