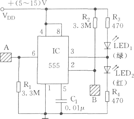
如图所示,电路以555为核心组成。它是利用555的6、2脚分别接基片内部上比较器A1和下比较器A2的同相和反相输入端,即控制其复位和置位状态,来改变其输出状态的。当触摸金属片A时,使555复位,LED,(绿)亮,LED1(红)灭;当触摸金属片8时,LED2亮,LED1灭。若换接继电器,可实现对执行电路的电源通断控制。
Copyright © 2005-2024 华北计算机系统工程研究所版权所有 京ICP备10017138号-2