您的位置:电子技术应用
电路图频道
基础电路
555电路
进入订阅《电子技术应用》杂志
网络安全+DeepSeek技术沙龙
技术沙龙-密码技术与数据安全
《电子技术应用》全年合订本-电子版
RS触发工作原理图
2016-12-06 10:04
关键词:
555
电路
RS触发
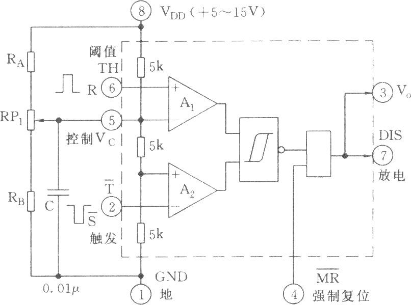
如图是用555作为RS触发器的连接图。如果除去控制端5脚的控制电压,555无需外接任何元件,只要在2、6脚分别加上负、正控制脉冲,就构成了一个RS触发电路。这里的R端是复位控制输入端6脚,也称阈值端(TH);S端是置位控制输入端2脚,即置位触发T端。其输出端(3脚)在芯片内部实际上是推挽输出,其低电平输出只有0.3V左右,高电平接近VDD,具有极强的负载能力;放电端(7脚)是集电极开路(OC)或漏极开路(OD)输出。
电子技术应用杂志过刊一览
SDV软件定义汽车技术专题
进入了解AET工业互联网专题
欢迎查看AET商业航天专题
相关内容
听一听大学生使用福禄克产品的真实感受
基于EDA技术的555单稳态触发器设计与仿真
555相关电路图
更多 >>
555基本电路集
使用Timer IC555的负电压发生电
555低频振荡器电路及应用
555构成的单稳电路用作分频器
具有50%占空比的倍频器(555)
88~108MHz调频信号振荡器
上传电路图
电路图分类
基础电路
模拟电路
数字电路
接口电路
线性放大
555电路
信号产生
电源电路
稳压电路
开关电源
电池电源
综合电源
传感器电路
温度湿度压力
速度角度位移
气体传感器
液体传感器
物理|光学
消费电子电路
手机电路
电脑电路
消费产品
通信电路
电话电路
遥控电路
无线通信
卫星通信
家用电器电路
厨房电器
房间电器
空调冰箱
电子钟表
音视频电路
音频电路
视频电路
游戏娱乐
控制电路
开关控制
定时控制
保护电路
综合控制
微机单片机电路
光电应用电路
新潮电子电路
电机控制电路
检测测量电路
医疗电子电路
安防电子电路
交通工具电路
工业自动化电路
PLC电路
电力电工电路
特殊应用电路
电子维修
其他行业电路
Copyright © 2005-
2024
华北计算机系统工程研究所版权所有
京ICP备10017138号-2
map