双无稳态多谐振荡器电路

2016-07-05 15:37

双无稳态多谐振荡器电路

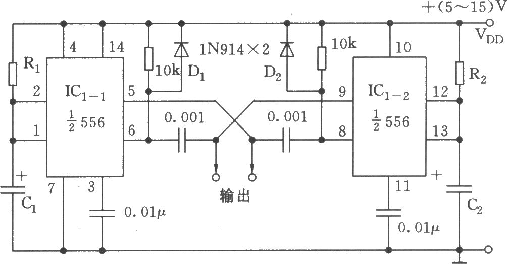
如图所示,该电路由一块双时基电路556组成两个同步的多谐振荡器,可输出同步的两个时钟脉冲信号,其间隔和振荡频率可通过调节时间常数来改变,灵活、方便。当选择C1=C2=C3时,其振荡频率

双无稳态多谐振荡器电路,占空比D取决于R1和R2的值,可达5%~95%。

双无稳态多谐振荡器电路

Baidu
map