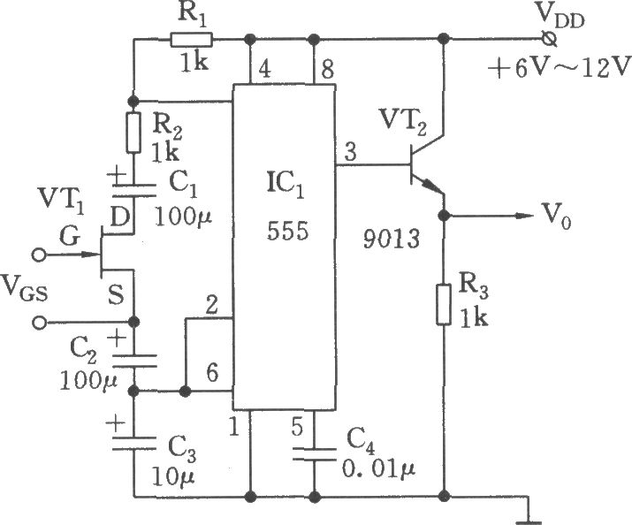
压控振荡电路如图所示。555、R1、R2、C1~C3及VT1组成一个压控多谐振荡器,场效 应管(JFET)VT,作为压控电阻,通过改变其门一源电压VGs可改变VT-的漏(D)、源(S)间的阻抗。接在VT。的D、S的耦合电容C1、C2,用于防止其余电路的直流电压对JFET的影响。为不使耦合电容影响时基电路的充、放电时间,C1、C2的大小宜选为定时电容C3容值的10倍。该电路的优点在于:通过场效应管门一源问电压VGs的变化,使VT1形成一个可调范围很大的可变电阻Rx(可大至几百kΩ),从而获得极大的占空比和周期的变化。
