您的位置:电子技术应用
电路图频道
基础电路
555电路
技术沙龙-数据要素资产化为网络安全行业带来的新发展机遇
点击进入电阻/电容/电感测试专题
进入了解AET零信任专题
什么是数字化转型?
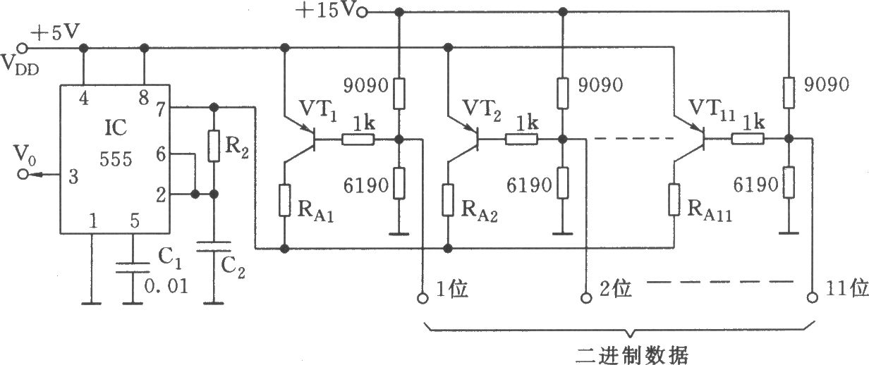
数据控制的可变频振荡器
2016-07-05 15:37
关键词:
555
电路
定时器
如图所示,VT1~VT11的基极偏置电路加进11位二进制数据(高电平为“1”,低电平为“0”),有211=2048种组合。当某一位为低电平时,对应的VT管导通,则C2通过RA R2对其充电,RA为各导通管所接电阻的等效阻值,则振荡频率为
。
网络安全+DeepSeek技术沙龙
点击了解国有企业数字化转型专题
Wi-Fi-7第七代无线网络技术专题
进入订阅《网络安全与数据治理》杂志
相关内容
听一听大学生使用福禄克产品的真实感受
基于EDA技术的555单稳态触发器设计与仿真
555相关电路图
更多 >>
555基本电路集
使用Timer IC555的负电压发生电
555低频振荡器电路及应用
555构成的单稳电路用作分频器
具有50%占空比的倍频器(555)
88~108MHz调频信号振荡器
上传电路图
电路图分类
基础电路
模拟电路
数字电路
接口电路
线性放大
555电路
信号产生
电源电路
稳压电路
开关电源
电池电源
综合电源
传感器电路
温度湿度压力
速度角度位移
气体传感器
液体传感器
物理|光学
消费电子电路
手机电路
电脑电路
消费产品
通信电路
电话电路
遥控电路
无线通信
卫星通信
家用电器电路
厨房电器
房间电器
空调冰箱
电子钟表
音视频电路
音频电路
视频电路
游戏娱乐
控制电路
开关控制
定时控制
保护电路
综合控制
微机单片机电路
光电应用电路
新潮电子电路
电机控制电路
检测测量电路
医疗电子电路
安防电子电路
交通工具电路
工业自动化电路
PLC电路
电力电工电路
特殊应用电路
电子维修
其他行业电路
Copyright © 2005-
2024
华北计算机系统工程研究所版权所有
京ICP备10017138号-2
map