占空比可调的定周期脉冲发生器

2016-07-05 15:37

占空比可调的定周期脉冲发生器

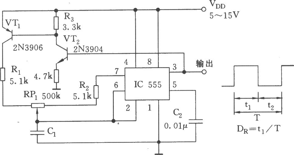
如图所示,电路由555、VT1、VT2、R1、R2、RP1、C1组成一个无稳态多谐振器。从图中可看出,电容器C1的充电和放电回路独立分开,在调节RP1时,只会改变其充、放电时间常数,不会改变其振荡频率。在C1充电到2/3 VDD阈值电平之前,3脚呈高电平,即t1期间,VT2导通,VT1饱和导通,故RVT1,呈现的阻抗很小,即充电时间

占空比可调的定周期脉冲发生器

 

占空比可调的定周期脉冲发生器
,调节RP1,可使占空比在2%~98%范围内变化,而周期不变。

Baidu
map