AET网站
资源下载
技术应用
资 讯
电路图
博 客
小 组
云课堂
视频
大学堂
PCB技术中心
登录
|
注册
电路图
您的位置:电子技术应用
电路图频道
家用电器电路
房间电器
2025年数据要素治理学术研讨会
点击查看基础电子测试测量培训视频
点击进入忆阻器测试专题
电子技术应用杂志过刊一览
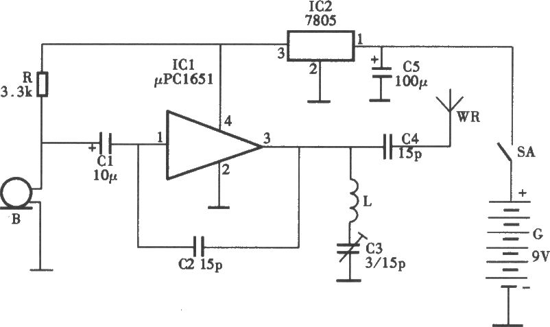
采用MPCI6H的无线话筒电路
2016-07-05 15:37
关键词:
音响
电路
扬声器
采用MPCI6H的无线话筒电路
网络安全+DeepSeek技术沙龙
电子技术应用新基建专题
技术沙龙-密码技术与数据安全
进入订阅《网络安全与数据治理》杂志
音响相关文章
更多 >>
大联大友尚集团推出基于Realtek产品的蓝牙胆石机音响解决方案
当贝C1便携投影仪:随时随地掌控更大屏幕
Vishay推出采用紧凑型封装半球形透镜的蓝色和纯绿色超亮LED,可有效节省空间
大陆集团无音箱音响系统:没有扬声器却能带来立体环绕效果
CES创新设计奖 飞利浦主动降噪蓝牙耳机
大联大诠鼎集团推出基于CSR 蓝牙技术的智能照明+音响一体解决方案
意法开云棋牌官网在线客服(ST)推出创新的汽车仪表盘用数字放大器,带来更好的汽车音响,并提高
TA7233音响功率放大电路图
音响相关电路图
更多 >>
555多功能音响产生器
555突发音响电路
采用SCl088的无线耳机电路
宏声GY9601-3型无线耳机电路
采用TSH5111/TSH512红外立体声耳机电路
高频红外线调谐立体声耳机电路
简易红外线无线耳机电路
采用MPCI6H的无线话筒电路
上传电路图
电路图分类
基础电路
模拟电路
数字电路
接口电路
线性放大
555电路
信号产生
电源电路
稳压电路
开关电源
电池电源
综合电源
传感器电路
温度湿度压力
速度角度位移
气体传感器
液体传感器
物理|光学
消费电子电路
手机电路
电脑电路
消费产品
通信电路
电话电路
遥控电路
无线通信
卫星通信
家用电器电路
厨房电器
房间电器
空调冰箱
电子钟表
音视频电路
音频电路
视频电路
游戏娱乐
控制电路
开关控制
定时控制
保护电路
综合控制
微机单片机电路
光电应用电路
新潮电子电路
电机控制电路
检测测量电路
医疗电子电路
安防电子电路
交通工具电路
工业自动化电路
PLC电路
电力电工电路
特殊应用电路
电子维修
其他行业电路
Copyright © 2005-
2024
华北计算机系统工程研究所版权所有
京ICP备10017138号-2
map