摘要:首先介绍了三电平PWM变换器的特点,比较了空间矢量控制方法、SHEPWM方法和SPWM方法的优缺点。详细地介绍了三电平中SPWM控制的原理,并讨论了用DSPLF2407A来实现SPWM的方法。最后通过仿真和实验验证了SPWM控制方法的特点,实验证实了用DSP实现三电平SPWM的方便性。
关键词:三电平变换器;正弦脉冲宽度调制;数字处理器
1 概述
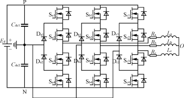
二极管中点钳位型的三电平逆变器的主电路拓扑结构如图1所示。由于二极管的钳位,这种变换器每个功率开关管承受的最大电压为直流侧电压的1/2,从而实现了用中低压器件完成中高容量的变换。另外,由于相电压有三种电平状态,比传统的二电平逆变器多了一个电平,其谐波水平明显低于二电平变换器,输出相同质量电流波形的时候,开关频率可以降低到两电平的1/4。最后,由于采用了不对称的双向开关,能量可以双向流动,可以很好地控制功率因数和实现电机四象限运行。然而,由于这种拓扑结构使用了12个功率管,其控制方法也随之复杂。另外,直流侧中点电位的不平衡也是制约该拓扑的一个重要因素。
图1 三电平变换器主电路结构
三电平变换器的控制方法主要有正弦波调制PWM(SPWM),选择性的消谐PWM(SHEPWM),空间矢量PWM(SVPWM)。
三电平空间矢量控制PWM方法和两电平空间矢量的控制方法一样,也是一种建立在空间电压矢量合成概念上的PWM方法。三电平空间矢量方法的优点主要是电压利用率高,对于二极管中点钳位的变换电路可以利用冗余的电压矢量(一般都是小矢量)来实现直流侧电容电压的平衡;其缺点就是数字实现的时候计算量非常大,尤其是当电平数大于3的时候更加复杂。
选择性的消谐PWM方法,通过开关时刻的优化选择,可以在较低的开关频率下,产生最优的输出电压波形,从而减小了电流纹波和电动机的脉动转矩。在输出同样质量波形的时候,它较其它的方法,开关次数最少,效率最高。因此,在高压大功率的设备上多采用SHEPWM的控制方法。但是,这种方法的一个难点就是在计算开关角的时候,要解超越方程,现在通用的牛顿迭代法中,确定开关角的初值难以选择,计算比较困难。
而正弦波调制的方法的优点主要以下几点:
1)SPWM实现起来比较方便,可以模拟实现也可以用数字来实现,而且用数字来实现的时候,计算量小;
2)可以大大降低输出谐波含量,尤其是低频纹波,它的谐波主要集中在载波频率的K倍的位置,因此在设计滤波器的时候,比较容易实现,而且成本较低;
3)对于任何数电平变换器,调制比可以在所有的工作范围内变化,注入合适的三次谐波,可以实现最大调制比1.15;
4)在载波中注入合适零序列,可以较好地平衡中点电位。
本文在介绍三电平变换SPWM控制理论的基础上,讨论了用DSP来实现三电平SPWM控制的方法,并将仿真结果与实验结果进行了比较。
2 三电平载波调制理论
从图1中可以看到,三电平逆变器的每一个桥臂上有4个开关管,4个反向恢复二极管和2个钳位二极管。以第一桥臂为例,其中开关管Sa1和Sa3的开关控制信号互补,Sa2和Sa4的开关控制信号也是互补的。Sa1和Sa2同时导通的时候,输出相电压为Ed/2;Sa2和Sa3同时导通的时候,输出的相电压为0;Sa3和Sa4同时导通的时候,输出的相电压为-Ed/2。为了确保电路中dv/dt不能太大,必须保证每个桥臂中只能有上面三种情况的两个开关管导通,绝不容许有3个开关管同时导通,但是,由于所采用的开关器件都不是理想的,开关管的开通和关断都需要一定的时间。因此,必须对开关控制信号加入死区时间。从上面分析可知,一个桥臂中,控制信号只有两个独立的控制信号。Sa1和Sa2的驱动控制信号是由2个具有同相位,同频率fc,相同的峰峰值Ac,且对称分布的三角载波和一个峰峰值为Am,频率为fm的正弦参考信号比较得到的。在三角载波和正弦波相交的时刻,如果正弦波的值大于载波的值,则开通相应的开关器件,反之则关断该器件。对于三电平变换器,幅度调制比ma和频率调制比mf定义为
ma=Am/2Ac(1)
mf=fc/fm(2)
图2是调制比为ma=0.9,mf=9的三电平变换器的原理图。
(a)调制原理
(b)A相电压波形
(c)B相电压波形
(d)AB线电压波形
图2 SPWM原理图
3 基于DSP的三电平SPWM的实现
TI公司的TMS320LF2407ADSP是面向电力电子控制领域的,它具有两个事件管理器模块EVA和EVB,能够实现PWM对称和非对称波形;外部引脚PDPINTx快速封锁PWM通道;可编程的死区控制;3个捕获单元;片内光电编码器接口电路;16通道的A/D转换。另外,它还有串行通信接口(SCI),16位的串行外设接口模块(SPI)和控制器局域网络(CAN)2.0B模块。LF2407A可以很好地实现电力电子领域的控制。DSP实现SPWM控制三电平变换器的控制框图见图3。对称的规则采样PWM法比较简单,适合于数字控制的实现,它的原理是在三角载波的峰点(谷点)的时刻采样正弦波调制信号而形成的波形,采样周期Ts为三角载波的周期。用DSP实现SPWM控制的过程中,主要是计算各个载波周期内的开关时间。图4是计算载波周期内开关时间的中断程序流程图。中断程序主要就是计算第N个载波周期内的开关的时间,其中v0为正弦波的幅值。表1是DSP的信号与开关管对应表。表2是各个扇区内CMPRx的值表。
表1 DSP信号和主功率管的对应关系
| PWM1 | PWM2 | PWM3 | PWM4 | PWM5 | PWM6 |
|---|---|---|---|---|---|
| Sa3 | Sa1 | Sa4 | Sa2 | Sb3 | Sb1 |
| PWM7 | PWM8 | PWM9 | PWM10 | PWM11 | PWM12 |
| Sb4 | Sb2 | Sc3 | Sc1 | Sc4 | Sc2 |
表2 CMPRx在各个区内的值
| CMPR1 | CMPR2 | CMPR3 | CMPR4 | CMPR5 | CMPR6 | |
|---|---|---|---|---|---|---|
| Z1 | v0sinθ | T | v0sin(π/3-θ) | T | 0 | T-v0sin(θ+π/3) |
| Z2 | v0sin(θ+π/3) | T | 0 | T-v0sinθ | 0 | T-v0sin(π/3-θ) |
| Z3 | v0sin(π/3-θ) | T | 0 | T-v0sin(θ+π/3) | v0sinθ | T |
| Z4 | 0 | T-v0sinθ | 0 | T-v0sin(π/3-θ) | v0sin(θ+π/3) | T |
| Z5 | 0 | T-v0sin(θ+π/3) | v0sinθ | T | v0sin(π/3-θ) | T |
| Z6 | 0 | T-v0sin(π/3-θ) | v0sin(θ+π/3) | T | 0 | T-v0sinθ |
图3 DSP控制的三电平变换器框图
图4 中断程序流程图
4三电平SPWM的仿真研究
为了研究载波调制的谐波消除效果,采用电力电子专用仿真软件PSIM对图1所示的三电平变换器进行了仿真研究。仿真参数设置载波的频率fc=10kHz,调制正弦波的频率fm=50Hz,幅度调制比为ma=0.9。相电压、线电压的仿真波形如图5(a)所示。从仿真结果不难看出三电平的谐波主要集中在载波频率的倍数的位置,如图5(b)所示,而低次谐波很小。
5 实验模型和实验结果
实验模型的主电路采用12个IRF840开关管,6个钳位和12个反向恢复的二极管MUR860。实验的控制部分主要是基于实验室开发的双DSP数字控制平台。电路的输入的直流电压300V,负载为2.2kW的电动机。开关频率fc=10kHz,ma=0.9。图6(a)是相电压波形,图6(b)是相电压的FFT分析。图7(a)是线电压波形,图7(b)是线电压波形的FFT分析波形。
(a)相、线电压波形
(b)相、线电压FFT分析
图5 相、线电压波形与FFT分析
(a)相电压波形

(b)相电压波形的频谱分析
图6 相电压波形与其FFT分析
(a)线电压波形
(b)线电压波形的频谱分析
图7 线电压波形与其FFT分析
6 结语
上述仿真和实验结果表明,SPWM方法的谐波主要集中在高频部分,因此,对它进行滤波器的设计比较容易实现。三电平变换器在高性能中高电压的变频调速,有源电力滤波装置和电力系统无功补偿等领域有着广泛的应用前景。DSPLF2407A具有多路PWM输出和可编程的死区时间控制,因此,在实现复杂的电力电子领域的控制中具有明显的优势。
