摘 要:介绍用Multisim 仿真软件分析数据选择器工作过程的方法, 即用Multisim 仿真软件中的字组产生器产生数据选择器的各个数据输入信号, 字组产生器的字组内容反映数据选择器不同数据输入端的输入情况, 用Multisim 中逻辑分析仪多踪同步显示数据选择器的各个数据输入信号及输出信号波形, 可直观描述数据选择器的数据选择的工作过程。所述方法的创新点是解决了数据选择器的工作波形无法用电子实验仪器进行分析验证的问题。
0 引 言
数据选择器是具有数据选择功能的组合逻辑器件 , 当在选择控制端加上选择变量时, 可从多个数据输入变量中选择一个为输出函数。
常规的硬件实验测试数据选择器逻辑功能的方法是, 将数据选择器的控制端、输入端分别接逻辑电平开关, 改变逻辑电平开关为逻辑1、逻辑0 观测输出函数的逻辑状态。存在的问题是, 数据选择关系不直观。
用Multisim 仿真软件进行数据选择器工作过程波形仿真分析, 用虚拟仪器中的字组产生器做实验中的信号源产生所需的各个数据输入变量信号, 用逻辑分析仪显示输入变量信号、输出函数信号波形, 可直观描述数据选择器的工作过程及数据选择关系。
1 数据选择器工作过程Multisim仿真实验方法
( 1) 创建电路
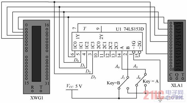
确定字组产生器产生数据选择器所需的各个数据输入变量信号、逻辑分析仪所显示的输入变量及输出函数信号, 将数据选择器的数据输入端接字组产生器、选择控制端接双掷开关, 数据选择器的数据输入端及输出端接逻辑分析仪。
数据选择器从Mult isim 的TT L 数字IC 库中找出, 双掷开关从基本元件库中找出, 字组产生器、逻辑分析仪从虚拟仪器库中找出。
( 2) 设置字组产生器
确定反映数据选择器不同数据输入端输入情况的字组产生器各个字的内容及地址; 在字组产生器中输入字组末地址、依次输入各字组数据, 进行字组信号的设置。
( 3) 仿真运行分析
进行实验仿真, 分析仿真实验结果。
2 数据选择器工作过程Multisim 仿真实验举例
以双4 选1 数据选择器74LS153 做为仿真实验器件, 使用其中的1 个选择器。
式中: A1 , A0 为选择控制变量; D0 ~ D3 为数据输入变量; Y 为输出函数。由式( 1) 得出表1 所示的功能表。


2. 1 仿真实验电路创建
构建仿真实验电路如图1 所示。
字组产生器产生数据选择器的D0 ~ D3 数据输入变量, 逻辑分析仪显示数据选择器的D0 ~ D3 数据输入变量信号及Y 输出函数信号的波形, 数据选择器的选择控制端A1 , A0 的输入状态由开关控制。

图1 数据选择器仿真实验电路。
2. 2 字组产生器输出字组的设计
字组内容反映数据选择器不同数据输入端的输入情况, 输入波形设计、字组内容及地址如图2 所示。

图2 数据选择器输入波形设计、字组数据及数据地址。
在字组产生器的Address 区块的Final 字段输入字组数据的末地址0010, 在Edit 区块以16 进制( Hex字段) 依次输入各字数据0, 1, 2, 3, 4, 5, 6, 7, 8, 9, A, B,C, D, E, F, 0, 完成所有字信号的设置。
2. 3 仿真运行分析
逻辑分析仪显示的波形如图3~ 图6 所示。
图3~ 图6 中, 7 为D0 数据输入变量的波形; 8为D1 数据输入变量的波形; 9 为D2 数据输入变量的波形; 10 为D3 数据输入变量的波形; 1 为Y 输出函数的波形。
由图3 可知, A 1A 0 = 00 时, Y 输出函数的波形和D 0 输入变量的波形相同, 实现选择D0 作输出。
由图4 可知, A 1A 0 = 01 时, Y 输出函数的波形和D 1 输入变量的波形相同, 实现选择D1 作输出。

图3 A1 A0 = 00 时的仿真实验波形。

图4 A1 A0 = 01 时的仿真实验波形。
由图5 可知, A1 A0 = 10 时, Y 输出函数的波形和D 2 输入变量的波形相同, 实现选择D2 作输出。

图5 A1 A0 = 10 时的仿真实验波形。
由图6 可知, A1 A0 = 11 时, Y 输出函数的波形和D 7 输入变量的波形相同, 实现选择D3 作输出。

图6 A1 A0 = 11 时的仿真实验波形。
3 结 语
由于受实验仪器的限制无法对数据选择器工作波形进行硬件实验验证, 主要是现有的信号发生器不能产生多路同步信号, 现有的示波器多为双踪示波器无法同时观测多路波形, 用Multisim 软件仿真解决了这一问题。该方法具有实际应用意义。
