随着电力工业的发展和电网负荷需求的提高,我国正在大力发展特高压、长距离输电技术。高电压导致强电场、电气设备绝缘中的某些薄弱部分在强电场的作用下发生局部放电,同时当架空输电线路表面的电场强度超过空气分子的游离强度(一般在20~30 kV/cm),气体会发生电离,出现电晕放电。因此,为了保障电网线路的稳定运行和停电检修时的安全。采用先进的检测技术对输电线路的状态进行检测具有重要意义。
目前国内外500 kV电压等级及其以下的验电技术已较为成熟,但随着电压等级的提高,目前采用长杆上套装电容型验电器的验电方法已难以满足特高压输电系统发展的要求;同时利用红外成像仪、紫外成像仪、超声波探测仪等检测方法存在成本高、操作复杂、灵敏度低,并对早期的放电危险难以预报,不能定量表示放电程度等缺点。而特高压系统的绝缘要求更高,一般对地距离较远,尤其特高压输电线路塔架高、跨距大、检测地点有时受到地理位置限制。检测距离可能大于80 m,故需要一种灵敏度高、检测距离远、成本低、易于掌握的特高压放电检测方法,根据紫外脉冲法在电气检测领域的研究经验。采用基于紫外脉冲法的放电检测技术。
通过极高灵敏度的日盲型紫外探头,对高压输电线路的放电紫外光进行连续的在线检测,通过计数紫外脉冲数,并结合检测得到的环境参数,从而监测高压输电线路状态。
1 系统总体设计及工作原理
基于紫外检测法的智能型特高压验电器系统的总体结构如图1所示。该系统采用DSP作为现场智能型特高压验电器的核心,其外围由硬件电路组成,用于采集高压输电线路电晕放电信号,并将从紫外传感器采集到的信号通过现场总线CAN传送至上位机,上位机管理系统软件由L-abVIEW开发,主要完成特高压验电器检测参数的显示和信号分析处理功能。

图1 系统的总体结构
2 传感器的选型
紫外线的波长范围是10~400 nm,太阳光中也含紫外线。波长大于280 nm的部分被称为UV-C,几乎全部被大气中的臭氧吸收,因此通过大气传输的98%是315~400 nm的UV-A,2%是280~315 nm的UV-B,低于280 nm的波长区间称为太阳盲区。高压输电线路放电产生的紫外线大部分波长在280~400 nm之内,也有小部分波长在230~280 nm之内,探测这部分波长的紫外线,可作为判断放电的依据。
采用特定的紫外传感器,利用太阳盲区,使仪器工作在波长185~260 nm,而对其他频谱不敏感,去除可见光源的干扰。紫外传感器光谱响应特性的上限取决于阴极材料表面的功函数,必须大于4.1eV,一般用W、Mo、Ni等做阴极材料;下限取决于管壳材料透紫波长,透紫玻璃的极限波长是185 nm,适合应用。
经过比较分析,选用HAMAMATSU公司的日盲型紫外传感器R2868,如图2所示。其技术指标为光谱响应为185~260nm,放电起始电压为280 VDC,工作电压为325±25 VDC,工作电流小于30 mA,灵敏度为5 000 cps,背影噪声小于10 cpm,该传感器的工作波段采用太阳盲区中的185~260 nm波段,该波段不受太阳辐射的干扰,其灵敏度达5 000 cps,可有效检测到电晕放电的紫外脉冲。

图2 日盲型紫外传感器R2868实物图
3 系统硬件设计
本系统采用高性能的数字信号处理器TMS320F2812作为核心处理单元,扩展外围功能电路,如图3所示,主要包括:紫外传感器及其驱动电路、温湿度采集电路、时钟电路、指示电路、存储器扩展电路、JTAG接口电路和CAN通信接口电路等。

图3 硬件系统结构图
3.1 紫外传感器驱动电路
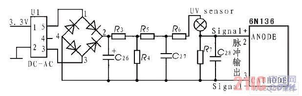
特高压验电器的核心器件是紫外传感器,其工作电源可采用干电池或者太阳能电池,驱动电路如图4所示,为了获得325±25 VDC,前端必须进行DC/AC/DC转换。逆变器U1输入电压为+3.3 V,驱动电路通过桥式整流对逆变器U1输出的交流电压进行整流,再通过C26、R3和R4组成的RC滤波电路进行滤波,调整R3和R4的值,将传感器的工作电压调到325V左右。紫外线入射时,紫外传感器放电,电流由充电电容C27提供,并在电阻R7上产生瞬时电流,输出一个脉冲电压,引入电容C28可将输出的脉冲电压变得平滑稳定;停止放电后,电源向电容C27逐渐充电,阳极电位增加。达到放电起始电压后,如再有紫外光照射到传感器上则再次放电。驱动电路包括信号处理模块,消除了由自然激励光源引起的背景放电信号。

图4 紫外传感器驱动电路
3.2 温湿度采集电路
高压输电线路的电晕放电是一个复杂的过程,利用紫外检测法必须考虑到周围环境的影响。具体表现为:空气污染越严重,空气密度越小,湿度越大,电晕放电越强。这里采用数字式温湿度传感器SHT71,在检测高压输电线路电晕放电的同时,将温度和湿度作为考虑因素,可以更好地检测其放电情况。
3.3 时钟电路
DSP工作是以时钟为基准,如果时钟质量不高,那么系统的可靠性、稳定性就很难保证。在TMS320F2812上,有基于PLL时钟模块,为器件及各种外设提供时钟信号。锁相环有4位倍频设置位,可以为处理器提供各种速度的时钟信号。时钟模块提供2种操作模式:
1)晶体工作模式,该模式允许通过外部晶体为芯片提供时钟基准;2)外部时钟源工作模式,此模式下内部的振荡器将旁路。芯片设备的时钟由外部时钟源从XTAL1/CLKIN引脚上输入。在这种情况下,XTAL1/CLKIN引脚将与外部晶体振荡电路相连。
本系统用20 MHz外部晶体给DSP提供时钟,并使用TMS320F2812片上PLL电路。PLL倍频系数由PLL控制寄存器PLLCR的低4位控制,可由软件动态地修改。
3. 4 指示电路
为了便于选择检测时间和控制背景光等的亮暗,设置了选择、确认,继续和背景灯控制3个按键。在现代显示器件发展中,液晶显示器件以其功耗低、体积小、色调柔和、可与CMOS电路直接匹配和易于实现大规模集成化生产等一系列优点而应用广泛。这里采用了内藏T6963C控制驱动器图形液晶显示模块MGL(S)-12864T实现特定的汉字显示。
3.5 存储器扩展电路
为方便调试和使用方便,设计扩展一个外部数据存储器,采用ISSI公司的ISLV6416。该器件是一片64 Kx16 b的高速静态RAM,采用3.3 V电源供电。这里3.3 V电压信号由电源转换器TPS75733转换实现,该芯片可将+5 V电压转换成+3.3 V,供DSP工作。
4 系统软件设计
4.1 下位机软件设计
下位机软件采用C语言与汇编语言混合编写。系统主程序流程如图5所示。系统上电后先进行各个模块的初始化,然后开中断等待中断事件。当高压输电线路存在电晕放电时,DSP通过捕获单元开始采集电晕放电脉冲数目,然后执行数据处理,最后将数据送液晶实时显示并通过现场总线CAN上传给上位机做进一步处理。

图5 系统主程序流程
4.2 上位机管理系统软件设计
上位机管理系统软件的总体设计方案如图6所示。该系统包含一个主界面,在主界面中主要实现对高压输电线路电晕放电紫外脉冲检测参数和信号波形的显示,并对信号波形采用小波分析的方法进行分析处理。

图6 上位机总体设计方案
5 结论
针对特高压输电线路电晕放电检测问题,采用DSP研制了一种基于紫外检测法的智能型特高压验电器系统,经软硬件联调,实验表明,该系统达到预期要求,具有界面友好、操作方便、多功能和抗干扰较强等特点。电晕放电检测的难点在于如何排除输电线路上的各种干扰,采用小波分析等信号处理的方法提取干扰信号下的电晕放电脉冲信号是下一步的主要研究工作。
