0 引言
随着电力电子技术及大规模集成电路的发展,基于集成SPWM电路构成的变频调速系统以其结构简单、运行可靠、节能效果显著、性价比高等突出优点而得到广泛应用。本文介绍的变频调速系统是以大规模专用集成电路HEF4752为核心构成的控制电路,由HEF4752产生的三相SPWM信号经隔离、放大后,驱动由IGBT构成的三相逆变器,使之输出SPWM的波形,实现异步电动机变频调速。
1 系统硬件电路
整个系统的硬件电路由主电路、控制电路、驱动电路、保护电路等构成,其电路框图如图1所示。
图1 电路框图
1.1 主电路
主电路为AC/DC/AC逆变电路,由三相整流桥、滤波器、三相逆变器组成。三相交流电经桥式整流后,得到脉动的直流电压经电容器滤波后供给逆变器。
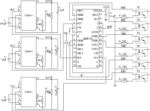
1.2 控制电路
控制电路框图如图2所示。在该控制电路中,分别由三个CD4046产生推迟时钟(OCT)和参考时钟(RCT)、频率控制时钟(FCT)和电压控制时钟(VCT)3路时钟信号供给HEF4752,由HEF4752产生三相6路SPWM波形通过光电隔离后去控制主电路。
图2 控制电路框图
1.3 HEF4752简介
HEF4752是采用LOCMOS工艺制造的大规模集成电路,专门用来产生三相SPWM信号。它的驱动输出经隔离放大后,可驱动GTO和GTR逆变器,在交流变频调速中作控制器件。其引脚如图3所示。

图3 HEF4752引脚图
1.3.1 主要特点
主要特点如下:
1)能产生三对相位差120°的互补SPWM主控脉冲,适用于三相桥结构的逆变器;
2)采用多载波比自动切换方式,随着逆变器的输出频率降低,有级地自动增加载波比,从而抑制低频输出时因高次谐波产生的转矩脉冲和噪声等所造成的恶劣影响。调制频率可调范围为0~100Hz,且能使逆变器输出电压同步调节;
3)为防止逆变器上下桥臂直通,在每相主控脉冲间插入死区间隔,间隔时间连续可调。
1.3.2 引脚说明
HEF4752为28脚双列直插式标准封装DIP芯片,它有7个控制输入,4个时钟输入,12个驱动信号输出,3个控制输出。各管脚功能描述如表1所列。
表1 HEF4752管脚功能
| 引脚 | 名称 | 功能 |
|---|---|---|
| 1 | OBC1 | B相换流开关信号1 |
| 2 | OBM2 | B相主开关信号2 |
| 3 | OBM1 | B相主开关信号1 |
| 4 | RCT | 最高开关频率基准时钟 |
| 5 | CW | 电机换相控制信号 |
| 6 | OCT | 推迟输出时钟 |
| 7 | K | 选择互锁推迟间隔 |
| 8 | ORM1 | R相主开关信号1 |
| 9 | ORM2 | R相主开关信号2 |
| 10 | ORC1 | R相换流开关信号1 |
| 11 | ORC2 | R相换流开关信号2 |
| 12 | FCT | 频率时钟 |
| 13 | A | 复位输入控制 |
| 14 | VSS | 接地端 |
| 15 | B | 测试电路用信号 |
| 16 | C | 测试电路用信号 |
| 17 | VCT | 电压时钟 |
| 18 | CSP | 电流采样脉冲 |
| 19 | OYC2 | Y相换流开关信号2 |
| 20 | OYC1 | Y相换流开关信号1 |
| 21 | OYM2 | Y相主开关信号2 |
| 22 | OYM1 | Y相主开关信号1 |
| 23 | RSYN | R相同步信号 |
| 24 | L | 停止/启动系统 |
| 25 | I | 选择晶体管/晶闸管模式 |
| 26 | VAV | 平均电压 |
| 27 | OBC2 | B相换流开关信号2 |
| 28 | VDD | 工作电压(10V) |
1.3.3 输入引脚功能
1)输入引脚I用来决定逆变器驱动输出模式的选择,当引脚I为低电平时,驱动模式是晶体管,当引脚I为高电平时,驱动模式是晶闸管。
2)输入控制信号引脚K和时钟输入引脚OCT共同决定逆变器每对输出信号的互锁推迟间隔时间。
为防止逆变器同一桥臂的两只管子同时导通,互锁推迟间隔的长短和晶闸管模式下触发脉冲串的频率和宽度,见表2。
表2 互锁推迟间隔与触发脉冲的频率及宽度
| K | 互锁推迟间隔/ms | 触发脉冲频率/kHz | 触发脉冲宽度/ms |
|---|---|---|---|
| 0 | 8/fOCT | fOCT/8 | 2/fOCT |
| 1 | 16/fOCTT | fOCT/16 | 4/fOCT |
根据主电路的要求,选取互锁推迟间隔为td=10μs,这里把K置为低电平,则联锁延迟周期td=8/fOCT,即0.01ms=8/fOCT,故
fOCT=800kHz(1)
3)相序输入引脚CW用来控制电机转向,当引脚CW为低电平时,相序为R,B,Y;当引脚CW为高电平时,相序为R,Y,B。
4)输入引脚L用来控制模块的起动/停止。当IGBT-IPM模块PM25RSK120出现过流、欠压、短路或过热等故障时,故障信号变为低电平。从而使L变为低电平,封锁HEF4752所有的脉宽调制驱动输出,起到保护开关管的作用。在无故障的情况下,L为高电平,解除封锁。
5)控制输入引脚A,B,C供制造过程试验用,工作时必须接到引脚VSS(低电平)。但引脚A还有另外一个用处,即刚通电时,引脚A置高电平初始化整个IC片,被用做复位信号。
6)时钟输入引脚FCT和VCT用来协调控制逆变器的输出频率与电压。引脚FCT控制着逆变器的输出频率fout,从而控制了电动机的转速。在该系统中引脚FCT的时钟频率为
fFCT=3360×fout=3360×55=184kHz(2)
100%调制时的输出频率的最大值fout(M)为
fout(M)=fle
=66×
=58Hz(3)
式中:fle为电动机的额定频率;
Uel为电动机的额定电压有效值。
电路中fFCT在0~184kHz连续可调,对应fout的可调范围为0~58Hz。
电压控制时钟VCT是为保证在调速过程中电机主磁通为恒值,即电机电压与频率比为常数而设置的,频率fVCT由式(4)确定,由fVCT决定输出波形的幅值。
fVCT(NOM)=6720fout(M)=6720×58=390kHz(4)
7)输入时钟RCT是固定时钟,用来设定最大逆变器开关频率fs(MAX),此处选取逆变器开关频率的最大值为2.8kHz,则时钟输入RCT的频率为
fRCT=280fs(MAX)=280×2.8=780kHz(5)
为了简化线路,可使fRCT=fOCT=800kHz,从而省掉了一个多谐振荡器。
值得注意的是:比值fFCT/fVCT(NOM),低于0.5时调制是正弦的;高于0.5时波形向矩形波转变,在2.5左右达到全矩形波输出;高于3时,由于内部同步电路失去作用,波形变得很不稳定,可见3为频率比的上限。在本系统中,fFCT取184Hz,fVCT(NOM)取390Hz,比值为184/390=0.47<0.5,输出波形为正弦波,能够有效地减小谐波,减小电机的振动和噪声,保持好的机械特性。
2 实验结果
以下是对本控制系统,即图2的波形的采样和分析,由于供电电源采用+12V,所以输出电平都为+12V。
图4的三个波形分别是从CD4046的脚3、脚4出来的分别送到管脚VCT、FCT、OCT和RCT的方波波形,其周期分别为2.6μs,5.4μs,1.3μs,对应频率分别为fVCT=390kHz,fFCT=184kHz,fRCT=fOCT=800kHz。
图5是HEF4752的脚2、脚3产生的SPWM波形,从图可以看出它们的波形在相位上是相反的,同时存在死区时间,图5(b)为图5(a)放大后的波形,从图5(b)可以看出死区时间为td=10μs。从脚8、脚9和脚21、脚22输出的波形与此相似。
图6是从HEF4752的脚2、脚9输出的SPWM波形,图6(a)横轴为2.5ms/格,图6(b)为1ms/格。周期都为18ms,输出基波频率fout=55Hz。从图可看出脚2波形落后脚9波形120°。同样脚3、脚8;脚9、脚21;脚8、脚22输出波形与此相似。
3 结语
该电路运用性能良好的集成电路HEF4752,使外围控制电路简单,调试方便,成本低。只须调节CD4046脚9的电位器,就可以在其脚3、脚4获得所需频率的方波,控制方波的频率就可以控制HEF4752输出SPWM信号(基波)的频率、幅值和死区时间,实现交流电机变频调速。其输出波形良好,稳定可靠,实现起来非常方便,故具有广阔的应用前景和实用价值。
