引言
随着电力电子全控型开关器件的出现和发展,脉宽调制技术(PWM)在电力电子变流技术中获得了广泛的应用。相比较于硬件实现方法,采用软件计算的实时PWM控制策略已被接受,并出现了许多不同的PWM波的发生方法,如采样SPWM法、谐波注入PWM法、均值PWM法、等面积PWM法等。更有将逆变器与负载作为整体建立PWM控制策略的方法,如电动机变频调速领域常用的基于电动机气隙磁通轨迹最圆的磁通轨迹法PWM控制、基于电动机电磁转矩自调整的PWM控制、基于状态方程和输出反馈信号推算的无差拍PWM控制等[1]。
文献[2]推导了基于整流器网侧电流矢量推导出同步旋转坐标系下PWM整流器的数学模型,详细介绍了基于电流前馈解耦的PWM整流器双环控制系统设计方法,并应用TMS320LF2407A建立了PWM整流器的DSP数字化系统;文献[3]针对大功率应用场合的单相PWM整流器,探讨了一种适用于单相PWM整流器的网侧电流3次谐波抑制方法,分析了单相PWM整流器的工作原理和网侧电流的3次谐波产生原因,并将该新型谐波抑制方法与常规控制算法进行了分析对比。文献[4]依据冲量效果不变理论,给出了采用直接面积等效法计算三相SPWM波的方法,并进行了基于FPGA的发生器软、硬件设计,取得了较
好的变频调速效果。
等面积PWM法
等面积PWM法的基本思想是使相同时间间隔内的PWM波的面积与调制波的面积相等[1],正弦波等面积PWM法的调制原理为:假定一个周期内PWM波的脉冲数为2N,将参考正弦波的整个周期T分为2N等分,则每个区间的长度为,在第i个区间正弦波的面积为:
![]()
设输出PWM波的幅值为Ud, 采用双极性调制后,第i个区间内的PWM波形平均值为:
![]()
考虑到有,令,由式(1)、式(2)整理可得:

令,
,式中为调制深度。
的表达式中虽包含有三角函数的计算,但它仅与N有关,一旦N确定后,可实现将计算好的存入内存中,需要时通过查表方式获取即可。从k的表达式可以看出,k正比于调制深度而反比于基波频率。对于通用型交流变频调速系统来说,通常使为常数来达到恒转矩控制,若用等面积PWM调制实现时,此时只需使k值为一个常数即可。
综合上述分析,等面积PWM法的脉冲换相点计算公式为:

由于等面积PWM法生成的PWM波形在处是点对称的,因而可推导出

等面积PWM法具有算法简单、占用内存少、产生的PWM波形对称等优点,并且PWM波脉宽与调制深度M存在一定的线性关系,易于实现变频调速的恒压频比控制。
PWM发生器的设计要求
对于变频器来说,采用微机生成PWM波时,必须事先确定好载波比N(或者2N)。如果频率变化较大,那么在整个频率范围内采用同一个载波比的同步调制方案,难以兼顾高频和低频输出时的性能。针对于此,最常采用的方法是分段同步调制,即在不同的频率段选择不同的载波比,使变频器在整个频率变化范围内,都有一个较为合理的PWM开关频率,以获得较好的性能。载波比的选择和切换必须注意以下两点:切换时不出现电压的突变;在各切换临界点处需设置一个滞环区,以避免输出频率落在临界切换点附近时造成载波频率反复变化而引起的震荡现象[1]。
桥臂互锁和死区时间,逆变器同一桥臂上下两管的驱动信号必须互锁通断以防止桥臂直通而发生断路,而且两驱动信号间必须留有一定的死区时间,以防止一管还未完全关断时另一管便开始导通的短路故障。此要求可以在单片机PWM波的计算程序中加以考虑。
初始状态及故障封锁,任何款式型号的CPU,工作前总存在复位状态,此时CPU各I/O输出口为全“1”或全“0”,设计时应避免在此复位状态时造成所有开关管都被驱动导通的危险,因此应将CPU复位时的初始电平值设置成开关管驱动信号无效状态。此外,当发生故障时,也可以通过输出故障封锁信号来关闭驱动信号[1]。
实际设计PWM控制器时,还应考虑满足一般变频系统的要求[5]。对交流变频调速而言,PWM控制器提供逆变器的触发信号,而控制对象是交流异步电动机,具体来说应考虑:①逆变器的要求。在保证桥臂互锁和死区时间的同时,为减少逆变器器件的开关损耗,应合理选择控制器输出的开关频率。②异步电机的要求。低频时,应考虑对电机定子绕组的补偿系数;变频过程应使电压相位平滑转换以保证电机气隙内磁场能连续旋转;可逆旋转时,应先降速到最低频率,然后送出逆序电压,再升频到指定值。另外,整个变频过程还应设置合适的频率变化率,使得电机的动态工作点选在其机械特性的直线段,使频率的变化率与电机转速的跟随相适应。③改善调速性能的要求。本文采用有级同步式控制,即把调频范围划分为7个频段,每个频段内虽然频率以相同级差变化,但频率比P不变,所以输出的脉冲数不变。而各频段之间,输出的脉冲数则随输出频率的减低而增多,这就既保持了输出波形正、负半周完全对称,也改善了低频输出特性,从而就改善了电机的运行性能。
PWM控制器的硬、软件实现
系统硬件实现
图1为PWM波控制的变频调速系统原理框图[1]。

图1 变频调速系统原理框图

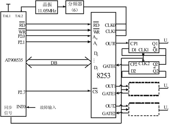
图2 三相PWM波发生器原理图
控制器采用AVR单片机AT90S8535,为满足本文提出的设计要求,单片机的资源分配如下:39引脚的PA1作为A/D采样输入口,采样输出频率;17引脚的INT1外部中断作为电路故障信号(包括过电流、过电压、短路)的输入引脚,该引脚也作为“解除封锁”控制位的输入引脚,其作用在于:当故障发生时,由外部中断输入引脚的信号变化向CPU提出中断请求,CPU响应中断,在执行中断服务程序中输出PWM封锁信号并实现闭锁,直到解除闭锁控制位有效时,才撤销PWM封锁信号,使PWM波能够正常输出。由于AT90S8535芯片复位时端口的初始状态是“高”,因此封锁信号的驱动信号均设置成“低”电平为无效状态,此时端口输出信号使所有功率开关管处于关断状态。由于计算PWM换相所需的开关数据是三相的,因而需要三个PWM波换相定时器,再加上载波周期定时器,共需要4个定时器。由于该单片机没有4个定时器资源,所以需要单片机外部扩展一片具有三个独立通道的可编程计数/定时器8253芯片组成三相PWM发生器,其扩展的硬件连接如图2所示。
系统软件实现
主程序主要完成:各接口芯片的初始化,给相应内存单元赋初值,根据口输入状态判正、反转,升、降速并把判断结果记录在用户设置的标志寄存器中备用。然后分别调用变频子程序和计算子程序,算出产生三相PWM波所需的定时时间并暂存。在此过程中,由于中断一直开放,所以不影响PWM波的实时产生,其流程图如图3所示。
中断处理程序中:故障中断主要用于关A、B、C三相桥臂,封锁逆变器输出,送出报警信号,然后返回。A、B、C三相中断服务程序则完成相应桥臂的触发信号输出,装入新的时间常数,进行中断计数等。由于该过程三相基本相同,图4给出了B相的中断处理程序流程,其中载波周期中产生B相脉冲波形。
这种以单片机为基础的PWM控制器,硬件简单、可靠、软件灵活、易变,可输出较好的PWM波形,能满足一般变频调速系统的要求,特别是利用单片机串行通讯,可十分方便地组成闭环系统。
结语
分析了常见的PWM波算法;分析了等面积PWM法用于交流变频调速系统时,使压频比为常数来达到恒转矩控制的简单实现;详细深入地介绍了等面积PWM法在单片机控制器中的硬件和软件实现方法。
