目前,市面上有许多AM调幅的无线电控制产品,如汽车防盗器、玩具等。它们的遥控器发射电路大多采用LC振荡电路,容易发生频偏,影响遥控距离及操作。如欲对其进行检查或调整则需用频谱仪。频谱仪昂贵、笨重,仅适合于实验室使用。下面介绍的电路可检测AM频率超过900MHz,不但便宜,而且可制成掌上型,易于携带。
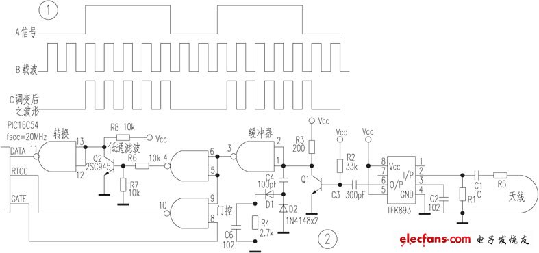
图1为一般AM遥控器发射之波形图(假设信号高电位为1,低电位为0),经载波调幅后由天线发射。
图2为频率计主要电路,由PIC16C54单片机控制计数。VCC为5V,可由12V或9V电池经7805稳压得到。接收天线用电路板上铜箔所形成的环形天线。R1、C1、R5用于调整接收灵敏度,一般来说灵敏度不需太高,以降低干扰的影响。无线电信号经由天线送至TFK893高频分频器除频后,经检波电路送至缓冲器。TFK893分频器之除数是可设定的,这里建议设为64。若除数太大则误差太小,除数设定太小则较高频带无法计数。同时,需注意所选用之NAND门反应速度不能太慢。
将分频之信号分为二路,一路经低通滤波电路送至PIC16C54单片机输入脚(假设为DATA脚),另一路与单片机控制脚(假设为GATE脚)信号作NAND之后送入单片机的RTCC脚。在此只利用2SC945之反应速度不够快,即可去除无线高频载波成分。PIC16C54振荡频率为20MHz,内部计数器来源则需设定为RTCC脚。
由图1可得知:调幅后高频载波信号只出现于信号为1时,因此单片机软件控制流程为:当检测到DATA脚为高电位之瞬间,GATE脚送出高电位,让载波信号通过控制送至RTCC脚,同时将内部定时器清零。当检测到DATA脚为低电位瞬间,则从GATE脚送出低电平关闭RTCC输入,并把定时器之值存入缓存器。此数值即是在GATE开关之时间内(亦信号为1)载波的周期数。
读入的RTCC数,除以GATE开关之时间,再乘以TFK893分频器之除数,即是检测到的频率值。此流程重复数次,再求平均,即可得到相当正确之频率值。再由PIC16C54单片机控制显示电路显示此频率值。以笔者实际测试十余种遥控器,并将测量值与频谱仪的测量值做比较,相差大多不超过200kHz,故一般AM调幅的无线电控制应用是可以接受的。

