变频调速技术现已被应用于各行各业,我公司于2004年起开始将高压变频器应用于水泥行业的电机节能改造,至今已成功用于水泥厂窑尾排风机、高温风机、窑头EP风机、生料磨循环风机的节能改造,取得了许多成功的改造经验,并取得了显著的经济效益。2006年1~2月,我公司对葛州坝水泥厂3#、5#窑的窑尾高温风机及窑头EP风机成功进行了变频改造,下面对改造情况作一总结。
二、变频调速节电原理
异步电动机的变频调速是通过改变定子供电频率f来改变同步转速而实现调速的,在调速中从高速到低速都可以保持较小的转差率,因而消耗转差功率小,效率高,是异步电动机的最为合理的调速方法。
由公式 n=60f/p(1—s)
可以看出,若均匀地改变供电频率f,即可平滑地改变电动机的同步转速。异步电动机变频调速具有调速范围宽、平滑性较高、机械特性较硬的优点,目前变频调速已成为异步电动机最主要的调速方式,在很多领域都获得了广泛的应用。
变频调速具有如下显著的优点:
(1)由设备设计余量而导致“大马拉小车”现象,因电机定速旋转不可调节,这样运行自然浪费很大,而变频调节彻底解决了这一问题;
(2)由负载档板或阀门调节导致的大量节流损失,在变频后不再存在;
(3)某些工况负载需频繁调节,而档板调节线性太差,跟不上工况变化速度,故能耗很高,而变频调节响应极快,基本与工况变化同步;
(4)异步电动机功率因数由变频前的0.85左右提高到变频后的0.95以上;
(5)可实现零转速启动,无启动冲击电流,从而降低了启动负载,减轻了冲击扭振。
(6)高压变频器本身损耗极小,整机效率在97%以上。
对离心式风机而言,流体力学有以下原理:输出风量Q与转速n成正比;输出压力H与转速n2正比;输出轴功率P与转速n3正比;即:
Q1/Q2=n1/n2
H1/H2=(n1/n2)2
P1/P2=(n1/n2)3
当风机风量需要改变时,如调节风门的开度,则会使大量电能白白消耗在阀门及管路系统阻力上。如采用变频调速调节风量,可使轴功率随流量的减小大幅度下降。变频调速时,当风机低于额定转速时,理论节电为
E=〔1-( n′/n)3〕×P×T (kWh)
式中: n-额定转速
n′—— 实际转速
P——额定转速时电机功率
T——工作时间
可见,通过变频对风机进行改造,不但节能而且大大提高了设备运行性能。以上公式为变频节能提供了充分的理论依据。
三、窑尾高温风机系统简介
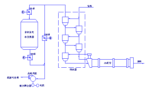
葛州坝水泥厂生产线为干法悬窑,其窑烧成系统流程简图如图1所示。

图1 窑烧成系统流程简图
旋窑是一个有一定斜度的圆筒状物,预热机来的料从窑尾进入到窑中,借助窑的转动来促进料在旋窑内搅拌,使料互相混合、接触进行反应,物料依靠窑筒体的斜度及窑的转动在窑内向前运动。窑内燃烧产生的余热废气,在窑尾高温风机的作用下,通过预热器对进入窑尾前的生料进行预热均化,降温后的余热废气再通过高温风机抽出进入废气处理(除尘及排出)。
葛州坝水泥厂的3#、5#窑,日产分别为2000t、2500t,到现在运行已近多年。生产线原配置的余热发电机组,由于发电成本较高,现已停产。
日产2500t的5#窑生产线,高温风机电机配置为6kV1600kW,窑尾EP风机配置为6kV280kW。日产2000t的3#窑生产线,高温风机电机配置为6kV1400kW,窑尾EP风机配置为6kV260kW。在高温风机的电机与风机之间,配有液力耦合器对风机进行调速,整个工艺过程主要是通过 DCS的控制来调节液力耦合器的速度从而调整风机的风量,达到控制窑内负压。窑尾EP风机依靠风门来进行调节。
由于使用年限较长,目前液力耦合器漏油严重,运行中每天需加油2~3次,以补充漏油,油面调整的控制回路失灵不能自动调节,在运行中靠手动调节置于固定转速比。在运行是时仍靠风机挡板进行风量调节,当窑系统工况变化较大时,现场值班人员根据中控制室的指令对液力耦合器的勺杆进行手动调节,运行操作非常不便。
前段时间,水泥厂准备对两条生产线进行提产,但由于高温风机中液力耦合器漏油严重,出力受到限制,不具备提产的条件,故提产一直未能实现。
2006年1~2月,我公司为该水泥厂2000t、2500t两条生产线的高温风机及窑头号EP风机进行了变频调速改造,目前运行情况良好,2000t的生产线的产量目前达2300t,2500t的生产线的产量目前达2900t,而高温风机变频调节的耗电量还稍少于原液力耦合器调节的耗电量。
四、高温风机变频改造方案
经过对原系统进行分析,对原系统的风压控制由原来的液力耦合器调节改为变频器调节,即取消原液力耦合器,将电机与液力耦合器之间用一连接轴取代液力耦合器连通,而由变频器对电机本身进行调速,最后达到调整窑尾预热器(高温风机入口)的压力为工况要求值。
变频器设备接入用户侧高压开关和拟改造电机之间,如图2所示,变频器控制接入原有的DCS系统,由DCS系统来完成正常操作。

图2 变频器连接图
为了充分保证系统的可靠性,变频器同时加装工频旁路装置,可在故障时将电机切换至工频状态下运行,且切换方式为自动切换。变频器故障时,电机自动切换到工频运行,这时风机转速会升高,风压会发生很大变化,影响窑内物料的煅烧质量,故此时应及时在DCS上对高温风机的风门进行及时调节,降低风机输出风量至工况要求值。
变频器及其工频旁路开关由变频器整体配套提供。电机、高压断路保留了用户原有设备。
根据水泥厂提供的负载参数及运行工况,我公司为3#窑尾高温风机配置SH-HVF系列高压变频器,其主要参数为:变频器型号SH-HVF- Y6K/1800,隔离变压器容量1800KVA,旁路开关柜容量400A。为5#窑尾高温风机配置SH-HVF系列高压变频器,其主要参数为:变频器型号SH-HVF-Y6K/2000,隔离变压器容量2000KVA,旁路开关柜容量400A。
五、改造过程简述
由于原电机控制为液力耦合器调速,为了安装变频器,必须重新设计变频器专用房。根据现场环境,我们选择在高压配电室旁另建一变频器专用房,此地方距高压室较近,动力电缆敷设方便。
由于现场灰尘较大,而变频器为强迫风冷,设备内空气流通量较大,为保障变频器尽量少受外界灰尘的影响,在房间通风设计上,设计了两扇大面积专用进风窗,房间不另设其它窗口,基本上是密闭设计。通风窗采用专用过滤棉滤网,这样使进入变频器室内的空气经过通风窗滤灰,进入变频器室内的灰尘大大减小。
由于本变频器功率较大,为保证足够的通风冷却效果,在变压器柜顶和功率柜顶分别独立安装了一整体风罩,与各自的出风口连成整体,保证变频器整体冷却通风要求。
为减小安装成本,动力电缆保留了原高压柜至电机的电缆,将电缆原接线由高压柜牵至变频器,再重新由高压柜到变频器敷设一根动力电缆,由于变频器房紧邻高压室,此电缆长度较短。
变频改造后,由于需要取消原液力耦合器,我们按照液力耦合器的联接尺寸设计制作了一套直接连接轴来代替液耦。连接轴的基座安装尺寸、轴连接中心尺寸、轴径尺寸、轴与电机及风机侧的连接靠背轮均与原液耦一致,安装时,仅需将原液耦拆除,将连接轴代替液力耦合器,现场仅作少量调整即可达到安装要求,而不用对风机及电机作任何调整,安装方便快捷。
六、变频改造节能情况
变频改造前后,我们对相应的运行数据进行了统计,现将部分数据分析整理如下。
5#窑风机改造前后对比表

3#窑风机改造前后对比表

注:上述数据为改造后窑系统产量增加的条件下风机耗电对比,由于现在产量提高,风机耗电量下降不多,从上两表中可计算出各风机相应的节电功率。
5#窑高温风机节电功率: 1550-1500=50(kW)
5#窑窑尾EP风机节电功率: 154-100=54(kW)
3#窑高温风机节电功率: 1260-1200=60(kW)
3#窑窑尾EP风机节电功率: 138-70=68(kW)
根据我们在设备调试和开窑过程中记录的数据,5#窑在2500t的产量下,高温风机6kV侧电流为约136A,耗电功率约为1360kW,比改造前同产量耗电功率下降约190kW。3#窑在2000t的产量下,高温风机6kV侧电流为约106A,耗电功率约为1060kW,比改造前同产量耗电功率下降约 200kW。按年运行7000小时计算,可推算出两台高温风机的节电量及节电效益。
5#窑高温风机:
节电功率:1550-1360=190(kW)
年节电量:190kW×7000小时=133万kWh
年节电效益:133万kWh×0.5元/kWh=66万元
3#窑高温风机:
节电功率:1260-100=200(kW)
年节电量:200kW×7000小时=140万kWh
年节电效益:140万kWh×0.5元/kWh=70万元
此为估算节电值。变频改造的另一大收益为提高了窑系统的产量近1.2倍,由此而产生的增产效益是非常大的。
七、变频改造总结
根据我公司对水泥厂高温风机的高压变频器的安装及使用情况,总结变频器改造有以下优点。
安装简单,即将原高压开关柜与电动机之间插入安装变频器,对原有接线改动不大。
操作使用方便,变频器操作只有简单的开机、停机和频率调整。
能进行无级调速,调速范围广,且调速精度高,适用性强。
保护功能完善,故障率低,排风机启动平稳,启动电流小,可靠性高。
电动机不需长期高速运行,工作电流大幅度下降,节电效果显著。
由于变频器取代了液耦调速,消除了机械及液压高故障率的缺陷,设备维护费用降低。
电动机运行振动及噪声明显下降,轴承温度也有很大的下降。
交流变频调速器,以适用性强、可靠性高、操作使用方便等性能,受到用户的欢迎。它应用在调速、节电、软启动方面,对企业有很大的实用价值。我公司高压变频器在该水泥厂对四台电机进行了成功的改造,其节能效果明显,且同时提高了整个系统的工艺性能,得到用户的好评,并在当地水泥行业中产生了很大的影响。
八、结语
目前,水泥行业的竞争非常激烈,但关键还是制造成本的竞争,而电动机电耗就占成本近30%,而拖动风机用的高压电动机在电机中占有很大的比重,因此做好电动机的降耗增效工作就显得极为重要。高压变频调速器目前已经比较成熟,是水泥厂节能改造的理想设备,具有很高的推广价值。
