基于ADI的心电监护仪综合系统设计原理
中电网
摘要: 如果单独的做ECG监护仪的话,采用ADI的这个方案,无疑是比较合理的。但我们公司的产品是多参数的医疗监护仪,可以监测ECG,人体呼吸,导联脱落检测,血压,血氧等五项生理参数。
Abstract:
Key words :
如果单独的做ECG监护仪的话,采用ADI的这个方案,无疑是比较合理的。但我们公司的产品是多参数的医疗监护仪,可以监测ECG,人体呼吸,导联脱落检测,血压,血氧等五项生理参数。
ECG测量部分的方块图如下所示:
人体呼吸和导联脱落检测功能对ECG功能模块设计的影响是比较大的。因为呼吸采用的是阻抗测量法。采用阻抗测量法的条件就是要有激励,而且这个激励也是通过心电导联线加到人体上的,这样就产生一个问题:在静态(不进行测量时)就会有激励信号在LL和RA上,经过跟随后就会有激励在仪表放大前端,造成输入不平衡,所以要在LA和C也要有激励,以平衡输入。
在平衡输入后,每个导联线上都有激励信号了,这个激励信号是在KHZ级别的,这样的信号输入到像AD623这样的仪表放大后,降低的它的CMRR,以致在静态时,仪表放大输出端就会有10mV左右的波形,经过后级的滤波放大,可能引起自激震荡。我们看到,在ADI的Demo板上,在跟随前端加入了二阶RC无源滤波。所以,这个在产品上也是有必要的。增加这个无源滤波,可以滤除进入仪表放大的高频激励,保持仪表放大的高CMRR。
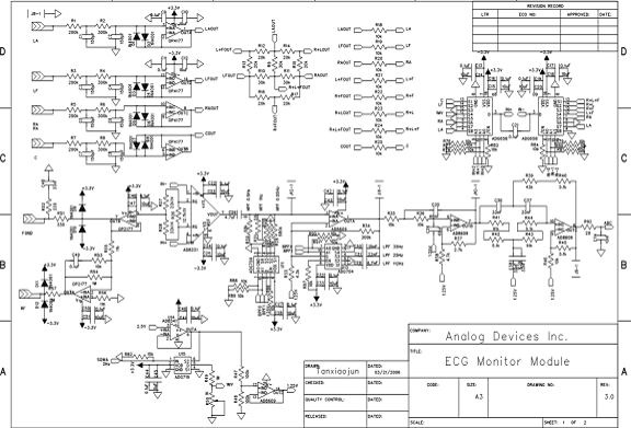
ADI的ECG Monitor Demo板

ECG测量部分的方块图

此内容为AET网站原创,未经授权禁止转载。
