引言
加油机是为机动车辆添加燃油的一种液体体积测量系统,它可以具有IC卡加油、油气回收等功能。用于国内油品贸易结算的加油机应具有税控功能和防欺骗功能。现行方案是使用光电编码器和监控微处理器相互配合,每次加油时,微处理器对比编码器密文发送的油量数据和计量方发送的油量数据,看是否超出允许的精度范围。如超出误差范围,记录相关信息并显示,同时微处理器会禁止加油机加油。但是基于加油机系统的安全性要求,需要设计一个防爆、防作弊、全密封的编码器装置,并且可以工作在恶劣的油气环境中,这就使得光电编码器的应用存在一定的局限性。
Avago AEAT-6600-T16磁性编码器的分辨率高达16位,可在360度整周范围内进行精确的角度测量。将磁技术运用于运动控制和遥感活动中可实现免受机械磨损的非接触式操作。该编码器是一个系统级芯片,在单个器件中整合了集成式霍尔元件、模拟前端及数字信号处理功能。凭借这种高集成度,编码器具有可定制编码器设置的内置可编程能力,为客户大大节省编码器库存。AEAT-6600-T16可以工作在恶劣的油气环境中,并满足加油机设计防爆、防作弊、全密封的设计要求。本文就AEAT-6600-T16做简单介绍。
一、 AEAT-6600-T16磁性编码器
1.特性介绍

AEAT-6600-T16配备了绝对编码器功能和增量式编码器功能。绝对式编码器功能可选择从10、12、14、16bit的4种分辨率,包括右转/左转等条件在内,用户可以利用OTP(one time programmable)功能进行设定。增量式编码器功能可以利用OTP功能设定8种分辨率和4种原点信号宽度。可通过设置ALIGN、PROG、PWRDOWN三个管脚的不同组合设置四种工作模式,如下图所示。

AEAT-6600-T16集成了式霍尔元件、模拟前端及数字信号处理功能,有绝对式编码器及增量式编码器两个模块,结构框图如下。

2.输出信号
经编程设置不同的工作模式后,AEAT-6600-T16可输出以下四种脉冲信号:
2.1.SSI信号输出

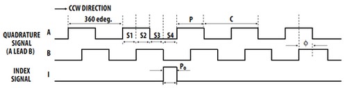
2.2 ABI信号输出

2.3. UVW信号输出

2.4. PWM信号输出

3. AEAT-6600-T16应用外围原理图
二、AEAT-6600-T16在加油机系统中的应用
AEAT-6600-T16磁性编码器在系统中能实现位置信号A、B、I三个通道输出,流量信号经过编码器进行转换后,直接转化为油量数据,加密后发送到监控MCU及计量MCU进行数据处理。

AEAT-6600-T16霍尔效应磁性编码器能够应用于恶劣的油气环境中,并满足加油机设计防爆、防作弊、全密封的设计要求。该编码器能实现高精度,高速率信号检测,具有内置可编程能力,为客户大大节省了编码器库存,还能减少设计的尺寸,降低设计难度。可为严苛的工业应用运行环境提供高级定位信息,如非接触式旋转位置检测、机器人技术、电机反馈和阀门控制以及医疗应用。
