1 引言
sibas 32是德国西门子公司专为铁路机车动车控制而研制的专用微机控制系统,它的全称为siemens bahn automatisierungs system (西门子铁路自动化系统)。sibas 32系统针对驱动装置控制主要功能的发展远景来考虑的,因此对系统提出了极苛刻的要求。sibas 32系统是一种高功能通用计算机系统,它通过标准和专用外围组件可与任意设备相连,基本能够完成机车动车所有的控制和监控任务。sibas 32系统可根据司机指令和牵引回路状态以及响应信号进行相应的处理,对各接触器、继电器、电磁阀、发光二极管或数码管、斩波器等发出控制信号。控制单元同时还能够完成多种监测功能,包括对自身功能的诊断和外部数值的超限监测。当牵引电路在运行中超过预先在程序中设置的上 (或下)限值时,系统将根据故障的严重程度做出相应的处理,自动记录这一故障、产生相应的保护并告知司机。sibas 32系统的最大优点是适用于对各种车辆的控制,不论是相控整流机车、斩波机车还是交流传动机车都可以在其硬件结构基本不变的情况下,通过简单地改换相应的控制程序从而实现对机车的控制。
2 sibas 32系统的特点
sibas 32系统实现了对hxd1型机车的调节和逻辑控制功能,并且对在试验或运行中所出现的故障,可以在较短时间内通过人机界面显示故障并进行相关保护。在机车故障诊断过程中,通过专家2诊断软件(sibas expert 2)分析导致机车出现故障的软硬件,提高检修效率和故障判断的准确度;并可通过monitor 软件进行相关信号的检测与模拟,实时查找故障的发生位置及发生原因,准确无误的判断机车发生故障的部件。sibas 32系统具有如下特点:
(1) 整个机车控制系统采用大容量信号处理器模块和专用的软件功能集成块以及高集成度电路,保证了机车的可靠运行。
(2) sibas 32系统,采用sibas g设计语言,进行逻辑设计与处理。该设计系统支持由输入、编译一直到自动编制文件的整个过程,从而得到一个具有统一设计入口和标准的普遍适用系统。因此,设计新型控制系统无需更改大量的硬件设备,仅需修改部分软件控制逻辑即可达到设计目的。
(3) 为了减少传统的机车车辆布线,设有sibas klip(sks1a、sks1b、sks3)设备(智能外围设备连接终端)。采用sibas klip,可以迅速地综合控制指令和信息,仅仅通过一根简单的双绞电缆作为传输介质,将指令及时准确的传输给中央控制单元。sibas klip站由可编程控制装置(由cpu和simatic存储器组成)、输入端口及输出端口组成。由于它结构结实,拆卸方便,可以自由灵活地布置在机车上。
(4) 为了扩大已经设在sibas 32系统的诊断功能,西门子公司开发了sibas专家系统(sibas expert 2)。利用这种专家系统,可以很简单的利用计算机的辅助功能,对诊断系统存储的数据及内容进行有效的分析,必要时可以扩展或缩减信息查询范围,快速的定位故障所在。
(5) 容量越来越大的智能操作和图象显示设备,能通过串行总线连接实现大容量的人机通信。hxd1机车使用的是彩色液晶显示器。通过扩展这种显示装置的集成计算机容量,可以利用所有为个人计算机开发的工具对其进行相关的修改与补充;而且其内部操作系统采用windows 32系统,维护起来更方便。
(6) 不仅向司机显示所要求的运行信息,也可显示故障时应采取的操作。维修保养人员可以利用这个接口得到进一步排除故障的指示;同时可以调用表示要控制或要更换部件的精确空间布置图样,并且给出附加的操作指示。
由此可见,sibas 32系统将比任何一种机车动车控制系统使用得更加广泛。
1 引言
sibas 32是德国西门子公司专为铁路机车动车控制而研制的专用微机控制系统,它的全称为siemens bahn automatisierungs system (西门子铁路自动化系统)。sibas 32系统针对驱动装置控制主要功能的发展远景来考虑的,因此对系统提出了极苛刻的要求。sibas 32系统是一种高功能通用计算机系统,它通过标准和专用外围组件可与任意设备相连,基本能够完成机车动车所有的控制和监控任务。sibas 32系统可根据司机指令和牵引回路状态以及响应信号进行相应的处理,对各接触器、继电器、电磁阀、发光二极管或数码管、斩波器等发出控制信号。控制单元同时还能够完成多种监测功能,包括对自身功能的诊断和外部数值的超限监测。当牵引电路在运行中超过预先在程序中设置的上 (或下)限值时,系统将根据故障的严重程度做出相应的处理,自动记录这一故障、产生相应的保护并告知司机。sibas 32系统的最大优点是适用于对各种车辆的控制,不论是相控整流机车、斩波机车还是交流传动机车都可以在其硬件结构基本不变的情况下,通过简单地改换相应的控制程序从而实现对机车的控制。
2 sibas 32系统的特点
sibas 32系统实现了对hxd1型机车的调节和逻辑控制功能,并且对在试验或运行中所出现的故障,可以在较短时间内通过人机界面显示故障并进行相关保护。在机车故障诊断过程中,通过专家2诊断软件(sibas expert 2)分析导致机车出现故障的软硬件,提高检修效率和故障判断的准确度;并可通过monitor 软件进行相关信号的检测与模拟,实时查找故障的发生位置及发生原因,准确无误的判断机车发生故障的部件。sibas 32系统具有如下特点:
(1) 整个机车控制系统采用大容量信号处理器模块和专用的软件功能集成块以及高集成度电路,保证了机车的可靠运行。
(2) sibas 32系统,采用sibas g设计语言,进行逻辑设计与处理。该设计系统支持由输入、编译一直到自动编制文件的整个过程,从而得到一个具有统一设计入口和标准的普遍适用系统。因此,设计新型控制系统无需更改大量的硬件设备,仅需修改部分软件控制逻辑即可达到设计目的。
(3) 为了减少传统的机车车辆布线,设有sibas klip(sks1a、sks1b、sks3)设备(智能外围设备连接终端)。采用sibas klip,可以迅速地综合控制指令和信息,仅仅通过一根简单的双绞电缆作为传输介质,将指令及时准确的传输给中央控制单元。sibas klip站由可编程控制装置(由cpu和simatic存储器组成)、输入端口及输出端口组成。由于它结构结实,拆卸方便,可以自由灵活地布置在机车上。
(4) 为了扩大已经设在sibas 32系统的诊断功能,西门子公司开发了sibas专家系统(sibas expert 2)。利用这种专家系统,可以很简单的利用计算机的辅助功能,对诊断系统存储的数据及内容进行有效的分析,必要时可以扩展或缩减信息查询范围,快速的定位故障所在。
(5) 容量越来越大的智能操作和图象显示设备,能通过串行总线连接实现大容量的人机通信。hxd1机车使用的是彩色液晶显示器。通过扩展这种显示装置的集成计算机容量,可以利用所有为个人计算机开发的工具对其进行相关的修改与补充;而且其内部操作系统采用windows 32系统,维护起来更方便。
(6) 不仅向司机显示所要求的运行信息,也可显示故障时应采取的操作。维修保养人员可以利用这个接口得到进一步排除故障的指示;同时可以调用表示要控制或要更换部件的精确空间布置图样,并且给出附加的操作指示。
由此可见,sibas 32系统将比任何一种机车动车控制系统使用得更加广泛。
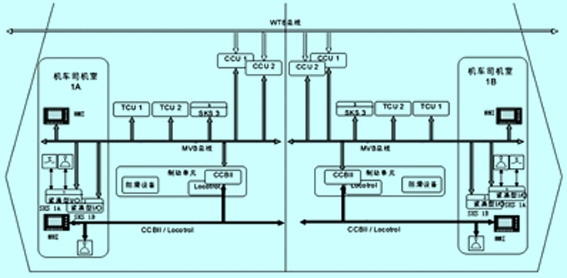
3 sibas 32系统的结构
sibas 32 系统结构简单,采用集散控制模式,由ccu、tcu、mmi和sks1(sks1a、sks1b)、sks3、locotrol等组成,应用于hxd1机车的sibas 32控制框图如图1所示。

图1 hxd1机车控制框图
从图中可以看到,sks1、ccu、tcu等为双机冗备的。通过列车总线最多可以实现2台(4节)机车的重联,通过locotrol可以实现4台(8节)机车的无线重联,这样就为大秦线的万吨重载运输提供了可靠的技术保证。
3.1 中央控制单元 ccu(central control unit type 3)
ccu是整个系统的核心单元,机车的控制、调节和监视由ccu实施和控制。hxd1机车的ccu采用type 3型32位微处理器,由网关gateway、中央处理器cpu、mvb32-4、电源组成,最多可以实现2台(4节)机车的重联。ccu采用冗余设计,每节车有2个ccu,一个主ccu,另一个为从ccu,结构功能完全相同,一个故障后另一个可以继续工作,不影响机车正常运行。
ccu的主要功能是为本节机车参数设置存储、本节机车事件记录、重联机车事件显示、整车通讯检测、通过rs232接口读或转储数据,并且作为机车中央控制单元系统软件上载的输入端口。
3.2 牵引控制单元 tcu(traction control unit)
tcu是机车牵引的核心控制单元,由中央处理器模块、存储器模块、斩波器控制模块、数字接口模块、数字输入/输出模块、模拟接口模块、控制系统检测模块、列车控制信号输入变换模块、数字信号输入转换模块、接触器驱动模块、igbt触发模块、启动单元等组成。其作用是控制和调节机车牵引、再生制动,从电气上实现防空转/滑行保护,并且实现了开闭环控制、速度频率同步、故障处理与监测等功能。
3.3 智能终端接口单元 sks1a、sks1b、sks3(sibas kilp)
sks1a、sks1b、sks3为智能外围设备连接终端,sks1a、sks1b是紧凑设计的数字输入/输出接口,专为司机室所用,它把司机控制指令转化为数字信号,并通过编码将信号传输给ccu;sks3采用分散化输入/输出,减少车内所需布线,增加控制和诊断能力。
3.4 显示器 mmi
每个司机室都有一个显示器mmi,内含一个微机处理单元。mmi提供机车信息状态、故障信息及采取的措施和信息的设定,可以进行中英文转换,操作系统为windows32系统,用户界面采用windows图形界面。mmi通过一个mvb接口与ccu通讯,利用笔记本电脑修改显示器显示的时间、机车号及机车的其他参数。
3.5 列车通信网络 tcn(train communication network)
列车通信网络(tcn)包括列车总线(wtb)和多功能车辆总线(mvb)两部分,采用冗余设计,一路发生故障,数据可以在另一路交换。wtb负责机车a、b两节间及机车间的外部通讯,而mvb负责单节机车内部的通信。
tcn网络物理层由铜质双绞线组成,数据传输速率1mbit/s。wtb总线长度为850m,mvb总线长达200m。为提高tcn总线系统可靠性,tcn总线采用全系统冗余设计技术。每个列车总线节点有四个接口;每单个总线节点有一个普通接口和冗余接口,每个接口连接上一节点以及下一节点;每根总线电缆从一个节点铺设至另一节点并在每个总线节点处形成闭环。在总线终端节点,通过网关上的继电器与匹配电阻相连。
4 sibas 32的图形化原理设计软件sibas g
sibas 32系统一个最突出的特点就是全图形设计,sibas g语言作为开发设计工具。它采用简单的工具就可有效地支持整个设计过程,而且图形设计显示在屏幕上。设计师可应用sibas g程序库的功能集成块,调用最小的集成块构成整个装置的软件。它用鼠标在其功能图上定位,通过简单的输入和输出相互配对连接;而集成块和信号名称,则根据设计要求由设计师确定。因此,在设计、使用、维修和更改时,用户不需要具有相关专业知识就可采用这种工具,而且可以象用传统的方块图一样来进行技术处理。更重要的是,设计师不必考虑与计算机中实际处理程序有关的所有数据的技术条件。sibas 32系统整个功能以几个不同层次的级来表示和处理:控制程序→功能包→功能组件→图象电子放大。最低一级是功能集成块。几个集成块可以合成一个功能组件,几个功能包又由几个功能组件组成,最后所有功能包构成完整的程序。由于从外到内的展开和图象电子放大,在采用这个系统工作时,可以直接存取想要变更的子功能。另外,在细微部分可以用最大分辨率处理,而在其他情况下也可选用一目了然的密集表示法。
图形设计可用所需要的代码在计算机内进行自动编译过程,并且同时进行检验。不过,在功能图输入时还不能进行很多的检查,所以接着要使用一种经检验过格式的可运行计算机程序。sibas g的结构采用手工操作,而且完全是针对文件编制设计的,在设计的同时自动地为控制功能提供文件,所以总是利用实时的资料进行工作。这种计算机程序和文献中文件的持续密度,在质量(它能够做到什么疏忽也没有)和耗时(工作资料总是实时资料)方面有重大进步。因此,屏幕显示与文件显示完全一致。
功能集成块本身用c程序语言写入。正是因为应用这种高级语言,使得sibas g本身与目标处理器无关,所以能简单地更换新型处理器。值得一提的是sibas g生成的程序与处理器有关,并且在变换处理器型号时必须更换。这样保证将来对硬件也能够改进,而不必开发风险很大的软件,更不用增加过多开发费用。
从图2中可以看到:左侧为项目列表(7.00版本为48个项目),中间为详细列表,右侧为详细的逻辑控制原理图。从图中也可以看到,ccu的控制软件是由相关的信号通过逻辑关系进行控制的,并且通过monitor软件可以对相关的逻辑进行测试,从而加快判断故障的速度;亦可通过修改相关的信号进行故障的模拟,以达到故障的再现。由于技术转让的原因,关于ccu的软件设计已经交付给株洲电力机车有限责任公司,本文不在细述。

图2 sibas g软件设计界面
5 诊断软件(sibas expert 2)的应用
当机车进入机务段整备场后,检修人员利用笔记本电脑上的程序sibas expert com 通过rs232端口下载机车a、b节数据,将数据发送到段局域网服务器。这样,技术人员就可运用sibas expert 2(客户版)软件进行分析。sibas expert 2软件是一个可以在windows 2000,windows xp下运行的32位应用程序,目前不适宜在windows vista上使用。根据中国用户的要求,西门子已对软件进行了汉化,使用非常便捷。
5.1 诊断软件的安装
用户使用西门子提供的cd安装盘及安装方法来安装sibas expert 2程序,由于西门子公司进行技术保密和保护机车设定数据,用户使用的是客户版。但是通过技术转让及其他技术手段,目前相关的用户权限已经基本上拥有。虽然软件的实际功能已经不受相关限制,但是西门子公司对tcu的详细数据是通过dsp软件进行下载及分析的,目前中方无相关的软件,正在试图研制过程中。
5.2 分析数据、查找故障
(1) 分析数据。首先,在程序栏中打开sibas expert 2.exe,单击
将需要诊断的机车数据导入。然后,在sibas expert 2界面下,单击
启动普通表格,可以看到ccu及tcu发生事件的详细记录。如何通过分析ccu、tcu的事件记录迅速判断故障位置?下面以hxd1 0077机车b节机车发生的故障为例,探讨hxd1机车故障的查找方法。
例如:2008年9月5日,hxd1 0077机车多次出现因为tcu原因跳主断的情况,通过分析下载数据发现,在短短几秒之内,同时发生了34种故障,因代号为85的“检测到接地故障”故障最早发生,同时检测到故障代码为86“检测到逆变器接地故障”,于是封锁了逆变器及tcu2的自动开关发生短时断开。
(2) 查找故障。由于主逆变器的接地检测是通过中间直流环节电压传感器的输出电压数字与接地环节电压传感器的输出电压数字之间的比率进行判断的,所以根据故障代码85、86可以判断出故障可能为以下几种:
确实存在接地故障,即第3、第4电机接地及主逆逆变模块到第3、第4电机间接线接地;检测回路出现故障,即接地电阻阻值不正确或接地电压传感器故障;判断回路出现故障,即tcu2的电压传感器输入板(l095)或主逆变器电压控制及监测板(g019)故障。
现场通过测试信号$zfqmd及$tcntqmd信号正常(频率代码为3,延时为600)。故判断tcu硬件没有问题,也就是说第三种故障类型不存在,测试电机无接地。对调两节机车的接地电阻及接地电压传感器,进行机车高低压试验,机车再次出现同一故障。于是故障应为主逆逆变模块到第3、第4电机接线。通过吊装辅助变压器,发现机车第3、4电机接线柱烧损接地,电机接线柱烧损,设备更换后机车运行正常。
6 结束语
随着我国在交流传动控制技术方面的发展,现场运用单位要不断的深入研究sibas 32微机控制系统,这样才能逐步实现国产化,从而达到新技术引进、吸收、消化、再创新的目的。此外,伴随着我国交流机车的大量运用,现场运用单位将会越来越多的依靠分析软件来进行分析、处理问题,这对我国的国产机车设计制造具有很好的借鉴作用。
