中心议题:
EPS均衡式充电装置设计方案:
- 高频反激式变换器
- 电流控制型脉宽调制器
- 输出反馈控制器
- 充电浮充电状态指示
- 外部断线告警
1 概述
EPS应急电源一般由主电源和应急电源两部分组成。主电源一般来自电力系统或电网, 正常时,消防用电设备由主电源供电。应急电源的作用是当主电源发生故障而停电时, 保证各种消防设备( 消防给水、消防电梯、防排烟设备、应急照明和疏散指示标志、应急广播、电动的防火门窗、卷帘、自动灭火装置) 和消防控制室等仍能继续运行。在消防电源中设置EPS应急电源是确保消防电源向消防用电负荷可靠供电的重要措施之一。
目前, 消防应急电源主要有三种类型: ①独立正常电源的专用馈电线路; ②自备柴油发电机组; ③由蓄电池组构成的交、直流供电电源。由蓄电池组作为备用电能的应急电源( 即所谓的静态EPS) 可分为直流静态EPS和交流静态EPS两种。
不管是直流还是交流EPS,对于蓄电池组实现最佳充电、保养和维护,以确保蓄电池组在应急情况下能够处于满容量状态是保障EPS应急电源可靠工作的关键。目前, 在我国消防电源中大量使用的静态EPS, 对于蓄电池组的充电一般采用串联集中式充电方式, 即由一个集中式充电装置实现对串联电池组充电, 如图1所示。这种充电方式的优点是充电设备简单、造价低。不足之处是对电池组充电不均衡, 容易出现部分电池过充、部分电池欠充, 即充电不足的现象, 从而导致电池组充电容量不足、电池损坏或电池组的寿命缩短。

图1 蓄电池组集中式充电模式示意图
克服集中充电模式的不足, 本文提出一种均衡式充电模式。这种充电模式对每一节电池都配置一个单独的充电器。通过对每节电池的单独充电和维护来保证电池组实现均衡充电, 不会出现各节电池充电不均衡的现象。另外, 通过对各个充电模块的完善设计, 就能保证各节电池不会出现欠充或过充的现象。
2 EPS均衡式充电装置的结构和工作原理
图2所示是本文提出的一种蓄电池组均衡充电模式结构示意图, 图中CM表示充电器或充电模块。在这种均衡式充电模式中, 对电池组的每一节电池都单独配置一个充电模块, 它是均衡式充电装置的核心。在应急电源中, 当处于非应急状态运行时, 应急电源的输出通过开关直接由市电供给, 这时, 逆变器不工作, 各充电模块给各节相应的电池进行充电或浮充电。当应急电源处于应急工作状态时, 由电池组给逆变器供电, 通过逆变器输出应急逆变交流电源。这时, 由于各充电模块无交流输入, 处于不工作状态, 不影响蓄电池组的放电工作状态。

图2 电池组均衡式充电模式示意图
在这种充电模式设计中, 各充电模块的设计是关键。充电模块的主要作用是对每节电池进行充电和浮充电。根据蓄电池的充电要求, 当电池端电压低于标称电压或小于最高容许充电电压时, 要求充电模块具有恒流输出功能, 实现对电池的恒流充电, 即所谓的主充电; 而当电池电压达到电池最高容许充电电压后, 这时要求充电模块具有恒压输出功能, 使电池处于恒压充电状态, 即所谓的均充电。因此, 充电模块应具有输出稳压和稳流输出功能。另外, 本文所设计的充电模块还应具有如输出状态指示、输出断线告警、交流输入故障等相关的指示和告警功能。
由于在均衡式充电模式中, 每个充电模块仅负责一节电池的充电, 因此充电模块输出电压设计成12V标称输出电压。输出电流则根据电池的容量来确定。由于本均衡充电装置主要是针对100A·h容量以下的EPS应急电源应用而设计的, 因此, 充电模块的额定输出电流一般不超过10A.这样充电模块的功率最大一般为200W左右。
3 充电模块设计
在充电模块的设计中, 应该说采用线性稳压电源、相控式晶闸管电源和高频开关电源均能满足上述提到的充电功能要求。考虑到装置的体积、重量、结构和维护的方便性, 本均衡充电装置的充电模块采用了高频开关电源。由于模块需要的功率不大, 在开关电源形式选择上采用了反激式高频开关电源。这种电源具有体积小, 效率高等特点。
一般的反激式高频开关电源都设计成稳压输出, 在电池充电应用中, 要加入外围电路实现恒流限压充电。其原理结构框图如图3所示, 它主要由交流输入整流电路、高频反激式变换器、电流型脉宽调制电路、输出反馈控制电路和保护告警及状态指示等电路组成。下面分别介绍主要组成电路设计和工作原理。

图3 充电模块原理结构示意图
3.1 高频反激式变换器
高频反激式变换器电路如图4所示。在反激变换器中一般有两种工作方式: 完全能量转换和不完全能量转换。当变换器输入电压在一个较大的范围内发生变化, 或负载在较大范围内变化时, 必然跨越两种工作方式, 因此要求变换器能在两种工作方式中都能稳定工作。

图4 反激式变换电路
图5所示的是工作在完全能量转换状态下, 开关管Q1上的电压与电流波形。在这种工作模式下, 每个开关周期被分为三个阶段( 分别如图中1、2、3所示) .在阶段1, 开关管导通, 变压器原边电流沿斜线上升到峰值电流, 并将能量储存在高频变压器中。
在阶段2, 开关管关断, 上一阶段中变压器储存的能量传递给副边。由于漏感的存在会产生尖峰电压, 所以实际电路中利用钳位电路( 图4中的C1、R4、D2、R5、C2) 把电压钳制在开关管的漏- 源击穿电压值以下。在阶段3, 感应电压降为零。变压器已将在阶段1储存的能量全部释放, 但该电压变化又通过激励由杂散电容和初级电感构成的谐振电路, 产生衰减振荡波形。

图5 完全能量转换的开关管电压及电流波形
图6所示的是工作在不完全能量转换状态下, 开关管的电压及电流波形在这种工作模式下, 每个开关周期被分为两个阶段( 分别如图中1和2所示) .在阶段1, 开关管开始导通时, 由于变压器还储存有能量而使开始电流不为零。
变压器在这阶段继续储存能量。在阶段2, 开关管关断。上一阶段储存的能量传递到副边, 但没有把变压器里面的能量完全释放, 所以不存在完全能量转换方式中的第3阶段。

图6 不完全能量转换的开关管电压及电流波形
在反激式变换电路设计中应注意以下问题:
a. 当反激式变换器以连续方式工作时, 有相当大的直流电流成分, 这时,必须有气隙。适当的气隙可以防止饱和状态并平衡直流电流成分;
b. 在缓冲器中( 图中C1、R4、D2) , 通过减少R4值或漏电感值, 可以抑制钳位电压的升高趋势。但不能把钳位电压设计得太低, 因为反激过冲电压提供一个附加强制电压来驱动电能进入副边电感, 使副边反激电流迅速增大, 提高变压器的传输效率;
c. 由于反激式变换器存在较大的纹波电压, 太大的纹波电压会使控制电路工作不够稳定, 所以增加LC滤波器一定程度地降低了纹波。
3.2 电流控制型脉宽调制器
电流控制型脉宽调制器电路原理如图7所示。电路核心是3842系列电流控制型脉宽控制芯片。

图7 电流控制型脉宽调制器电路
反激变换器加假负载是必要的, 但对于解决空载振荡效果不大, 因为假负载不能设计太大, 会影响整个变换器的效率。
假负载加上以后, 变换器只是工作在很轻负载条件下, 振荡依然存在。这种振荡是一种被称为Burst Mode的模式, 也就是间歇工作模式。发生这种现象是由于空载、轻载时开关管开通时间过大, 引起输出能量太大造成电压过冲太大, 需要较长的时间去恢复到正常电压, 因此开关管需停止工作一段时间。对于使用3842系列芯片的反激变换器来说,有一个较为有效的解决办法。在锯齿波输出脚和电流检测脚之间接入一个PF级的电容( 图7中的C6) ,利用锯齿波下降沿产生的抽流作用将检测到的电流信号中因为门极驱动产生的信号剔除, 从而可以使得开关管得到一个最小的开通时间去保持输出, 虽然也可能会出现间歇工作模式, 但是因为每个开关周期传递到副边的能量很小, 所以不会出现振荡现象。
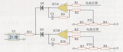
3.3 输出反馈控制器
输出控制器如图8所示。图8中利用两个PI 调节器实现恒流限压充电。
因为设计为单电池充电, 输出最高电压为15V, 可以直接用变换器输出作为控制电路的电源, 所以IC1采用了单电源运算放大器。R3、R4及PTI组成充电电流调节, 可以实现电流在一定范围内调节。R7、R8、PTU组成浮充电压调节, 可以实现浮充电压在一定程度调节, 因为不同电池的浮充电压相差不大, 这个调节范围不用太大, 而且最低电压要保证运放的可靠工作。作为电流、电压调节的基准电压可以用TL431实现。光耦U1应该采用线性度比较好的光电耦合器。光耦的电流传输比大小基本没有什么影响, 因为IC1的放大倍数足够大, 只要U1原边电阻足够小,就可在副边产生足够大的电流信号。至于R11电阻的选择, 只能选择一个范围, 即IC1运放的输出电压从最小值到最大值变化, 则电阻的选择要求使原边电流在某个范围内变化, 反映到副边的电流最大值要求使得UC3842 ( 图7中的IC1) 的1脚能够降到零。所以此电阻有一个最大选择值, 当然阻值越小增益越高, 但增益过高会比较容易引起电路振荡。选择以后还需要按照电路的工作情况进行调整。

图8 输出反馈控制电路
3.4 充电浮充电状态指示
对于本应用中, 只要比较反馈控制电路里的两个PI调节器( 图8中IC1A和IC1B) 的输出端电压高低, 就能实现状态指示。当IC1A输出电压高于IC1B输出电压时, 电流反馈起作用, 电路处于充电状态。反之, 处于浮充状态。
3.5 外部断线告警
外部断线告警电路如图9所示。在电池正常接在充电器输出端时, 输出限制在电池最大浮充电压以下, R3上电压低于5V, 比较器IC1输出高电平。当发生断线故障时, R3上电压会升高到5V以上, 比较器输出低电平。

图9 外部断线告警电路
4 试验结果
稳流和稳压精度测试数据见表1和表2.

表1 稳流精度测试数据

表2 稳压精度测试数据
测试结果表明, 稳流精度为±2.0%,稳压精度为±3%.由于电流取样电阻的存在, 所以大电流输出时存在电压下降。对于充电器, 稳压发生在浮充阶段, 而浮充阶段电流比较小,对于电压的精度影响不大。电路的这种特性, 可以使电池电量较低时, 充电电流达到最大, 当电池电量快接近最大存储电量( 电池快要充满) 时, 充电电流开始减少, 有利于延长电池使用寿命。对于充电应用来说, 该充电模块能够很好地满足使用要求。
5 结论
本文提出的均衡式充电模式能很好克服目前在EPS应急电源中大量使用的集中式充电模式所带来的不足。能有效地防止蓄电池组中电池间的不均衡充电现象以及部分电池出现过充和欠充现象, 能提高EPS应急电源的可靠性, 延长电池组的使用寿命。另外, 所设计的单元充电模块具有恒流限压精度高、外围电路简单、易于生产、电源效率高等特点, 能够很好地实现对电池的有效充电和维护。
