随着PowerSmart系列高压变频调速装置规模的不断发展壮大,用户现场为了满足工矿需要,对控制系统的性能要求也在不断提高。尤其在工业控制领域,如恒压供水系统,用户往往要求高压变频调速系统具备良好的闭环控制能力,以实现自动化控制调节。
根据公司PowerSmart系列高压变频调速装置功能特点,通过长时间分析论证,实现高压变频调速装置系统稳定的闭环控制可以依靠外围 PLC进行过程控制,并通过相关软件编程加以实现。经过一年多不断实践,同时结合现场实际运行工矿,也查阅了一些PLC相关书籍,最终使 PowerSmart高压变频调速装置闭环功能得以实现、并得到充分完善。同时通过在丹阳自来水公司恒压供水系统应用,高压变频调速装置闭环功能的稳定运行得到了充分、有效的验证。
我们知道在过程控制中,按偏差的比例(P)、积分(I)和微分(D)进行控制的PID控制器(亦称PID调节器)是应用最为广泛的一种自动控制器。它具有原理简单,易于实现,适用面广,控制参数相互独立,参数的选定比较简单等优点;而且在理论上可以证明,对于过程控制的典型对象──“一阶滞后+纯滞后”与“二阶滞后+纯滞后”的控制对象,PID控制器是一种最优控制。PID调节规律是连续系统动态品质校正的一种有效方法,它的参数整定方式简便,结构改变灵活(PI、PD、…)。
长期以来被广大科学技术人员及现场操作人员所采用,并积累了大量的经验。但是我们通过大量的现场应用调研,也不得不注意到传统的PID调节应用在闭环调节系统时,会因为反馈量的瞬时突变给高压变频调速装置设备造成的很大冲击,这一弊端严重影响系统的稳定甚至导致损坏设备。
PowerSmart系列高压变频调速装置的闭环系统是在借鉴传统闭环基础上,将PID算法(逼近式)与渐进式比较算法(做差)溶于一体,这样使闭环功能更加稳定、可靠,避免了以前因为现场反馈量的突变对设备造成的冲击过大而损坏设备,通过对闭环采集环节的滤波处理,可以减少因扰动信号而造成的设备误动作。通过软件参数设置,可以方便的实现对闭环功能的灵活控制。
下面截取了PLC程序中的一小部分,在这里不做详细说明。
采用PID控制如下图:

采用比较算法如下图:

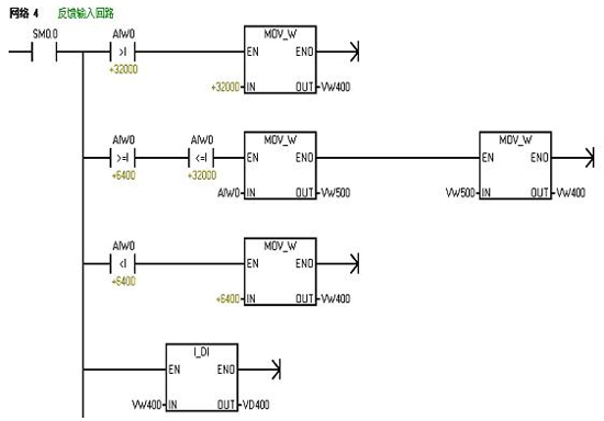
反馈输入量采集如下图:

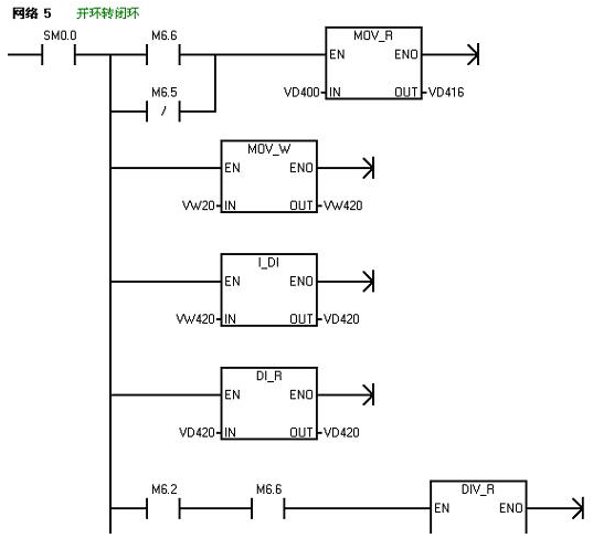
开闭环无扰转换回路:
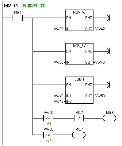
转速自动跟踪回路:

简单点讲本例闭环功能是依据下面的开、闭环平衡公式实现的,这保证了开环、闭环切换前后变频系统的稳定性:

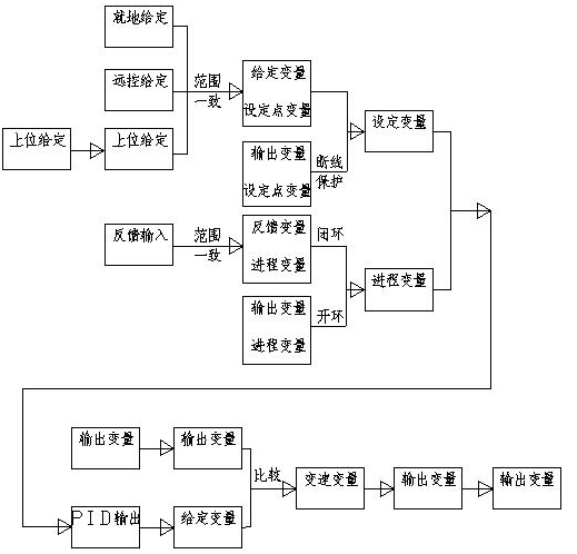
PLC程序编写思路是根据控制过程系统流程图实现的:

通过现场恒压供水系统的实际应用,进一步证明了依靠外围PLC控制参与,并通过PLC相关软件编程,完全可以实现PowerSmart高压变频调速装置完善的闭环控制功能,使高压变频调速装置能够朝着良好的方向快速发展。
