两种减小升压型开关电源的待机功耗的方法
摘要: 通常开关型降压变换器的开关晶体管是串接在电路中的,而开关型升压变换器的开关晶体管则是与负载并联的,与负载串联连接的元器件是电感线圈和二极管。所以若把这两种变换器用做备份,当电源处于待机状态时,降压变换器由于开关晶体管将输人输出端的通路切断,待机功耗很小。
Abstract:
Key words :
通常开关型降压变换器的开关晶体管是串接在电路中的,而开关型升压变换器的开关晶体管则是与负载并联的,与负载串联连接的元器件是电感线圈和二极管。所以若把这两种变换器用做备份,当电源处于待机状态时,降压变换器由于开关晶体管将输人输出端的通路切断,待机功耗很小,消耗电流在1uA以下。但升压变换器则不然。由于开关管虽然截止但并没切断输人输出端之间的直流通路,电池仍然会经电感线圈和二极管与输出端的电容器、电压检测电阻形成直流回路,流过的电流在数十微安左右,另外在负载上也会流过电流,电流的大小因电路而异。
为了减小这种电流损耗,可以采用下面的两种方法。
1.在输入擒出端之间设置开关
在输人输出端之间的线路上设置开关,待机时将Vin和Vout进行分离。开关可以采用继电器一类机械开关,也可以采用MOSFET构成的电子开关。
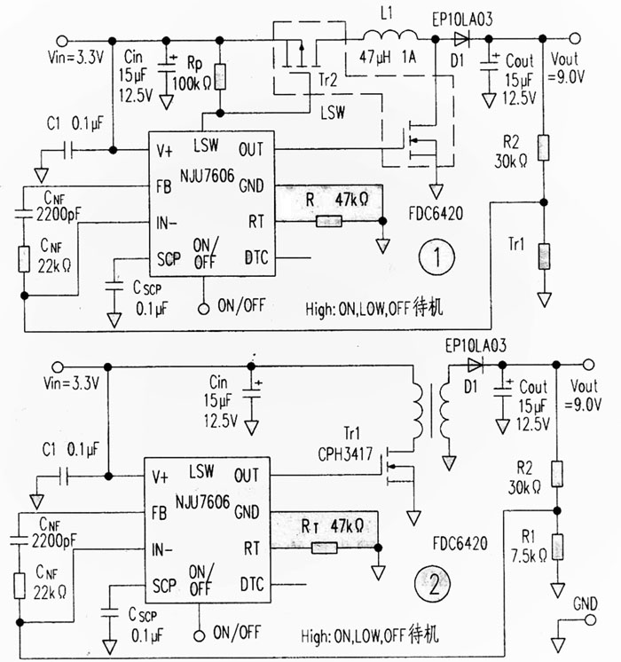
最近厂家生产出了带负载切断功能的升压型变换器IC,使用时采用图1所示的电路。在待机时借助于P沟道MOSFET Tr2的截止,切断输入端和输出端的直流通路。
2.采用变压器进行隔漓
如图2所示,在输人端和输出端之间不再使用电感线圈而是改用变压器。在待机时开关管Tr1截止,电路被切断,可以将开关电源的待机电流控制在1uA以下。

此内容为AET网站原创,未经授权禁止转载。
