《伺服与运动控制》2012第1期 浙江工业大学 李坤 供稿
第一章引言
真空成型机是一种采用热成型工艺对冰箱内胆进行加工生产的大型设备。成型机的设计和制造在它的生产涉及了控制理论、热成型工艺学、材料学、红外辐射、热传导、总线通信、气压液压传动以及机械传动等多学科的知识,成型机是多学科知识交叉和融合的集中体现。长期以来,我国塑料加工成型机的技术水平一直落后于日本、美国、德国等国家。虽然我国也能进行成型机的设计和生产,但是在设备的自动化程度、安全性、稳定性和速度等指标上还远达不到欧美日等国家的水平,这使得国内高端成型机的市场长期被几大国外品牌所占据,造成了大量的外汇开支。
针对当前我国各行各业虽然比较齐全,但是设计水平还不是很高的现状,国家提出了建设创新型社会的号召,鼓励对于国外先进技术的消化吸收和再创新,以改变我国各行业大而不强的面貌。本项目的实施和本文的最终完成就是在这种大环境下进行的。本文重点并详细介绍了真空成型机控制系统中传动部分的控制方法。
第二章工艺流程及控制要求
真空成型机是对薄软非金属材料(主要是热塑性塑料)用模具进行热成型加工的大型设备。在电冰箱生产线,主要用于生产电冰箱和开云棋牌官网在线客服电子冰箱的内胆(冷藏室和冷冻室箱体),是冰箱生产线上的重要设备。由于真空成型机体型庞大、工艺复杂,并且涉及到电气、机械、气压与液压传动等多学科的知识,使得成型机具有投资大、控制难度高、维护要求高等特点。目前高质量的真空成型机主要依赖进口。
如图1所示为四工位真空成型机。
四工位真空成型机,“四工位”我们可以理解为四个工段,即一张片材要先后经过四个工段的加工后才能得到制品,也就是冰箱内胆。这四个工段分别是

下面我将分别介绍一下这四个工段,以使读者对四工位真空成型机有一个大概的了解。

图1四工位真空成型机图样
上料工位
上料工位用于存放设备进行生产所用的片材(主要是ABS和HIPS两种热塑性材料,加工尺寸最大为1860*900mm,最小为1100*535mm),并按照一定的生产工序要求,将片材送到下一工位:预加热工位。上料工位主要包括两部分,一是移载车,二是供给车。移载车做横向运动,用于将分布在设备两侧的片材放置到供给车上;供给车做纵向运动,用于将片材送到下一工位:预加热工位。
预加热工位
预加热工位用来对从上料工位运来的,待加工成型的片材进行预加热,以使片材能得到初步软化,并节省最终加热时间,见图2(a)。对片材加热所用加热器为浅野研究所开发出的快速反应加热器(PAT),这种加热器以红外加热瓦为基本单位,采取了远红外线辐射的方式对塑料进行加热,不需热传介质传递,热效率良好,并可以根据加热状况和控制条件随时调整发热量,节约电能。
在预加热工位,加热是由上、下加热器共同作用的,上、下加热器各有98块加热瓦(0.4kw),功率分别为39.2kw。加热工位片材在预加热工位得到了初步的加热,并有所软化,在经过一定的加热时间后,片材进入加热工位。在这里,片材在上、下两块加热器的共同作用下,得到更进一步的、深度的加热。通过这种深度的加热,可以使片材最终的软化程度达到成型的要求,这时,片材的中间部位软化最为严重,这个区域会向下弯曲,使得片材形状呈碗形,参见图2(b)。
加热工位所用加热器与预加热工位相同,只是加热瓦数量比预加热工位更多,功率也比预加热工位更大。在加热工位,上、下加热器分别有144块加热瓦,功率分别为57.6kw。
3.成型定位
加热工位的下一个工段是成型工位。片材在经过预加热工位和加热工位的加热,并且片材的软化程度达到成型规定的要求后,将会在成型工位处得到加工,并最终得到冰箱内胆制品。
成型工位部分主要包括上、下平台,凸、凹模具,以及配套的真空、压空、冷却系统等。其中,凸、凹模具能互相吻合,凸模具固定在上平台,凹模具固定在下平台上,平台的移动靠液压系统来控制,模具随着平台的运动而运动。当软化后的片材移动到成型工位并固定后,上、下平台相向运动,下平台首先与片材接触并形成一个密闭的空间,并抽真空,使得片材进一步弯曲,对片材起到预拉伸的作用,当上平台也与片材接触并形成密闭空间后,抽真空,同时下平台改为充入压缩气体,使片材紧贴在模具上,最后冷却,脱模,得到内胆制品。具体成型过程可参见图2(c)(d)(e)。
2.3控制要求
1.设备具有手动和自动两种状态。
手动状态下,操作人员可以通过按钮来控制成型机的动作,如移载车前进、



图2片材成型过程示意图
后退;供给车前进、后退;平台上升、下降等,手动按钮用于设备的调试,以及某些紧急情况下的应急处理。
自动状态是成型机控制系统的主要运行方式,在自动状态下,片材的吸取、加热、成型完全依靠控制器按照设定的程序来运行,不需要人工干预,即一种完全自动化流水线的生产状态,操作人员只需在成型工位处将不断成型的制品取出便可。
2.设备具有正常停止和紧急停止功能
因为成型机在运行期间采用循环工作方式,只有在工作结束时才能停止,这时,设备要能根据控制器的命令自动停止系统运行;而紧急停止则用于紧急情况的处理,当这一功能生效时,加热器、平台等成型机所有部件立即停止运行。
3.设备要有报警功能,当设备发生联锁故障或是其它严重错误时,系统要具有声光报警,提醒操作人员发生故障,并能用一定的故障码来表示一定的故障。
4.通讯系统应该满足如下要求:
数字量采集周期<0.1s;
模拟量采集周期<0.2s;
控制命令响应时间:①控制命令回答响应时间
②接受执行命令到执行控制的响应时间<1s;
③报警或事件产生到画面显示和发出的响应时间<0.5s。
第三章数控伺服系统设计
真空成型机包括四个工位,即上料、预加热、加热、成型。每一工位片材或成品的移动是靠横贯于这四个工位的两条链条带动来实现的,当需要片材往前移动时,由链条的链齿夹住片材向前运动。在生产中,链条的移动需要满足一定的控制要求,如链条的控制设备起动及低速运行时要具有较大转矩,过载能力强,具有较宽的调速范围,而且要响应速度快,能急起急停,准确定位等。一般通用型的变频器,即使加编码器构成闭环控制,也不能完全满足上述要求。在这种情况下,采用伺服控制是最佳的选择,由于伺服电机的材料、结构和加工工艺要远远高于一般的交流异步电机,伺服控制系统输出转矩大,过载能力强,稳定性好,控制精度高,响应快,伺服系统能较好地满足系统控制要求。在本系统中选择的伺服系统是FANUCPowerMate-A-20S,其中,PowerMate-A指的是伺服控制器型号,20S指的是伺服电机型号,即FANUC公司S系列交流伺服电机中的20S子系列。
严格意义上来说,在本系统中,链条的控制是靠数控系统来完成的,伺服系统只是数控系统的一部分,它负责将数控系统与机床(指链条)连接起来,并准确地执行CNC系统发来的运动命令,按照要求驱动机床(链条)。因此,如果说CNC系统是数控系统的“大脑”,那么,伺服驱动部分便是数控系统的“四肢”,执行机构。下面我将结合实际系统简要介绍数控和伺服方面的知识。
数控技术,简称数控(NumericalControl—NC),是利用数字化信息对机械运动及加工过程进行控制的一种方法,由于现代数控都采用了计算机进行控制,因此,也可称为计算机数控(ComputerizedNumericalControl—CNC),而用来实现数字化信息控制的硬件和软件的整体成为数控系统(NumericalControlSystem),数控系统是数控机床的核心部分,数控机床在数控系统的控制下,自动地按给定的程序进行机械零件的加工,在本系统中,表现为链条在数控系统的控制下,按照要求在合适的时间,以一定的速度前进或后退。
数控系统由用户程序、输入输出设备、计算机数控装置(CNC)、可编程控制器(PMC)、主轴驱动装置和进给驱动装置、位置检测装置等组成,其中,数控装置(CNC)是数控系统的核心。如图3所示为数控系统基本组成。

图3数控系统基本组成
3.1数控装置CNC
从自动控制的角度来看,数控系统是一种位置(轨迹)控制系统,其本质上是以多执行部件(各运动轴)的位移量为控制对象并使其协调运动的自动控制系统,而CNC则是数控系统的中央控制器,对于我们的数控系统来说,FANUCPowerMate-A便是系统的CNC,只不过PowerMate-A除了包含狭义上的数控装置(CNC)外,还将伺服放大器、PMC等集成在了一起,可见图3所示。
3.1.1CNC装置的功能
CNC装置通过硬件和软件的紧密结合,可以实现诸如以下功能:
控制功能
CNC能控制的轴数和能联动控制的轴数是CNC的主要性能指标之一。一般数控车床只需2轴控制(2轴联动),联动控制轴数越多,CNC系统就越复杂,编程也越困难。在我们的系统中,因为只需要控制链条在纵向方向上的前进运动,故CNC采用单轴控制即可满足要求。
准备功能(G功能)
用来指挥机床动作方式,如基本移动、坐标设定、基准点返回、固定循环、程序暂停等。
插补功能
插补功能是数控系统实现零件轮廓(平面或空间)加工轨迹运算的功能。所谓“插补”就是指在一条已知起点和终点的曲线上进行数据点的密化。插补的任务就是根据进给速度的要求,在一段零件轮廓的起点和终点之间,计算出若干个中间点,分别向各个坐标轴发出方向、大小和速度都确定的运动序列指令。
主轴速度功能
CNC装置可以控制主轴的运动,也可实现主轴的速度控制和准确定位,主轴转速单位为r/min。
进给功能
用F代码可以直接控制各轴的进给速度,进给速度是指控制刀具相对工件的运动速度,单位为mm/min。在成型机的控制系统中,进给速度指的是链条前进的速度,这个值在程序中设为71470,即1191.2mm/s。
补偿功能
辅助功能
辅助功能是数控加工中不可缺少的功能,常用的辅助功能有程序停、主轴正/反转等。
程序编辑功能
CNC借助输入输出设备如DPI/MDI、CRT/MDI等可以实现加工程序的输入/输出、编辑功能。
输入输出和通信功能
CNC装置可以接多种输入/输出外部设备,实现程序和参数的输入、输出和存储。CNC装置还具有RS-232、网络功能等接口,实现通信功能。
自诊断功能
CNC装置中设置了各种诊断程序,可以防止故障的发生或扩大。在故障出现后可迅速查明故障类型及部位,减少故障停机时间。借助输入/输出设备如DPI/MDI、CRT/MDI可以很方便地查询设备状态所对应的诊断号,并根据诊断号的显示来查找故障。
3.1.2CNC装置的分类
CNC装置所实现的功能是在硬件支持下,通过系统软件控制所完成的,其控制功能在相当程度上取决于硬件结构。数控装置的硬件结构按CNC装置中的印刷电路板的插接方式可以分为大板结构和功能模块结构;按CNC装置中微处理器的个数可以分为单微处理器结构和多微处理器结构。
按照印刷电路板的插接方式:
大板结构
在这种结构下,CNC装置由主电路板、位置控制板、图形控制板、附加I/O板和电源单元等组成。主电路板是大印制电路版,其它电路板是小板,插在大印制电路板上的插槽内。这种结构类似于微型计算机的结构。
功能模块结构
在这种结构中,整个CNC装置按功能模块化分为若干个模块,硬件和软件的设计都采用模块化设计,每一个功能模块做成尺寸相同的印制电路板,相应功能模块的控制软件也模块化。用户根据需要选用各种控制单元母板及所需功能模板,将各功能模板插入控制单元母板的槽内,就组成了自己需要的CNC系统的控制装置。常用的功能模板有CNC控制板、位置控制板、PC板、存储器板、图形板和通信板等。
按照微处理器的个数:
单微处理器结构
所谓单微处理器结构,是指在CNC装置中只有一只微处理器(CPU)。工作方式是集中控制,分时处理数控系统的各项任务。单微处理器结构简单,容易实现。单微处理器结构见图4所示。
单微处理器CNC装置可划分为计算机部分、位置控制部分、数据输入/输出接口及外围设备。CPU是CNC装置的核心,CPU执行系统程序,首先读取工件加工程序,对加工程序段进行译码和数据处理,然后根据处理后得到的指令,进行对该加工程序段的实时插补和机床位置伺服控制;它还将辅助动作指令通过可编程控制器(PMC)送到机床,同时接收由PMC返回的机床各部分信息并予以处理,以决定下一步操作。

图4单微处理器结构组成
位置控制部分包括位置控制单元和速度控制单元。位置控制单元接收经插补运算得到的每一个坐标轴在单位时间内的位移量,控制伺服电机工作,并根据接收到的实际位置反馈信号,修正位置指令,实现机床运动的准确控制。同时产生速度指令送往速度控制单元,速度控制单元将速度指令与速度反馈信号相比较,修正速度指令,用差值去控制伺服电机使其以恒定速度运转。
数据输入/输出接口是CNC装置与操作者之间交换信息的桥梁。例如,通过MDI方式或串行通信,可将工件加工程序送入CNC装置;通过DPL或CRT显示器,可以显示工件的加工程序和其他信息。
多微处理器结构
由两个或两个以上的CPU构成处理部件,各处理部件之间通过一组公用地址和数据总线进行连接。每个CPU都可享用系统公用存储器或I/O接口,并分担一部分数控功能,从而将单微处理器的CNC装置中顺序完成的工作,转变为多微处理器并行、同时完成的工作,因而大大增强了整个系统的性能。多微处理器结构的CNC装置通常采用模块化结构,采用共享总线和共享存储器两种典型结构实现模块间的互连与通信。
日本FANUC公司是世界从事数控产品生产最早、产品市场占有率最大、最有影响的数控类产品开发、制造厂家之一,该公司自20世纪50年代开始生产数控产品以来,至今已开发生产了FS0系列、FS6、FS15、FS16、FS18、FS21/210、PowerMate等数十个系列的控制系统。该公司的早期产品如FS6等主要采用大板结构,并采用了68000系列微处理器与专用大规模集成电路,如:BAC(总线仲裁控制器)、IOC(输入输出控制器)、M887103(位置控制芯片)、OPC(操作面板控制器)以及SSU(系统支持单元)等,这在当时都具有先进的水平。FANUC公司的较新型号的CNC装置产品,如FS15等系统在设计中大量采用模块化结构,这种结构易于拆装,各个控制板高度集成,使可靠性有很大提高,而且便于维修、更换。该系列CNC系统为多微处理器控制系统,在硬件方面采用了模块式多主总线(FANUCBUS)结构,主CPU为68020,同时还用一个子CPU,所以该系列的CNC系统适用于大型机床、复合机床的多轴控制和多系统控制。
PowerMate-A是FANUC公司早期产品系列之一,它在控制电路中采用了高速32位微处理器、专用大规模集成电路、开云棋牌官网在线客服存储器等器件,具有较高的系统可靠性和性能价格比。PowerMate-A在硬件结构上采用了传统的结构方式,由控制板、I/O板、电源板等构成。其中最上面的A板是IO板,用于数控系统和外部的开关信号交换;中间的B板是控制板,它将PMC与CNC集成在这个板上,用于核心控制、运算、存储、伺服控制等,此外,通过数控主板上的RS232,以及DPL/MDI等通信口还可与外设进行通信;最下面的C板是电源板,用于完成系统的整流逆变和功率放大等功能。如图5所示为PowerMate-A结构示意图。

图5PowerMate-A结构示意图
31.3CNC加工程序
数控机械是依据程序来控制其加工运转动作的。当数控机械执行零件加工时,首先须把加工路径和加工条件转换为程序,并将程序输入到CNC中,这种程序即称为加工程序。
数控加工中的动作在加工程序中用指令的方式予以规定,其中包括准备功能G、辅助功能M、主轴转速功能S、刀具功能T和进给功能F等。
准备功能G又称“G代码”,它是用来指令车床工作方式或控制系统工作方式的一种命令,G功能由地址符G和其后的两位数字组成(00—99),从G00到G99共100种功能,用以指令机床不同的动作,如用G01来完成直线插补功能。
辅助功能M是用地址M及两位数字表示的,主要用于机床加工操作时的工艺性指令。如M03表示主轴正转,M05表示主轴停止等。
主轴转速S功能用于指令主轴的转速,单位是r/min。如G97S1500表示主轴转速为1500r/min。
刀具功能T用于指令数控系统进行选刀或换刀。
进给功能F用于指定进给速度,单位是mm/min或mm/r。如F20.54表示进给速度为20.54mm/min。
加工程序由一系列加工的一组程序段组成,程序段是指用来表示完成一定动作、一组操作的全部指令,用于区分每个程序段的号叫做顺序号,程序段中用来完成一定功能的某一具体指令称为字。
本系统CNC所运行的加工程序如下所示,它主要完成控制工件在X轴方向上以一定的控制要求前进或停止的工序。
O0001
G65H01P#500Q#1200;
G92X0;
G01G91X#500F71470;
M03;
M30;
N10G65H03P#501Q#1200R5000;
G92X0;
G01G91X#501F71470;
G65H01P#1100Q1;
G31G91X50F20000;
G65H01P#1100Q0;
M03;
M30;
3.2可编程机床控制器PMC
PMC与PLC非常相似,但是因为数控系统中的PLC是专门用于控制机床的,而且有多条专用指令,所以被称为PMC——可编程机床控制器(ProgrammableMachineController)。PMC采用顺序逻辑控制,负责算术逻辑处理,用于机床或其他系统的顺序控制,CNC装置和外部信号的交互,在CNC和外部信号之间起到一个桥梁的作用。PMC的程序采用梯形图的格式,其程序称为顺序控制程序。PMC时刻扫描机床侧的输入信号和强电柜控制信号的执行结果,CNC一启动,PMC程序就运行,它与CNC执行加工程序是并行运行的。关于PMC与CNC以及外部I/O信号之间的关系可参见图3所示。由机床至PMC的输入信号,由PMC至机床的输出信号,由CNC至PMC的输入信号,由PMC至CNC的输出信号,这些信号在PMC程序中,其地址符号分别以X,Y,F,G来表示。
FANUC数控系统具有PA1、PA3,SA1、SA3等多种规格的PMC,不同的规格,PMC的程序容量、处理速度、功能指令数、非易失性存储区地址也不同。PowerMateA数控系统中使用的是PMC-P系列,其规格见表1所示。
从表格我们可以看到,PMC-PA1的程序级数是2级,第一级程序执行周期是8ms。所谓的程序级数是指这样的:PMC的顺序程序是由梯形图的开头执行直至结尾结束,程序执行完毕后,再循环执行。PMC的顺序程序由两部分组成,第一级程序部分和第二级程序部分。第一级程序部分仅处理包括急停,返回参考点减速,跳步,到达测量位置和进给暂停信号等,这部分程序每8ms(即第一级程序执行周期)执行一次。为了执行第一级程序,第二级程序被分割成N份,每个8ms执行一份第二级程序,这样,在8×Nms后,第二级程序执行完一次,程序又从头开始执行。程序执行过程如图6所示。
表1FANUCPMC-P系列规格表
|
规格 |
PMC-P |
|
编程语言 |
Ladder |
|
程序级数 |
2 |
|
第一级程序执行周期 |
8ms |
|
基本指令平均处理时间 |
18us |
|
最大程序容量 |
2000步(7.8KB) |
|
指令 基本指令 |
12种 |
|
内部继电器 |
2048字节(2048字节均可为保持型寄存器) |
|
时间继电器 |
最大400 |
|
计数器 |
最大400 |
在一个第一级程序执行周期即8ms内,其中的1.25ms用于执行第一和第二级程序,剩余时间由CNC使用。如果第一级程序的步数增加,那么在8ms内第二级程序动作的步数就要响应减少,因此分割数要变多,整个程序处理时间变长,因此第一级程序应编得尽可能短,仅处理包括急停,返回参考点减速,跳步,到达测量位置和进给暂停信号等。

图6FANUCPMC-PA1顺序程序执行过程
本系统所用PowerMate-APMC程序流程图如图7所示。

图7-aPMC梯形图程序总体结构
第一级和第二级程序流程图具体描述如下:

图7-bPMC梯形图程序流程图
3.3伺服驱动系统
3.3.1伺服系统分类
伺服驱动系统简称伺服系统(ServoSystem),是一种以机床移动部件的位置(或角度)和速度(或转速)作为控制对象的自动控制系统,又称随动系统、拖动系统或伺服机构。伺服系统的主要功能是接收来自插补装置或插补软件生成的进给指令,并按指令信息来驱动各运动部件运动,以加工出符合图纸要求的零件。伺服系统一般由伺服驱动装置、驱动元件、机械传动机构及末端执行部件等组成,对于闭环控制系统还包括检测反馈装置。
伺服系统是数控装置与机床本体的联系环节,忠实而准确地执行CNC装置发出的运动指令。伺服系统的性能,在很大程度上决定了数控机床的性能。例如,数控机床的最高移动速度、跟踪精度、定位精度等重要指标均取决于伺服系统的动态和静态性能。
按照控制对象和使用目的,数控机床伺服系统可分为进给伺服系统和主轴伺服系统。
进给伺服系统是指一般概念的伺服系统,它包括速度控制环和位置控制环,用于控制机床各坐标轴的切削进给运动,是一种精密的位置跟踪、定位系统,单位是mm/min。主轴控制系统只是速度控制系统,用于控制机床主轴的旋转运动,提供切削过程中的转矩和功率,而且需完成转速范围内的无级调速,单位是r/min。
按照调节理论,数控机床伺服系统可分为开环、闭环和半闭环系统。
开环伺服系统主要靠步进电机来实现,每接收一个指令脉冲,步进电机就旋转一定角度,步进电机的旋转速度取决于指令脉冲的频率,转角的大小则取决于脉冲数目。由于输出转矩较小,而且没有反馈环节,开环系统精度较差,适用于精度要求不高的场合。如图8所示。

图8 开环伺服系统原理图
图9所示为半闭环/闭环伺服系统原理图,它由伺服电机、检测反馈单元、驱动线路、比较环节等部分组成。闭环伺服系统将检测反馈单元安装在机床工作台上,直接将测量的工作台位移量转换成电信号,反馈给比较环节,与指令信号比较,并将其差值经伺服放大,控制伺服电机带动工作台移动,直至二者差值为零为止。闭环伺服系统消除了进给传动系统的全部误差,所以精度很高(从理论上讲,精度取决于检测装置的测量精度)。然而,由于各个环节都包括在反馈回路内,所以机械传动系统的刚度、间隙、制造误差和摩擦阻尼等非性因素都直接影响伺服系统的调制参数。由此可见,闭环伺服系统的结构复杂,其调试、维护都有较高的技术难度,价格也较昂贵,常用于精密数控机床。

图9半闭环/闭环伺服系统原理
在半闭环伺服系统中,反馈环节安装在中间某一部位(如电机轴上),由于抛开了机械传动系统的刚度、间隙、制造误差和摩擦阻尼等因素,所以这种系统调试比较容易,稳定性好。尽管半闭环系统不反映反馈回路之外的误差,但采用高分辨率的检测元件,也可以获得比较满意的精度。
按照反馈比较方式,伺服系统可分为数字脉冲比较伺服系统、相位比较伺服系统,以及幅值比较伺服系统。
数字脉冲比较伺服系统结构较简单,常采用光电编码器、光栅作为位置检测装置,以半闭环的控制结构形式构成的数字脉冲比较伺服系统应用较为广泛。
在相位比较和幅值比较伺服系统中,位置检测装置主要以旋转变压器、感应同步器为检测元件。在相位比较伺服系统中,位置检测装置多采用相位工作方式,指令信号与反馈信号都变成相应的同频率的某一载波的不同相位的脉冲信号,然后通过两者相位的比较,获得实际位置与指令位置的偏差,实现闭环控制。而幅值比较伺服系统主要是以其位置检测信号的幅值反映机械的实际位置,并以此作为位置反馈信号,再与指令信号进行比较构成的闭环控制系统。
PowerMate-A是FANUC公司20世纪80年代中期开始生产的产品,并于90年代初期引进到我国,由于它的质量十分可靠,在引进之后得到了广泛的应用。PowerMate-A内置了伺服放大器和PMC,伺服放大器与CNC共用AC200V电源,由于只需要控制链条在X轴方向前进或后退,所以PowerMate-A伺服控制系统实际上只有进给伺服驱动,而没有主轴驱动,PowerMate-A数控系统是一个单轴控制系统;与PowerMate-A配套的伺服电机是FANUCS系列的20S交流伺服电机,电机轴上装有增量式脉冲编码器,输出位置反馈信号给CNC,不难看出,PowerMate-A数控系统是一个采用数字脉冲比较反馈方式的半闭环伺服系统。
3.3.2交流伺服电机
近年来,随着高性价比永磁体的开发和性能的不断提高,使得采用永磁同步调速电动机的交流同步伺服系统的性能日益突出,与采用矢量控制的异步伺服相比,永磁同步电动机转子温度低,轴向连接位置精度高,要求的冷却条件不高,对机床环境的温度影响小,容易达到极小的低限速度。即使在低限速度下,也可作恒转矩运行,特别适合强力切削加工,同时其转矩密度高,转动惯量小,动态响应特性好,特别适合高生产率运行,比较容易达到很高的调速比。FANUC的进给伺服电动机一般采用永磁式的三相同步电动机。在本系统中所使用的交流伺服电机型号是A06B-0502-B004,具体参数为:23NmTRQ,20Amp,3phase8poles,AC146V,2000RPM。
永磁式的交流三相同步电动机的转子是用高导磁率的永久磁钢作成的磁极,中间穿有电机轴,轴两端用轴承支撑并将其固定于机壳上。定子是用矽钢片叠成的导磁体,导磁体的内表面有齿槽,嵌入用导线绕成的三相绕组线圈,另外在轴的后端部装有编码器。当定子的三相绕组通有三相交流电流时,产生的空间旋转磁场就会吸住转子上的磁极同步旋转,电路元件需要根据转子磁场的位置实时地换向,这一点非常类似于直流电动机的转子绕组电流随定子磁场位置的换向。因此,为了实时地检测同步电动机转子磁场的位置,在电动机轴上(后端)安装了一个编码器,编码器的光码盘随着电机轴的转动测出转子上磁极磁场的实际位置,该位置可用角度θ来表示,即定子合成磁场磁极轴线和转子磁极轴线之间的角度,也称为功率角。将该位置值送到控制电路后,控制器可以实时地控制逆变器功率元件的换向,实现了伺服驱动器的自控换向。因此,有人将这种同步电动机的驱动控制器和电动机一起称为自换向同步电动机。另外,因为其控制特性类似于直流电动机,所以也称为无整流子式直流电动机。
3.3.3交流伺服驱动
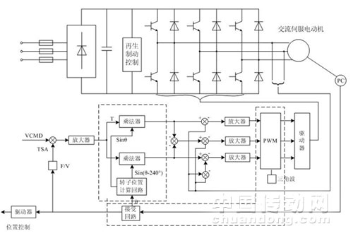
伺服系统按其内部控制信号的形式,可分为模拟量控制的模拟伺服与数字量控制的数字伺服两类,FANUC产品早期一般采用直流驱动器,到了20世纪80年代中期,开始采用交流模拟伺服驱动器,从20世纪90年代起开始采用交流数字伺服驱动装置。PowerMate-AA06B-6050系列伺服驱动器与A06B-05**系列交流伺服电机配套组成的产品,是FANUC交流模拟伺服驱动系统最常见的配置之一,它采用了矢量控制、PWM调速,输出特性好,可靠性高,在上世纪90年代引入我国后,得到了广泛的应用。FANUC交流模拟伺服驱动工作原理见图10。

图10FANUCPowerMate-A交流模拟伺服驱动工作原理
交流模拟伺服系统主要有电源部分、放大器及控制部分组成。电源部分主要包括整流逆变电路,以实现交-直-交变换。整流器使用的是整流二极管,给逆变器部分供以直流电源。逆变器使用了6个IGBT,在控制电路的控制下进行逆变,将直流功率变为交流功率,给同步电动机供电。对逆变器的频率变化进行控制,即可控制电动机转速的快慢,具体的逆变过程是利用PWM(脉冲宽度调制)技术来控制的。通过PWM控制,使系统得到的交流电压波形更接近正弦波,减少了谐波,快速性得到提高,更好地满足了电动机的需要。另外,电机主电路有两相电机的定子绕组串有电流检测器,检测电机的实际电流,用作电流反馈和电机的过流保护。脉冲编码器装在电机转子上用作速度和位置反馈。
图10下半部分是模拟伺服系统的控制部分。
在控制上,PowerMate-A采用了磁场矢量控制方式。由于在同步电机中,励
磁磁场与电枢磁通势间的空间角度不是固定的,所以调节电枢电流就不能直接控制电磁转矩。通过电机的外部控制系统,对电枢磁通势相对励磁磁场进行空间定向控制,控制两者之间的角度保持固定值,同时对电枢电流的幅值也进行控制,这种控制方式就称为矢量控制。电机轴上安装有编码器,编码器随时检测转子磁极位置,不断取得位置角θ信息,并将θ送伺服控制器,在控制器中进行实时的坐标变化,变换后的电流对逆变器进行控制,产生PWM波形去控制电机。
如上图10,VCMD是驱动系统的速度给定指令,它是来自CNC的模拟电压;该电压与来自检测元件(通常为脉冲编码器)的速度反馈电压(也可以是脉冲编码器的脉冲信号经F/V变换后作为系统的速度反馈信号)TSA经比较、放大后输出速度误差信号。速度误差信号再经调节器放大,作为转矩给定指令输出。转矩指令信号通过乘法器,分别与转子位置计算回路中输出的sinθ和sin(θ-240°)算子相乘,其乘积作为电流指令信号输出。电流指令又与电流反馈信号相比较后,产生电流误差信号,电流误差信号经放大,输出到PWM控制回路,进行脉宽调制控制。脉宽调制信号通过功率晶体管与电源回路的逆变,形成三相交流电,控制交流伺服电动机的电枢。
图10中的虚线框,在实际系统中,通常为集成一体的专用大规模集成电路。在FANUC常见的交流伺服驱动中,其中一片型号为AF20,它包括两个乘法器
和一个转子位置计算回路;另一片型号为MB63137,它包括PWM控制回路和
脉冲编码器的接收回路。图11为交流模拟伺服系统的简化框图。

图11交流模拟伺服系统的简化框图
3.3.4脉冲编码器
以FANUCPowerMateA为核心组成的伺服控制系统是一个半闭环系统,有位置环、速度环两个控制回路,它们分别需要脉冲编码器对电机的位置量和速度量进行反馈。在对编码器使用上,作位置测量时,累计工作台走过的脉冲数;作速度测量时,则取单位时间(几个毫秒)内的脉冲数。
在前面曾经叙述过,为了实现同步电机控制主回路中功率元件的自动换相,需要随着电动机转子的转动随时检测转子磁场的位置,这项工作也由编码器实现,为此,在脉冲编码器上刻有按二进制值编码的4层条纹,经印刷电路板处理后输出波形C1,C2,C4,C8,通过不同的组合来表明转子位置变化。
脉冲编码器连接图见图12所示。
图中,各信号含义如下:
PCA/*PCA/PCB/*PCB:编码器的A/B相脉冲输入信号;
PCZ/*PCZ:编码器的零位脉冲输入信号;
C1~C8:转子位置检测信号;
OHA/OHB:伺服电机的过热触点输入;
0V/5V:编码器电源。

图12脉冲编码器连接图
第四章结束语
本文对真空成型机自动化系统中的数控伺服系统的工作过程进行分析,找到了在CNC和PMC中与现场操作相关的变量存储区,并总结出了PMC程序的流程图。伺服控制技术的应用提高控制的精度,保证传动机构的运行的平稳和精确。
