随着技术的发展,在工业生产过程监控系统中,对测试系统的精度要求越来越高。对于要求具有高精度直流电压输出的测试系统,D/A芯片及其外围电路的选择值得精心考虑。文中给出了一种基于AD760设计的高精度直流电压输出电路,并已成功应用于工控测试系统中。
1 系统设计
图1所示为设计的高精度直流电压输出电路的框图,它由总线端、数字隔离、D/A转换、电压驱动电路组成,D/A采用18位芯片AD760,电压驱动电路由运放LF411的跟随电路来实现。

图1 系统框图
2 硬件电路设计
2.1 数字隔离
为了防止总线端的数字信号对模拟输出电压产生影响,需要将两边的数字信号进行隔离,本板采用了ADI公司的ADUM1400和ADUM1201高速磁隔进行隔离。
2.2 D/A转换
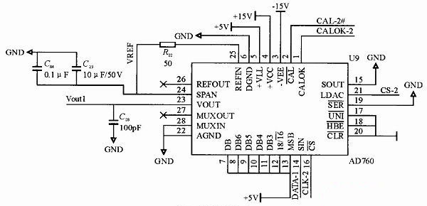
D/A转换采用ADI公司的AD760芯片,如图2所示是D/A转换电路图。AD760是一款16/18位可选、可进行自校准的DAC,内置片内基准电压源、双缓冲锁存器和输出放大器。它采用ADI公司BiMOSII工艺制造,可以在同一芯片上实现高精度双极性线性电路与低功耗CMOS逻辑功能。只需发送脉冲使CAL引脚变为低电平,便会启动自校准功能。CALOK引脚会显示何时顺利完成校准。校准期间,可以利用输出多路复用器(MUXOUT)将输出发送至输出范围底部。数据可以采用标准二进制、串行数据或双8位字节格式载入AD760.在串行模式下,可以使用16位或18位数据;串行模式输入格式通过引脚选择,可以是MSB优先或LSB优先。通过具有双重功能的三个数字输入引脚(引脚12、13和14)来实现。在字节模式下,用户同样可以定义优先加载高字节还是低字节数据。双缓冲锁存结构不仅可以消除数据偏斜误差,还能够在多DAC系统中同时更新各DAC.当CLR选通时,可以利用异步CLR功能将输出清零至负满量程或中量程,具体取决于引脚17的状态。

图2 D/A转换电路
AD760采用28引脚、600 mil cerdip封装,AQ级的额定温度范围为-40~+85℃。
由于AD760芯片内部基准源的温漂为25ppm/℃,对于温度变化比较大的系统,此参数对输出电压精度影响较大,本板采用外部基准源AD587芯片,其温漂为5ppm/℃。电路图如图3所示。

图3 D/A外部基准电路
2.2 电压驱动
AD760的输出驱动能力只有5mA,带载能力有限,因此必须加运放跟随电路减小输出电阻,如图4所示。

图4 电压驱动电路
3 印制板设计
AD760的电源应使用10μF和0.1μF电容进行旁路。这些电容应尽可能靠近该器件,10μF电容为钽电解电容,0.1μF电容为陶瓷电容。基准芯片AD587应尽量接近AD760,加粗其输出与AD760的REF引脚之间的连线,并在此连线上增加旁路电容,以减小AD760的输出噪声对D/A输出精度的影响。
4 测试结果
本电路输出±10V的双极性电压,通过设置固定的5个码值:3FFFF,2FFFF,1FFFF,0FFFF,0,用Agilent34401高精度6位半万用表测试,上电后经过8个小时测试,其分辨率能达到17位,精度能达到16.7位。
5 结束语
基于AD760高精度直流电压输出电路设计,可提供分辨率为17位、精度为16.7位的高精度电压,适用于工控系统要求高精度测量的领域。<
