摘要:介绍了电流模式电路的基本概念和发展概况,与电压模式电路相比较,电流模式电路的主要性能特点。并介绍了广泛应用于各种电流模式电路的第二代电流控制电流传输器原件的跨导线性环特性和端口特性,以及其基本组成共源共栅电流镜,并提出了基于共源共栅电流镜的新型COMS电流传输器。在此基础上,设计了基于电流控制电流传输器的电流模式积分电路,并利用HSPIce软件进行输入为正弦波和方波时的输出波形的仿真验证。
在模拟电子电路中,人们长久以来习惯于采用电压作为信号变量,并通过处理电压信号来决定电路的功能。因此促成了大量电压信号处理电路,或者称为电压模式电路的诞生和发展。
但是,随着被处理信号的频率越来越高,电压型运算放大器的固有缺点开始阻碍它在高频、高速环境中的应用。电压型运算放大器的缺点之一,它在-3 dB闭环宽带与闭环增益的乘积是常数,当宽带向高频区域扩展时,增益成比例下降;缺点之二,它在大信号下输出电压的最高转换速率很低,一般只有0.2~20 V/μs.
在近些年来,以电流为信号变量的电流在信号处理中的巨大潜在优点被发现被挖掘出来,促成了一种新型电路--电流模式电路的发展。人们发现,电流模式电路可以解决电压模式电路所遇到的一系列难题,在速度、带宽、动态范围等方面获得更加优良的性能。
1 第二代电流控制电流传输器 CCCII
第二代电流控制电流传输器元件起源CCII,但是由于CCII内部电路的输入端X端与Y端存在一个寄生电阻,而传输特性并没有考虑这个电阻,从而造成CCII的X端与Y端的电压跟踪无法达到理想的程度,而CCCII就是利用X端的寄生电阻受到内部直流偏压控制的特性以达到电压可调的特性。
1996年,学者Alain Fabre等人基于跨导线性环特性提出了第二代电流控制电流传输器电路,而随后的CCCII电路基本上也都是基于跨导线性环特性实现的。
1.1 线性跨导原理
跨导线性电路的主要性能是借助于双极性晶体管的跨导参数与其集电极电流成正比关系得到的。跨导参数与其集电极电流之间的比例关系为:在一个含有偶数个正向偏置发射结,且排列成顺时针方向结的数目和反时针方向结的数目相等的闭环中,顺时针方向发射电流密度之积等于反时针方向发射结电流密度之积。
对于双极性晶体管,集电极电流Ic与基-射结电压VBE之间的关系是它的核心关系。这种关系可以表示为:

式(1)中:VT是热电压,在常温下其值约26 mV;反向饱和电流,它对温度敏感,每提高1摄氏度增加约9.5%,同时,近似于发射区面积成正比。对式(1)求微分,可以得到:

式(2)表明,理想BJT的跨导gm是集电极静态电流的线性数IC,这是由于IC与VBE之间具有对数关系的结果。在一个包含n个BJT基-射结的闭合环路中,采用某种方法使其正向偏置而导通,则结电压之和应等于零,即:

图1给出了一个简化TL环路,它包含4个PN结,每个PN结实际代表环路中每个BJT的基一射结,每个结上标出的电流过结的正向偏置电流,即BJT的集电极电流IC.

图1 简化TL环路
把式(2)代入式(3),将VBE加以替换得:

式中:Isj代表每个结的反向饱和电流,由于每个结的发射区面积可能不同,也可以有不同极性的BJT组成,因图简化TL环路,所以Isj可能是不相等的;Vtj代表每个结的热电压,对于大多数应用电路,可以假定所有结的热电压相等。因此,式(4)可以表示为:

一系列对数之和为零可以改写成一系列乘积项为1,因此式(5)可以写成:

为实现式(5)的环路内节点电压值和为零及IC/IS电流比的对数和为零,在维持合理的工作电流的同时,TL环路必须是成对的,那么它满足两个基本条件,即:TL环路内的结点数必须是偶数个;面向顺时针排列和面向逆时针方向排列的结数必须相等。设TL环路是对称的,满足上述两个条件,则式(6)可以另外表示为:

公式左右双方分别为顺时针和逆时针排列的正偏发射结的IC/IS项的乘积。由于TL环路中的发射结反向饱和电流ISK与发射区的面积成正比,因此可将ISK表示为:ISK=AKJSK,AK是第K个结的发射区面积,JSK是与几何结构无关的反向饱和电流密度,假设每个结JSK的是相等的,因此式(7)可以重写为:

在跨导线性环路中,发射区面积比值很重要,通常是为了实现某些希望的性能和结果,谨慎的设计和改变发射区面积之比。当考虑TL环路中发射区面积之比时,式(8)可以表示为:

式(9)中λ为面积比系数。
当λ=1时,跨导线性原理可表示为:

式(10)表明,在λ=1的条件下,TL环路中顺时针方向集电级电流之积等于逆时针的集电极电流之积,这是跨导线性原理最简洁的表达形式。
1.2 CCCII的电路符号和端口特性
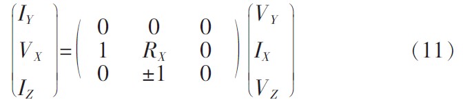
CCCII的输入输出端口特性可用矩阵式来表示:

X端为电流输入端,Y端为电压输入端,输入电流为零;与CCII相同的是X端电压不是精确跟随Y端输入电压,而是与X端寄生电阻有关。

图2 CCCII电路符号
矩阵中的正负号分别代表CCCII+和CCCII-,对CCCII+而言,IX=+IY,对CCCII-而言,IZ=-IX,RX为X端口的寄生电阻,受CCCII内部的偏置电流IB控制。CCCII的电路符号和零极子表示方法如图3所示。

图3 CCCII零极子表示方法
2 共源共栅CCCII设计
2.1 共源共栅电流镜
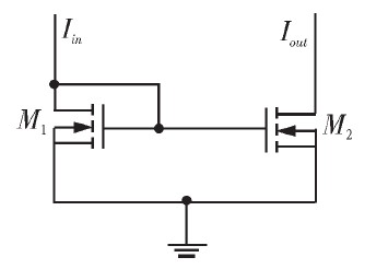
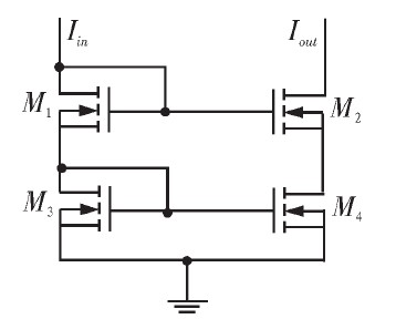
在电流传输器中,电流镜是必不可少的电路模型。通常的来说,期望一个电流镜能够拥有较高的电流传输精度,较高的输出电阻,较低的输入电压以及最小的输出电压。
图4所示的基本电流镜号模型,由于自身沟道长度的调制效应,很难达到较高的电流传输精度及较高的输出电阻。图5中所示的共源共栅电流镜则能获得比普通电流镜更高的电流传输精度和输出电阻。

图4 基本电路镜

图5 共源共栅电流镜
2.2 共源共栅电流镜CMOS CCCII设计电路
图6为基于基本电流镜的CCCII电路,它包括了M1~M4组成的跨导电路,以及M5~M6,M7~M8,M10~M11,M12~M13的基本电流镜。基本电流镜M5~M6,M9~M11向跨导电路提供偏置电流IB,由于基本电流镜输出阻抗低,因此偏置电流IB传输到跨导线性电路的比例较少。输出端Z与基本电流镜输出端相连,输出阻抗较低。

图6 基于基本电流镜的CCCII电路
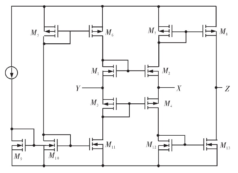
用共源共栅电流镜能实现如图7的CMOS CCCII电流传输器电路,M1~M4构成跨导线性环路实现电压跟随器,M9~M12,M17~M12组成同相传送电路,将X端电流IX镜像耦合到IZ.而M5~M8,M13~M16构成放大倍数为1的电流镜,为跨导线性环路提供直流偏置。将基本电流镜改为共源共栅电流镜,不仅能增大输出阻抗,而且能增大传输精度。

图7 基于共源共栅电流镜的CCCII
2.3 共源共栅CMOS CCCII性能仿真
基于TMSC0.18umCMOS工艺参数,运用HSPICE软件仿真,对共源共栅COMS CCCII电流传输器进行性能仿真,电路采用1.5 V电压供电。由矩阵关系,首先观察IZ随着IX的变化情况。
可以看出,如同理论推导中所体现的一样,在没有任何电流误差的情况下,可以得到较高的传输精度,可以观察导IZ随着IX变化而变化,较好的跟随了IX.

图8 IZ随着IX变化
3 电流模式积分电路设计与仿真
3.1 电流模积分器设计
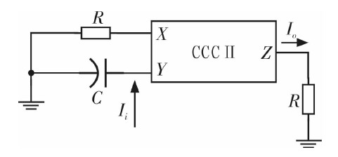
在共源共栅COMS CCCII的基础上,在X端添加电阻,在Y端添加电容,并改为电流输入端就可以够成一个电流模式的积分电路。示意图如图9所示。

图9 CCCII电流模式积分器
假设电容C初始电压为零,则根据CCCII端口特性得到:

上式表明,输出电流I0为输入对时间的积分。
3.2 电流模积分器仿真
基于TMSC0.18μmCMOS工艺参数,运用HSPICE软件仿真,对电流模积分器分别输入典型正弦激励和方波激励进行了电路仿真。
当给积分器输入正弦波时,输入输出波形如图10所示。

图10 正弦波积分
当给积分器输入方波时,输入输出波形如图11所示。

图11 方波积分
最后仿真了积分器的频率响应特性,如图12所示。

图12 积分器频率响应特性
通过公示分析,当激励源分别采用正弦信号以及方波信号时,积分电路的输出结果应该为余弦信号以及三角波信号。由图8和图9可得,此积分电路的运算结果同理论结果具有良好的一致性,从而证明了此积分电路设计的正确性。
4 结论
电流控制电流传输器已经是电流模式电路中非常常用的模块之一,本文提出了基于共源共栅COMS CCCII电流传输器,提高了输出阻抗和电流传输精度,并且基于此CCCII电路设计了电流模式积分电路。在采用TMSC0.18μmCMOS工艺参数,运用HSPICE软件仿真,仿真结果验证了共源共栅电流传输器的传输精度,输出阻抗及可行性,并且在激励源采用正弦,方波信号的情况下,对于此积分电路进行了验证,仿真结果显示具有较高的精度。因此,该积分电路在很多应用中可以替代传统的积分电路,具有广泛的应用前景。<
