传统的无人值守地面探测系统可以探测一定范围内的地面运动目标。其工作模式是把采集到的信号发送回地面接收站再进行处理。此方法不能实现终端实时信号处理,且反应时间较长。另外,信号在传输和接收的过程中会受到不同程度的干扰,这样就会使识别效果出现偏差,特别是在复杂电磁环境条件下,无线通信时间越长,传输数据量越大,则受到的干扰越多,且探测系统越容易被敌方发现。本文所设计的探测系统提出了一种实时处理信号的方法,直接将处理的结果发送给决策者,这样既避免了震动和声音信号在传输过程中的失真,又缩短了反应时间,同时还增加了探测系统的隐蔽性。
系统总体方案设计
无人值守探测系统一般由地震动和声音传感器、中央处理芯片、运算放大电路以及无线收发装置等模块组成,通过传感器系统采集震动和声音信号经过滤波电路、运算放大电路以及AD转换电路将模拟信号转换为数字信号,再对这些信号进行时频分析,以期达到识别目标性质的目的。根据系统探测和监视的需求,地震动传感器应能探测到200m以内的运动车辆及20m以内人员脚步的信号,声音传感器应能感应到600m以内的车辆噪声。
由于DSP处理器具有效率高,适合数据量较大、算法较复杂的信号处理等特点,因此本文选取DSP作为无人值守地面探测系统运算处理芯片。
本文所设计的地面探测系统主要由前端探测识别——地面探测主系统和后端显示——接收显示子系统两部分组成。当探测区域出现激励时,系统开始工作,DSP的集成A/D采样接口开始采集地震动和声音传感器经过放大调理的信号。DSP模块识别目标性质以后,通过串口发送相应的编码到无线收发模块,然后经过无线传输,发送到接收显示子系统的无线收发模块,最后通过单片机串口将编码发送给单片机,将编码代表的目标属性在液晶模块上显示出来。系统工作原理如图1所示。

图1 系统工作原理图
设计所需器件选型
传感器的选型
(1)地震动传感器
系统所使用的地震动传感器安装在探测系统中并布设到地面上,用于检测目标运动引起的地震动信号。
动圈磁电式传感器是地震勘探中广泛使用的一种成熟的传感器,其性能可靠、价格低廉,而且输出信号对后续电路要求不高,可以简化系统电路设计。本文选用DX20动圈磁电式传感器。
(2)声音传感器
声音传感器主要用于检测目标发动机引起的噪声和声压变化,是由探测到的声音信号的频率和声强级来识别目标的出现。常用的声音传感器可分为电容式、碳粉式、压电式和光纤声音传感器。其中电容式声音传感器具有较高的灵敏度、较低的自生噪声及较低的失真,性能优良,其性能可以满足本系统的要求。本系统选用电容式声音传感器。
电子元件的选型
为了使该系统在野外长期稳定地工作,系统需采用低功耗设计。在该系统中,DSP、运算放大器和无线收发模块的功耗占系统功耗的很大部分。所以对此三种器件的选择需特别注意功耗的问题。
(1)DSP的选型
随着开云棋牌官网在线客服科技的发展,DSP的种类越来越多。选择DSP处理器主要从以下几个方面考虑:
② 性能:描述DSP性能的最重要的指标是运算速度。
②片内硬件资源:片内硬件资源主要包括片内RAM、ROM的数量,I/O接口的种类和个数,总线驱动能力,外部可扩展的程序和数据空间等。
③系统运算量。
④通常,DSP的功耗是较大的,系统采用的DSP芯片需具有空闲模式,能够做到有目标的时候探测,没有目标的时候休眠的要求,以降低功耗。
TI公司是DSP主要生产厂家,它的产品主要包括TMS320C6000、TMS320C5000、TMS320C2000系列。其中,C5000DSP可达200MHz左右的工作时钟频率,被广泛应用于语音信号处理和调制解调器等领域,其价格适中,且硬件设计要求比较高。
本系统所必需的DSP片内外设主要包括集成ADC转换器、DPLL时钟产生器、DMA控制器、EMIF、MCBSPS、通用定时器、看门狗定时器等,同时本系统具有一定的运算量。因此,本系统选用C5000DSP作为主要运算处理芯片。C5000 DSP包括C55x和C54x两代产品。充分考虑到系统的实时性和低功耗要求,本系统选取TI公司生产的TMS320VC5509A作为核心计算单元,它的处理能力可达到400MIPS,其资源可以完成地震动和声音信号采样以及目标识别功能。该型DSP具有休眠功能,当探测区域内没有目标时,主系统DSP进入旁路模式,处于空闲模式,其工作电流仅为16μA,大大降低了DSP的功耗;当目标出现时,DSP开始工作。
TMS320VC5509A集成一个双通道10位的模数转换(ADC)模块。模数转换器不能工作在连续模式下,DSP必须向ADC控制寄存器(ADCctl)的ADCstart位写入1来初始化每次转换。一旦转换开始,DSP必须等到转换完成才能选择另外一个通道或者初始化另外一次新的转换。ADC不会向DSP发出中断信号,所以DSP只有通过查询ADC数据寄存器(ADCdata)的ADCBusy位来获取ADC的状态。当转换完成时,ADCBusy由1被置为0,表示转换数据已经存放在数据寄存器ADCData中,然后DSP能够从ADCData读取数据。ADCData中也包含寄存器ADCctl中表示多路选择器通道选择值的ChSelect的值,所以DSP能够鉴别是从哪个通道获取的采样值。
(2)外设控制和扩展芯片的选型
本系统的可编程逻辑器件需满足上电即可工作,其作用是作为DSP外设控制和扩展的芯片,设计的组合逻辑比较多,因此首选CPLD。随着大规模可编程器件的发展,采用DSP+CPLD结构的信号处理系统显示出了优越性,该结构具有结构灵活,通用性较强,适于模块化设计,易于维护和扩展。
可编程逻辑器件(CPLD)采用ALTERA公司的EPM570T100C5N来实现系统的接口逻辑。该逻辑器件采用FPGA结构,配置芯片集成在内部,和普通PLD一样满足上电即可工作。
(3)集成运放的选型
地震动传感器需探测200m以内的运动车辆及20m以内人员脚步的信号,声音传感器需感应600m以内的车辆噪声(探测距离与传感器的灵敏度关系非常密切)。在如此远距离情况下,由传感器检测得到的目标信号很微弱,通常只有毫伏级。如此小的信号必须先经过前置放大和预处理后才能进行采集处理。另外,信号放大处理电路功耗应尽量小。
由于原始信号极其微弱,很容易被噪声所淹没,为了能有效抑制干扰,设计选用美国TI公司生产的OPA4336运算放大器,它的内部集成了四个运算放大器,具有精度高、功耗低等特点。
(4)其他器件的选型
SDRAM选用HY57V641620ETP,FLASH选用S29AL800D;选用78M05(12V-5V电压转换芯片)作为辅助芯片。
DSP系统设计
DSP工作模块设计
在此主要介绍硬件电路设计,通常是指以DSP为中心的外围电路设计,包括前向通道(输入数据通道)和后向通道(输出数据通道),以及复位电路、电源设计等。DSP工作模块原理如图2所示。

图2 DSP工作模块原理框图
DSP系统采用四节3V高效能电池串联供电(供电电压DC12V),采用78M05转换出来的DC5V,再由TLV1117-3.3和TLV1117-ADJ稳压芯片提供的3.3V与1.6V两种电压作为DSP的工作电压,并用JTAG口硬件仿真并下载程序,SDRAM用于动态存储采集到的数据,FLASH保存DSP运行程序,待复位后重新载入DSP内部RAM中运行,CPLD负责外围器件的选择控制。DSP通过16根数据线和14根地址线与SDRAM、FLASH、CPLD进行通信。DSP作为系统的核心,完成信号采集、过零数分析、短时能量分析、功率谱相似性识别算法等处理过程。
系统电源模块设计
主系统额定输入电压DC12V,78M05(图3中U22)转换出DC5V(供无线通信模块使用)再由TLV1117-3.3(图3中U2)和TLV1117-ADJ(图3中U1)转换DC3.3V和DC1.6V供DSP系统使用,系统电源电路如图3所示。

图3 系统电源电路图
由于本系统需要将采集到的信号做信号分析和变换等工作,对DSP的时钟信号有较高的要求,因此采用12M有源晶振作为DSP系统工作时钟源。DSP等各个芯片的滤波电容均放置于芯片的底层,一方面可以节省顶层布线空间,另一方面可以较好地滤除电源产生的毛刺等干扰信号。另外将10uF和0.1uF的电容交叉放置可以产生更好的滤波效果,系统晶振与DSP的滤波电容电路如图4所示。

图4 系统晶振和DSP的滤波电容电路图
DSP与SDRAM和FLASH的接口电路设计
本系统硬件设计中涉及较多的DSP与存储器的连接与访问。TMS320VC5509A的外部存储器接口除了对异步存储器的支持以外,还提供对同步突发静态存储器(SBSRAM)和同步动态存储器(SDRAM)的支持。异步存储器可以是静态随机存储器(SRAM)、闪存等存储设备,也可以是A/D转换器件、并行显示设备等。DSP与SDRAM和FLASH的接口电路如图5所示。

图5 DSP与SDRAM和FLASH的接口电路图
存储模块的设计
DSP既可将SRAM作为程序存储器,也可作为数据存储器。本系统用FLASH存放程序,在系统运行时,为提高运行速度,需将程序从FLASH搬至快速SRAM中运行,此时SRAM地址映射在程序空间中,而当系统的数据存储空间超过内部RAM时,SRAM地址映射在数据空间中。系统采用HY57V641620型动态数据存储器SDRAM作为SRAM。
为了充分发挥DSP性能,在加电后需要将用户代码装载到高速RAM存储器中运行。FLASH存储器是一种高密度、非易失性的电可擦写存储器,存储量大,使用方便,适用于低功耗、高性能的系统。设计FLASH与DSP的接口时,FLASH的数据线和地址线分别和DSP的外部数据和地址总线相连,FLASH的分页控制位A[13:18]位连接CPLD,对CPLD编程实现寄存器控制高位译码,使得DSP可以访问FLASH的高位存储地址段。
传感器调理及放大电路设计
(1)地震动信号采集电路
考虑到地震动信号的频率均为150Hz以下,在仪器用测量放大器的基础上添加了低通滤波电路,以进一步抑制环境高频噪声对信号产生的不良影响,该低通滤波器将采集到的地震动信号频率限制在340Hz以下。
OPA4336是CMOS型、轨对轨输入输出的运算放大器,提供了4个独立的放大器,具有高输入阻抗、低输入失调电压、低输入偏置电流、低噪声等特点,其电源工作范围为2.3V~5.5V。系统放大电路由两级组成:两个对称的同相放大器U6A和U6C构成第一级,U6B为第二级放大器,U6D是声音放大器,震动信号调理及放大电路如图6所示。

图6 震动信号调理及放大电路图
为了提高电路的抗共模干扰能力和抑制漂移的影响,在电路设计过程中严格保证各级反馈电阻的平衡匹配。严格保证R6=R15,R8=R13,R9=R14,R10=R12。整个放大器的闭环放大倍数为:

该两级放大电路,既满足电路稳定性要求,又可提供一定倍数的增益。对经过放大的信号进行A/D转换后即可送入DSP进行信号的采集与识别。
(2)声信号采集电路
声音放大电路附加了一个一阶低通硬件滤波器(C41=470pF)以消除较高频环境噪声。此外,由于采用单电源模式,供电电压为3.3V,因此需提供一偏置电压将参考电平拉高1.6V,以保证信号的完整性。为了电源去耦,应在电源引脚和印制线路板上与运放参考端之间连接一个旁路电容。同时该电容在元器件布局时应尽量靠近运放电源引脚。VOICE接声音传感器,AIN1接DSP的A/D转换接口ADC1。声音信号调理及放大电路如图7所示。

图7 声音信号调理及放大电路图
便携式接收显示子系统的设计
单片机接收系统电路设计
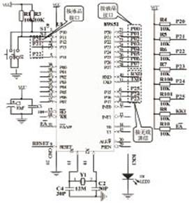
采用ATMEL公司推出的AT89S52作为单片机接收系统主控芯片。AT89S52除了具有8051的全部功能外,还内置了一些比较实用的功能部件。如AT89S52内部的程序存储器是8KB可擦写的FLASH存储器,支持在线系统编程ISP,调试非常方便。单片机接收系统电路如图8所示。

图8 单片机接收系统电路图
液晶显示电路设计
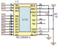
显示模块有两种选择方案:①用数码管作为显示器;②LCD液晶显示。虽然数码管使用简单,但不能显示汉字、字符等,为了使指挥员能够更加直观并且更加迅速地了解目标的属性,便携式接收显示子系统采用JM12864带中文字库的液晶显示器作为显示模块。
JM12864可显示汉字及图形,内置8192个中文汉字(16×16点阵)、128个字符(8×16点阵)及64×256点阵显示RAM(SDRAM)。液晶显示模块电路如图9所示。

图9 液晶显示模块电路图
无线收发模块设计
无线收发模块选用深圳科易连公司生产的KYL-1020L,它的优点是通信距离远,并且具有休眠控制功能,DSP可以通过软件控制它处于工作或休眠状态,极大地降低了系统功耗。
KYL-1020L具有如下特点:①载波频率为433MHz;②多种可选的通讯接口,如RS-232和TTL;③8个通讯信道;④传输数率为9600bps;⑤数据格式为8N1/8E1/801;⑥提供方波传输功能,方便非标的编码客户使用;⑦收发一体,半双工工作模式;⑧低功耗,并具有休眠功能;⑨工作温度为-35℃~+75℃(工业级)。
KYL-1020L的休眠功能对本系统极为重要。由于休眠电流只有不到20μA,功率不到0.18mW,极大地降低了系统功耗,使得系统能够长时间工作。无线收发模块电路如图10所示。

图10 无线收发模块电路图
结束语
本文完成了基于DSP无人值守地面探测系统的硬件设计。首先介绍了系统总体方案设计以及传感器和电子元件的选型,然后阐述了DSP工作模块、电源模块、外部寄存器接口电路、存储模块和传感器调理及放大电路的设计,最后介绍了便携式接收显示子系统的设计。该地面探测系统性能稳定,原理可行,能实时地为侦察或警戒分队提供战场信息。
