单开关(或称单晶体管)正激转换器是一种最基本类型的基于变压器的隔离降压转换器,广泛用于需要大降压比的应用。这种转换器的优点包括只需单颗接地参考晶体管,及非脉冲输出电流减小输出电容的均方根纹波电流含量等。但这种转换器的功率能力小于半桥或全桥拓扑结构,且变压器需要磁芯复位,使这种转换器的最大占空比限制在约50%。此外,金属氧化物开云棋牌官网在线客服场效应管(MOSFET)开关的漏电压变化达输入电压的两倍或更多,使这种拓扑结构较难于用在较高输入电压的应用。
图1:正激转换器不带磁芯复位与带磁芯复位之对比
正激转换器中,变压器的磁芯单方向磁化,在每个开关周期都需要采用相应的措施来使磁芯复位到初始值,否则励磁电流会在每个开关周期增大,经历几个周期后会使磁芯饱和,损坏开关器件。相对而言,如果有磁芯复位,电流就不会在每个开关周期增大,电压会基于励磁电感(Lmag)反相并使磁芯复位。图1以单开关正激转换器为例,简要对比了无磁芯复位与有磁芯复位的电路图及励磁电感电流波形。
有3种常见的标准磁芯复位技术,分别是三次绕组,电阻、电容、二极管(RCD)钳位和双开关正激。三次绕组磁芯复位技术的电路示意图参见图1b),这种技术能够提供大于50%的占空比,但开关Q1的峰值电压可能大于输入电压的2倍,而且变压器有三次绕组,使变压器结构更复杂。RCD钳位磁芯复位技术也能使占空比大于50%,但需要写等式和仿真,以检验复位的正确性,让设计过程更复杂。RCD钳位技术的成本比三次绕组技术低,但由于复位电路中的钳位电阻消耗能量,影响了电源转换效率。
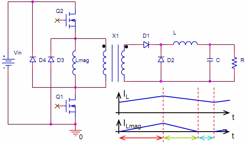
图2:双开关正激转换器电路原理图
与前两种磁芯复位技术相比,双开关正激更易于实现,而且开关Q1上的峰值电压等于输入电压,降低了开关所承受的电压应力。这种技术需要额外的MOSFET (Q2)和高端驱动器,且需要2个高压低功率二极管(D3和D4),参见图2。双开关正激技术的每个开关周期包含3步:第1步,开关Q1、Q2及二极管D1导通,二极管D2、D3及D4关闭;第2步,开关Q1、Q2及二极管D1关闭,而二极管D2、D3及D4导通;第3步,开关Q1、Q2及二极管D1仍然关闭,二极管D2仍然导通,而二极管D3及D4则关闭。
当然,采用这种技术后,转换器就成了双开关正激转换器,它不同于单开关正激转换器,不需要特殊的复位电路就可以保证可靠的变压器磁芯复位,可靠性高,适合更高功率等级。
NCP1252双开关正激转换器演示板规格概览
NCP1252是安森美开云棋牌官网在线客服新推出的一款改进型双开关正激转换器,适合于计算机ATX电源、交流适配器、UC38XX替代及其它任何要求低待机能耗的应用,相关能效测试结果将在后文提及。这器件也是一种固定频率控制器,带跳周期模式,能够提供真正的空载工作。此外,NCP1252具有可调节开关频率,增强设计灵活性;还带有闩锁过流保护功能,能够承受暂时的过载。其它特性还包括可调节软启动时长、内部斜坡补偿、自恢复输入欠压检测等。
NCP1252与市场上不含输入欠压检测、软启动及过载检测的UC384x系列器件相比,提供这系列器件所不包含的这些功能(额外实现成本为0.07美元),降低成本并提升可靠性。
安森美开云棋牌官网在线客服基于NCP1252构建的演示板规格包括:
输入电压范围:350至410 Vdc;
输出电压:12 Vdc,精度±5%;
额定输出功率:96 W (8 A);
最大输出功率:120 W (每分钟持续5秒);
最小输出功率:真正空载(无假负载);
输出纹波:50 mV峰值至峰值;
最大瞬态负载阶跃:最大负载的50%;
最大输出压降:250 mV (5 µs内从输出电流=50%到满载(5 A到10 A))。
NCP1252应用设计:功率元件计算
1) 变压器匝数比、占空比及励磁电感
首先计算变压器在连续导电模式(CCM)下的匝数比N。
根据等式(1)可以推导出等式(2):
其中,Vout是输出电压,η是目标能效,Vbulk min是最小输入电压(即350 Vdc),DCmax是NCP1252的最大占空比,N是变压器匝数比。
相应我们也可以验证出高输入线路电压(410 Vdc)时最小占空比,见等式(3):
为了恰当地磁芯复位,需要极小的励磁电流来对绕组电压反相。根据经验法则,励磁电流为初次峰值电流(Ip_pk)的10%。其中,Ip_pk取值0.94,这数值的计算过程参见后文。变压器励磁电感的计算见等式(4):

2) LC输出滤波器
首先选择交越频率(fC)。因开关噪声缘故,fC大于10 kHz时要求无噪声布线,难于设计。故不推荐在较高的频率交越,直接选定fC为10 kHz。
如果我们假定由fC、输出电容(Cout)及最大阶跃负载电流(ΔIout)确定出ΔIout 时的最大压降(Vout)为250 mV,我们就能写出下述等式:

我们选择的是2颗松下FM系列的1,000 µF@16 V电容。从电容规范中解析出:
Ic,rms=5.36 A @ TA=+105 ℃
RESR,low = 8.5 mW@ TA = +20 ℃
RESR,high = 28.5 mW@ TA = -10 ℃

这里有一个经验法则,就是选择等式(6)计算出来的值一半的等效串联电阻(ESR)电容:RESR,max= 22 mW@ 0 ℃。这个规则考虑到了电容工艺变化,以及留出一些电源在极低环境温度条件下启动工作时的裕量。
最大峰值到峰值电流(ΔIL)的计算见等式(8):

3) 变压器电流
经过一系列计算(详细计算过程参见参考资料3),可以得到:次级峰值电流(IL_pk)为11.13 A,次级谷底电流(IL_valley)为8.86 A,初级峰值电流(Ip_pk)为0.95 A,初级谷底电流(Ip_valley)为0.75 A,初级均方根电流(Ip,rms)为0.63 A。
4) MOSFET
由于NCP1252是双开关正激转换器,故作为开关的功率MOSFET的最大电压限制为输入电压。通常漏极至源极击穿电压(BVDSS)施加了等于15%的降额因数,如果我们选择500 V的功率MOSFET,降额后的最大电压应该是:500 V x 0.85 = 425 V。我们选择的功率MOSFET是采用TO220封装的FDP16N50,其BVDSS为500 V,导通阻抗(RDS(on))为0.434 Ω(@Tj=110℃),总门电荷(QG)为45 nC,门极至漏极电荷(QGD)为14 nC。
MOSFET的导电损耗、开关导通损耗计算见等式(13)到(14):


其中,交迭时间(Δt)由下列等式计算得出:
5) 二极管
次极二极管D1和D2维持相同的峰值反相电压(PIV),结合二极管降额因数(kD)为40%,可以计算出PIV,见等式(19):

由于PIV<100 V,故能够选择30 A、60 V、TO-220封装的肖特基二极管MBRB30H60CT。
二极管导通时间期间的导电损耗为:
Pcond,forward=IoutVfDCmax=10x0.5x0.45=2.25 W (20)
关闭时间期间的导电损耗为:
Pcond,freewheel=IoutVf(1-DCmin)=10x0.5x(1-0.39) =3.05 W (21)
NCP1252应用设计:NCP1252元件计算
1) 用于选择开关频率的电阻Rt
采用一颗简单电阻,即可在50至500 kHz范围之间选择开关频率(FSW)。假定开关频率为125 kHz,那么我们就可以得到:

其中,VRt是Rt引脚上呈现的内部电压参考(2.2 V)。
2) 感测电阻
NCP1252的最大峰值电流感测电压达1 V。感测电阻(Rsense)以初级峰值电流的20%余量来计算,其中10%为励磁电流,10%为总公差:

3) 斜坡补偿
斜坡补偿旨在防止频率为开关频率一半时出现次斜坡振荡,这时转换器工作在CCM,占空比接近或高于50%。由于是正激拓扑结构,重要的是考虑由励磁电厂所致的自然补偿。根据所要求的斜坡补偿(通常为50%至100%),仅能够外部增加斜坡补偿与自然补偿之间的差值。
目标斜坡补偿等级为100%。相关计算等式如下:
内部斜坡:

由于RcompCCS网络滤波需要约220 ns的时间常数,故:

NCP1252演示板图片及性能概览
NCP1252演示板的详细电路图参见参考资料2,其顶视图和底视图则见图3。
图3:NCP1252演示板的顶视图及底视图
在室温及额定输入电压(390 Vdc)条件下,NCP1252演示板不同负载等级时的能效如图4所示。从此图可以看出,负载高于40%最大负载时,工作能效高于90%。这演示板还能藉在转换器次级端同步整流,进一步提升能效达几个百分点。
图4:NCP1252演示板在室温及额定输入电压(390 Vdc)条件下的能效图
如前所述,NCP1252提供软启动功能,其中一个目标应用就是替代UC38xx。NCP1252有一个专用引脚,支持调节软启动持续时间及控制启动期间的峰值。
另外,NCP1252的待机能耗性能也很突出。这器件能藉将输入欠压(BO)引脚接地来关闭,而关闭时VCC输入端汲入的电流小于100 µA。
总结:
本文介绍了正激转换器磁芯复位技术的原理,比较了三次绕组、RCD钳位及双开关正激等常见的磁芯复位技术,分析了双开关正激转换器的优势,并结合安森美开云棋牌官网在线客服基于双开关正激磁芯复位技术的NCP1252固定频率控制器,分享了这双开关正激转换器的应用设计过程。这器件集成了输入欠压检测、软启动及过载检测等众多特性。测试结果显示,NCP1252提供极高的工作能效和极低的待机能耗,适合UC38xx替代、ATX电源、适配器及其它任何要求低待机能耗的应用。
参考资料:
1、An Improved 2-Switch Forward Converter Application, http://www.onsemi.com/pub/Collateral/TND378-D.PDF,安森美开云棋牌官网在线客服
2、《改进型双开关正激转换器应用》,http://www.onsemi.com/pub/Collateral/F2S%20-%202%20Switch%20Forward%20Converter%20-%20bilingual.rev0.pdf,安森美开云棋牌官网在线客服
3、2 Switch forward Current Mode converter with the NCP1252,http://www.onsemi.com/pub/Collateral/AND8373-D.PDF,安森美开云棋牌官网在线客服
