在多通道设计中,独立驱动每一条通道都会消耗更多的功率、更多的元件,并占用更大的电路板空间。结果导致温度相关设计复杂化,并且在更高的成本下声音质量和可靠性却较低。
因此,为尽可能减少高性能多通道音频系统的功耗和简化相关的温度管理,设计工程师一直希望借助能在宽输出功率水平范围下提供超过90%效率的高效D 类音频放大器。相比之下,适用于这个市场的传统AB类放大器其效率只有50%左右,且效率会随着输出功率水平下降而快速下滑。同样地,工程师还不断研究集成式IC的效能,以减少元件数目和电路板面积。
不论是汽车娱乐还是家庭影院系统市场,消费者始终要求有更多的通道和扬声器,每个通道还要能够处理更高的音频功率水平。除了更高的瓦特数,音响发烧友还不断要求改善声音质量,减少失真和噪声,以及通道之间出色的隔离效果。
4通道驱动器
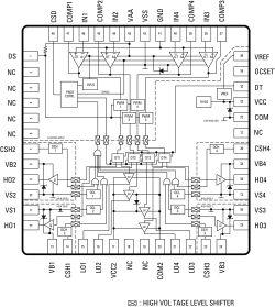
国际整流器公司(IR)根据这种需求,把先进DirectFET功率MOSFET与创新的集成音频驱动器结合,开发出一种4通道D类音频放大器设 计,其性能可与单通道解决方案相媲美。为达到这个目标,电路采用了集成式音频驱动器IRS2093M,该器件将4个高压功率MOSFET驱动器的通道整合到同一块芯片上。此外,这款200V的器件包含专为半桥拓朴中的D类音频放大器应用而设计的片上误差放大器、模拟PWM调制器、可编程预置死区时间以及可 靠的保护功能(图1) 。除了可以防止功率MOSFET出现直通电流和电流冲击,可编程预置死区时间还实现了功率和通道数量可扩展的功率设计。这些保护功能包括带有自动复位控制功能的过流保护(OCP)和欠压闭锁(UVLO)保护。

图1:这款200V器件除了把高压功率MOSFETS驱动器的4条通道集成到同一芯片上,还配备了片上误差放大器、模拟PWM调制器、可编程预置死区时间和先进保护功能。
为了在不同通道之间实现一流的隔离,音频驱动器部署了已获肯定的高压结隔离技术和采用Gen 5 HVIC工艺的浮动栅极驱动器。这样就在裸片上实现了良好的内部信号隔离,这使得电路可以同时处理更多通道的信号,从而把每个通道的基本噪音保持在非常低的水平,同时尽可能减小了通道之间的串扰。
接着,我们建构了如图2所示的4通道半桥D类音频放大器电路,它结合了集成式D类音频控制器和栅极驱动器IRS2093M,并搭配8个 IRF6665 DirectFET功率MOSFET以及几个无源器件。该多通道音频放大器的每个通道都被设计成能够提供120W的输出功率。为便于使用,该电路包含了所 有必需的内部管理电源。

图2:这款4通道半桥D类音频放大器设计采用了集成式D类音频控制器和IRS2093M栅极驱动器,以及8颗IRF6665 DirectFET MOSFET和一些无源器件。
为达到最佳整体性能,IRF6665功率MOSFET特别针对D类放大器设计进行了优化。除了提供低通态电阻,还对功率MOSFET做了改进以获得最小栅极电荷、最小体二极管反向恢复和最小内部栅极电阻。此外,与传统的引线键合封装相比,DirectFET封装可提供较低的寄生电感和电阻。简单来说,经优化的IRF6665 MOSFET能够提供高效率和低总谐波失真(THD)以及电磁干扰(EMI)。
特性和功能
为了以更小的空间提供最高性能和可靠的设计,这个4通道D类音效放大器解决方案采用自振荡PWM调制。由于这种拓朴相当于一个模拟二阶sigma- delta调制,且D类开关级在环内,因此在可听频率范围内的误差根据其工作特性被转移到不可听频率之上,从而降低了噪声。同时,sigma-delta 调制允许设计师执行足够的误差校正来进一步降低噪声和失真。
如图2所示,自振荡拓朴融合了前端集成器、PWM比较器、电平切换器、栅极驱动器和输出低通滤波器(LPF)。尽管这种设计能够以更高的频率开关, 但由于某些原因,它仍然以400kHz作为最佳开关频率。首先,在较低频率下,MOSFET的效率有所改善,但电感纹波电流上升,同时输出PWM开关载波 的漏电也会增加。其次,在较高频率下,开关损耗会降低效率,但有机会实现更宽的频宽。当电感纹波电流减少,铁损耗就会攀升。
由于在D类音效放大器中,负载电流的方向随音频输入信号改变,而过流状况有可能在正电流周期或负电流周期中发生。因此,为同时保护高侧和低侧 MOSFET免受两个方向的过电流影响,用可编程过流保护(OCP)提供双向保护,并以输出MOSFET的RDS(on)作为电流感应电阻。在这个设计 中,当测量的电流超过预设的临界值,OCP逻辑便会输出信号到保护电路,迫使HO和LO管脚置于低电平,从而保护MOSFET不受损害。
由于高压IC的结构限制,高侧和低侧MOSFET的电流感应部署并不相同。例如,低侧电流感应是基于器件在通态状态下,低侧MOSFET两端的VDS。为防止瞬时过冲触发OCP,在LO开通后加入一个消隐间隔,停止450ns过电流检测。
低侧过流感应的临界电压由OCSET管脚设定,范围由0.5V到5.0V。如果为低侧MOSFET测量的VDS超过了OCSET管脚对应COM的电压,驱动器电路就会执行OCP保护程序。要设定过电流的关断电平,可以利用以下的算式计算OCSET管脚的电压:
![]()
为尽可能降低OCSET管脚上输入偏置电流的影响,我们选择了电阻值R4和R5,以便流过分压器的电流达到0.5mA或更多。同时,通过一个电阻分压器将VREF输入到OCSET,改善了对电源电压Vcc波动的抗扰性。
同样地,对于正负载电流,高侧过流感应也会监测负载条件,此时根据经CSH和Vs管脚高侧开启期间在MOSFET两端测量的VDS进行监测。当负载 电流超过预设的关断电平,OCP保护便会停止开关运作。为防止瞬态过冲触发OCP,可在HO开通后加入一个消隐间隔,停止450ns过流检测。
与低侧电流传感不同,CSH管脚的临界值内部固定在1.2V。但可利用外部电阻分压器R2和R3来设定一个较高的临界值。不论采用哪种方式,都要用 外部阻流二极管D1去阻断高电压在高侧断路的情况下流向CSH管脚。基于跨越D1的0.6V正向电压降,高侧过流保护的最低临界值是0.6V。
简而言之,CSH管脚的临界值VCSH可以用以下算式计算:

式中的ID是漏电流,而VF(D1)则是D1的正向压降。此外,逆向阻流二极管D1经由一个10kΩ电阻R1进行正向偏置。
为防止直通或过冲电流通过两个MOSFET,我们将一个名为死区时间的阻流时段插在高侧关断和低侧开通,或低侧关断和高侧开通之间。集成式驱动器让设计师可以根据所选MOSFET的尺寸从一系列预设值中选择适合的死区间来优化性能。事实上,只需两个外部电阻来通过IRS2093的DT管脚设定死区时 间。这样便不需要采用外部的栅极定时调节,同时也能防止调节开关定时引入的外来噪声,这对确保音效性能非常重要。
用户在决定最佳死区时间时,必须考虑MOSFET的下降时间。这是因为对实际应用来说,由于开关的下降时间tf的关系,真正有效的死区时间与数据资料所提供的会有所不同。这意味着,要确定有效的死区时间,就要以数据资料中的死区时间值减去MOSFET栅极电压的下降时间。
同样地,在UVLO保护方面,驱动器会在正常运作开始之前监测电压VAA和VCC的状态,以确保两个电压都高于它们各自的临界值。如果VAA或者 VCC低于UVLO临界值,IRS2093的保护逻辑便会关闭LO和HO。结果,功率MOSFET将停止运作直至VAA和VCC超过它们的UVLO临界值。
此外,为了达到最理想的音效,4通道音频电路板设计把模拟和开关部分之间的线路阻抗和相互耦合降到最低,并确保模拟信号与开关级和电源接地分开。
测量的性能
我们在正弦信号频率为1kHz、1Vrms及4Ω负载阻抗的情况下,测量每个通道的效率、总谐波失真加噪声(THD+N)和EMI性能。另外,我们 为由图2展示的4通道D类音效放大器设计进行测量,显示其一流的隔离和串音性能。相关电路版的电源电压有±35V,自振频率则为400kHz。
如图3所示,在4Ω负载、功率输出为低于50W至120W的情况下,每通道的效率约为90%。对高通道效率作出贡献的主要因素包括产生低通态和开关 耗损的DirectFET MOSFET IRF6665。同时,因为集成式驱动器提供了安全死区时间,所以设计没有出现交叉导通。

图3:在4Ω负载下,功率输出从低于50W输出提高到120W,测量的效率曲线显示每条通道的效率约为90%。
如此高的功效使这款4通道设计能够处理八分之一的持续额定功率,也就是一般安全所需的正常工作环境,而无需使用任何额外的散热片或强制空气冷却。
同样地,针对失真进行的测试显示,在广泛的输出功率范围内,每条通道的THD+N性能都是一样的。如图4所示,当每条通道低于50W时THD+N便会小于0.01%,并会随着输出功率上升而增加。例如,当每条通道的输出为100W左右,失真程度便会上升到0.02%。这种性能在整个20Hz到 20kHz的音频范围内都会保持一致,即使输出功率由每通道10W增加到50W(4Ω负载下)也不会改变。如图5所示,每个通道的基噪在整个音频范围内都维持在-80dBv以下。噪声是在无信号输入和400kHz的自振频率下测量。

图4:当每个通道低于50W时,总谐波失真加噪声(THD+N)便会少于0.01%,并会随着输出功率上升而开始增加。
为通道隔离进行的类似测试表明,在每条通道的输出功率为60W的情况下,通道1和3,以及通道1和4之间的串音在整个音频范围内都优于-70dB。
同时,该设计在1kHz信号频率下提供-68dB的良好电源抑制比(PSRR)。高PSRR源自驱动器的自振频率。从而使得4通道D类放大器即使使用非稳压电源,也能够提供卓越的性能。

图5:当无信号输入时,每条通道的基噪在整个音频范围内都保持低于-80dBv。
本文小结
采用IRS2093M集成式驱动器的4通道D类音频放大器解决方案,其效率、THD+N和EMI性能都可与单通道设计匹敌。此外,在整个可听范围 内,基噪维持在-80dBv以下。同时,通道之间拥有出色的隔离来保持互调失真(IMD)处于最低水平,以提供理想的音效性能。随着高效率免除了对散热片 的需要,集成式音频驱动器成功以减少一半的占位面积实现了4通道D类音频放大器解决方案。
